Каталог товаров

Двухпроводной дискретный модуль вывода Wago

в наличии
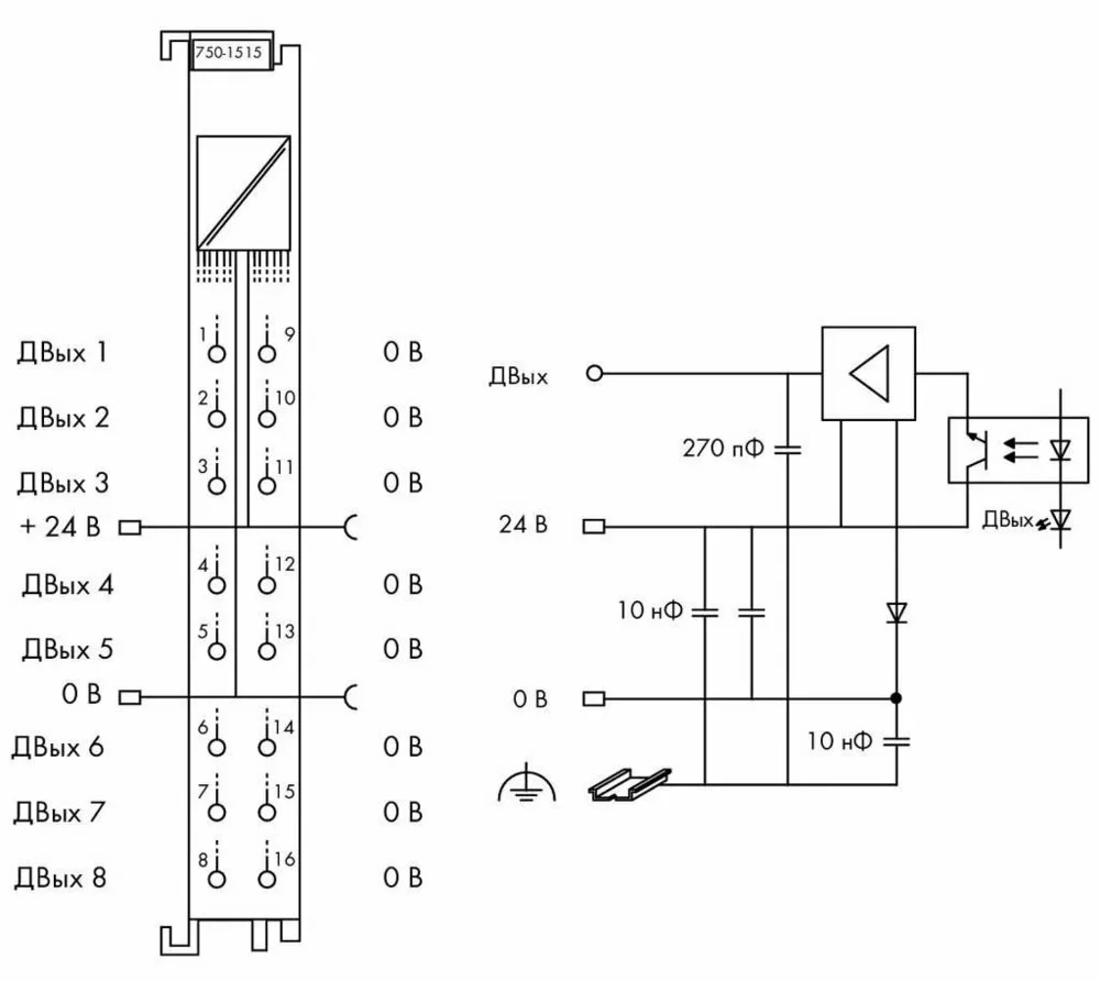
код: 750-1515
500,00 грн. /шт
Онлайн оплата
Регион: Украина, Киевская обл., Киев
Написать продавцу
Проверенный поставщик
На Агробиз
4 Года
Время ответа:
более суток
Описание товара

Двухпроводной дискретный модуль вывода Wago, 8-канальный дискретный выход; тока; 0,5 А; 2-проводное соединение.

Имеет ширину всего 12 мм (0,47 дюйма).

Он передает двоичные сигналы управления от устройства автоматизации к подключенным исполнительным устройствам (например, электромагнитным клапанам, контакторам, передатчикам, реле или другим электрическим нагрузкам).

Модуль имеет соединения Push-in CAGE CLAMP®, что позволяет вставлять непосредственно в него одножильные проводники.

Зеленый светодиодный индикатор указывает для каждого канала текущее состояние.

Оптопара обеспечивает электрическую изоляцию между шиной и устройствами полевого уровня.

Для открытия соединений Push-in CAGE CLAMP®необходим рабочий инструмент с лезвием 2,5 мм (210-719).

Технические данные:

Количество цифровых выходов 8
Общее количество каналов (модуль) 8
Тип сигнала напряжения постоянного тока 24 В
Подключение привода 8 x (2-проводное)
Выходная характеристика высокого уровня переключения
Выходной ток на канал 0,5 А
Частота переключения макс. 1 кГц
Частота переключения макс. 1000 Гц
Макс. Датанбрайт аусгансдатен (стажер) 8 бит
Напряжение питания системы постоянного тока 5 В; через данные контакты
Потребляемый ток, питание системы (5 В) 20 мА
Напряжение питающей сети постоянного тока 24 В (-25… + 30%); über Leistungskontakte (Einspeisung über Messerkontakt; Weiterleitung über Federkontakt)
Потребляемый ток, полевое питание (модуль без внешней нагрузки) 15 мА
Светодиодные индикаторы (1-8) зеленого цвета: состояние DO 1… DO 8
Количество входных контактов перемычки питания 2
Количество контактов перемычки исходящего питания 2
Токоподъемность силовых перемычек контактов 10 А.

тип сигнала Voltage
Выходной ток короткое замыкание защищено

 

Тип нагрузки резистивная, индуктивная, лампы
Изоляция 500 В система/питание

 

Данные соединения:

Технология подключения: входы / выходы 16 x Push-in CAGE CLAMP®
Тип подключения (1) Входы / Выходы

Размеры одножильных проводников 0,08 … 1,5 mm² / 28 … 16 AWG
Тонкие многожильные проводники 0,25 … 1,5 mm² / 22 … 16 AWG
Длина снятия изоляции 8 … 9 mm / 0.31 … 0.35 inch

 

Геометрические данные:

Ширина 12 mm / 0.472 inch
Высота 69 mm / 2.717 inch
Высота от верхнего края DIN-рейки 61,8 mm / 2.433 inch
Длина 100 mm / 3.937 inch

 

Тип монтажа DIN-рейка 35 мм

 

материал корпуса Polycarbonate, polyamide 6.6
Пожарная нагрузка 1,164 MJ
Вес 46,3
Маркировка соответствия CE

 

Требования к окружающей среде:

Температура окружающего воздуха (рабочая) 0… 55 ° C
Температура окружающего воздуха (хранилища) -40… 85 ° С

Допустимая концентрация загрязнителя H2S при относительной влажности 75% 10 ppm
Допустимая концентрация загрязнителя SO2 при относительной влажности 75% 25 ppm

Степень защиты IP20
Степень загрязнения (5) 2 per IEC 61131-2
Рабочая высота 0 … 2000 m
Монтажное положение horizontal (standing/lying) or vertical
Относительная влажность воздуха (без конденсации) 95 %
Виброустойчивость 4g per IEC 60068-2-6
Ударопрочность 15g per IEC 60068-2-27
ЭМС - помехоустойчивость acc. to EN 61000-6-2, marine applications
ЭМС - излучение помех acc. to EN 61000-6-3, marine applications
Устойчивость к воздействию загрязняющих веществ Per IEC 60068-2-42 and IEC 60068-2-43

 

 

 

читать дальше свернуть
Характеристики
Тип
нано-ПЛК (менее 16 каналов)
Вид
модульные
Область применения
универсальные общепромышленные
Тип управления
автоматическое
Тип питания, В
220
Класс защиты
IP20
Способ крепления
монтаж на DIN-рейку
Система управления
централизованная
читать дальше свернуть
Варианты оплаты

Безналичный расчёт

Онлайн оплата

Наличный расчёт

Варианты доставки

Новая Почта(курьер)

Повернення і обмін
Відповідно до закону України «про захист прав споживачів» ви можете протягом 14 днів з моменту покупки повернути або обміняти товар, придбаний в магазині, за умови виконання всіх норм передбачених законом. Умови обміну / повернення товару належної якості стаття 9. Відповідно до закону України «про захист прав споживачів»: споживач має право обміняти непродовольчий товар належної якості на аналогічний у продавця, у якого він був придбаний, якщо товар не задовольнив його за формою, габаритами, фасоном, кольором, розміром або з інших причин не може бути ним використаний за призначенням. Споживач має право на обмін товару належної якості протягом чотирнадцяти днів, не рахуючи дня покупки. споживач (термін вживається в такому значенні згідно статті 1. п.22 закону України «про захист прав споживачів») – фізична особа, яка купує, замовляє, використовує або має намір придбати чи замовити продукцію для особистих потреб, не пов’язаних з підприємницькою діяльністю або виконанням обов’язків найманого працівника. обмін або повернення товару належної якості провадиться: якщо не використовувався; якщо збережено його товарний вигляд, споживчі властивості, пломби, ярлики; на підставі розрахунковий документ, виданий споживачеві разом з проданим товаром. умови обміну / повернення товару неналежної якості стаття 8. Згідно із законом України «про захист прав споживачів»: в разі виявлення протягом встановленого гарантійного строку недоліків споживач, в порядку та в строки, встановлені законодавством, має право вимагати безоплатного усунення недоліків товару в розумний строк. вимоги споживача, передбачених цією статтею, не підлягають задоволенню, якщо продавець, виробник (підприємство, що задовольняє вимоги споживача, встановлені частиною першою цієї статті) доведуть, що недоліки товару виникли внаслідок порушення споживачем правил користування товаром або його зберігання. Споживач має право брати участь у перевірці якості товару особисто або через свого представника.

читать дальше свернуть
Покупатели этого товара также интересовались
ТОП
продажи
код: № позиции 750-348
5 400,00 грн. /шт
в наличии
ТОП
продажи
код: № позиции 750-667/000-003
500,00 грн. /шт
в наличии
ТОП
продажи
код: Wago 759-911 WAGO-I/O-SYSTEM 7
2,00 грн. /шт
в наличии
ТОП
продажи
код: 750-438
500,00 грн. /шт
в наличии
ТОП
продажи
код: 853048436
5 400,00 грн. /шт
в наличии
ТОП
продажи
код: 243-211
10,00 грн. /шт
в наличии
ТОП
продажи
код: 243-212
10,00 грн. /шт
в наличии
ТОП
продажи
код: № позиции 2002-1404
10,00 грн. /шт
в наличии
ТОП
продажи
код: № позиции 285-635
10,00 грн. /шт
в наличии
ТОП
продажи
код: № позиции 284-621
10,00 грн. /шт
в наличии
ТОП
продажи
код: № позиции 2000-2141
10,00 грн. /шт
в наличии
код: № позиции 281-611/281-541
10,00 грн. /шт
в наличии

Вы просматривали

Сейчас ищут

Спецрахунок НБУ
Фонд "Повернись живим"
Фонд Сергія Притули
Пока не зарегистрированы?
Регистрация
Уже зарегистрированы? Войти
Уже зарегистрированы? Войти