применяется на комбайнах MEGA 360, 350 MEGA II 218 – 202 MEGA 218 – 202

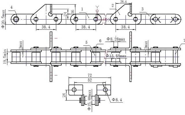
1 - 618600.0 - Elevatorkette 6,9 MEGA 360, 350
MEGA II 218 – 202
MEGA 218 – 202
678448.0 - Elevatorkette-Überkehr 6,9 MEDION
340 – 310
DO 108 VX – 88 VX / DO
118 – 88
2 - 678856.3 - Kettenrad, oben 7 Z, B = 26 mm
3 - 674143.5 - Kettenrad, unten 7 Z, B = 30 mm
4 - 725458.1 - Welle, oben MEGA 360, 350
MEDION 340 von 93400264
bis 93400473
MEDION 330 – 310 von
93200982 bis 93201716
MEGA II 218, 208 ab 94503000
MEGA II 204, 203 ab 93503000
735331.1 - Welle MEDION 340 ab 93400474
MEDION 330 – 310 ab 93201717
600641.0 - Welle MEDION 340 bis 93400263
MEDION 330 – 310 bis 93200981
MEGA
II 218, 208 bis 94502396
MEGA
II 204, 203 bis 93502701
MEGA
II 202
MEGA
218 – 202
DO
108 VX – 88 VX / DO 118 – 88
5 - 600967.2 - Kettenrad 11 Z, B = 25 mm, 25,4 tlg.
6 - 642658.2 - Unterlage 3 x 90 x 120
605449.1 - Unterlage 2 x 56 x 130
672631.1 - Unterlage 2 x 30 x 110
636208.2 - Unterlage 2 x 30 x 82
7 - 619298.2 - Förderplatte 9 x 80 x 107
8 - 600981.0 - Rollenkette 34 Ro

Безналичный расчёт
Наличный расчёт
Наложенный платеж
Предоплата
Новая Почта
Самовывоз
Интайм
Автолюкс
Гюнсел
Ночной Экспресс
Повернення і обмін
Відповідно до закону України «про захист прав споживачів» ви можете протягом 14 днів з моменту покупки повернути або обміняти товар, придбаний в магазині, за умови виконання всіх норм передбачених законом. Умови обміну / повернення товару належної якості стаття 9. Відповідно до закону України «про захист прав споживачів»: споживач має право обміняти непродовольчий товар належної якості на аналогічний у продавця, у якого він був придбаний, якщо товар не задовольнив його за формою, габаритами, фасоном, кольором, розміром або з інших причин не може бути ним використаний за призначенням. Споживач має право на обмін товару належної якості протягом чотирнадцяти днів, не рахуючи дня покупки. споживач (термін вживається в такому значенні згідно статті 1. п.22 закону України «про захист прав споживачів») – фізична особа, яка купує, замовляє, використовує або має намір придбати чи замовити продукцію для особистих потреб, не пов’язаних з підприємницькою діяльністю або виконанням обов’язків найманого працівника. обмін або повернення товару належної якості провадиться: якщо не використовувався; якщо збережено його товарний вигляд, споживчі властивості, пломби, ярлики; на підставі розрахунковий документ, виданий споживачеві разом з проданим товаром. умови обміну / повернення товару неналежної якості стаття 8. Згідно із законом України «про захист прав споживачів»: в разі виявлення протягом встановленого гарантійного строку недоліків споживач, в порядку та в строки, встановлені законодавством, має право вимагати безоплатного усунення недоліків товару в розумний строк. вимоги споживача, передбачених цією статтею, не підлягають задоволенню, якщо продавець, виробник (підприємство, що задовольняє вимоги споживача, встановлені частиною першою цієї статті) доведуть, що недоліки товару виникли внаслідок порушення споживачем правил користування товаром або його зберігання. Споживач має право брати участь у перевірці якості товару особисто або через свого представника.