Каталог товаров

Гидравлика на Volkswagen Crafter грузовой

нет в наличии
код: 205942
17 357,08 грн. /шт
Регион: Украина, Киевская обл., Киев
Написать продавцу
Проверенный поставщик
На Агробиз
9 Лет
Время ответа:
более суток
Описание товара

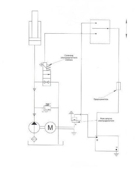
Гидравлика на Volkswagen Crafter грузовой - представляет собой гидравлику с электроприводом или электрогидравлика – вид гидравлических устройств, который приводит в движение механизмы и целые машины.

Специально разработанный механизм для подъема платформы одиночного. Подходит для различных видов грузовиков до 3,5 тонн.
Функция подъема осуществляется за счет его мощности; спуск - за счет гравитации.
Электромагнитный клапан поддерживает спуск на постоянной скорости, двигатель поддерживает различные скорости подъема.

Основной плюс этой гидростанции в том, что она дает возможность отказаться от использования НШ и КОМ (коробки отбора мощности), что дает более высокое давление в системе и как результат более высокую грузоподъемность самосвала. Гидравлическая станция с электроприводом дает ряд других преимуществ:

  • Надежная и конструкция
  • Удобный ремонт
  • Простой монтаж
  • Использовать гидравлику можно даже при заглушенном двигателе.

Гидрофикация Volkswagen Crafter грузового позволяет применять грузовой автомобиль для выполнения нестандартных задач, связанных с подъемом и выгрузкой или передвижением грузов, установки на автомобиль манипулятора или крана, движущегося пола кузова, установка мусоровоза (сжатие мусора). Техника, которая применяется для таких задач требует наличия специальных мощностей.

Широкий выбор комплектов одноконтурной или двухконтурной гидравлики для всех видов автомобилей и спецтехники иностранного производства SCANIA, MAN, IVECO, VOLVO, DAF, Renault, Fuller, Mersedes, Isuzu, FAW, Freightliner, а также отечественного производителя (МАЗ, КАМАЗ, ГАЗ, УРАЛ, ЗИЛ,КРАЗ )

В нашей компании предоставлен большой выбор товаров автогидравлики европейского уровня, которые прошли контроль и соответствуют стандартам качества. Все товары имеют сертификаты качества и гарантию от производителя.

Наша компания не занимается продажей б/у гидравлики на тягач, мы продаем только НОВУЮ гидравлику высшего качества турецкого производства. Наши товары защищены сертификатами качества и имеют гарантию. Новая гидравлическая система будет служить Вам гораздо дольше, чем б/у Гидравлика Hyva на тягач. Поэтому переплачивая всего лишь немного за новую гидравлику - Вы получаете товар с гарантийным сроком и с более длительным периодом службы для Вас!

Так же производится качественная установка гидравлики на тягач или установка гидравлики на самосвал у нас на СТО или с выездом к Вам, недорого!

У нас вы найдете не только оригинальную продукцию европейских производителей HYVA (Хива), Binotto (Бинотто), OMFB , Aber (Абер), Casappa (Касаппа), Bezares (Безарес), ATOS (АТОС), Bosch Rexroth (Бош Рексрот), Danfoss (Данфосс), Eaton, Hydac (Хюдак), Kawasaki (Кавасаки), Parker (Паркер), Penta (Пента), но и их аналоги такого же качества.


Наличие уточняйте у менеджера!
читать дальше свернуть
Характеристики
Гарантийный срок, мес
12
Ответственный человек
Ольга Кондрашова
Тип техники
Спецтехника
Состояние
Новое
читать дальше свернуть
Варианты оплаты

Western Union, MoneyGramm, Contact
Если клиент находится за пределами Украины и готов сделать предоплату международным денежным переводом.

WebMoney, PayPal, Yandex Деньги
Если клиент находится за пределами Украины и имеет возможность осуществить оплату в виде электронного платежа - мы принимаем деньги на любые электронные кошельки.

Безналичный расчёт
Возможен безналичный расчет с полным документальным сопровождением.

Наличный расчёт
Оплата наличными возможна в случае самовывоза.

Наложенный платеж
При пересылке "Новой почтой" возможна оплата наложенным платежом, т.е., при получении покупателем своего заказа.

Варианты доставки

Новая Почта

Самовывоз
Мы работаем с пн-пт с 8:30 до 19:00, сб 10:00-16:00. Наш офис находится по адресу Киев, Вишневое, ул.Чорновола 2а. Вы сможете приехать, лично проверить товар и в случае необходимости установить его на нашем СТО.

Интайм
Служба доставки грузов по Украине. Стоимость доставки можно рассчитать на сайте перевозчика intime.ua

Деливери
Доставка грузов по Украине. Расчет стоимости доставки можно произвести на сайте перевозчика delivery-auto.com

Передать попутной машиной
Одним из бюджетных вариантов доставки товара за границу является отправка его с попутным авто. Мы найдем попутный автомобиль и передадим вам товар с водителем.

Договориться о встрече в Киеве
Стоимость доставки 1 грн.Мы можем предварительно договориться о встрече в городе и пересечься в удобное для вас и нас время. Бесплатно.

Международные перевозчики
ПониЭкспресс, BinExpress, UkrCargo, DHL, Dimex, Express-dostavka и любыми удобными для вас международными перевозчиками и согласно их тарификации. Доставка в среднем длится 3-5 дней.

Повернення і обмін
Відповідно до закону України «про захист прав споживачів» ви можете протягом 14 днів з моменту покупки повернути або обміняти товар, придбаний в магазині, за умови виконання всіх норм передбачених законом. Умови обміну / повернення товару належної якості стаття 9. Відповідно до закону України «про захист прав споживачів»: споживач має право обміняти непродовольчий товар належної якості на аналогічний у продавця, у якого він був придбаний, якщо товар не задовольнив його за формою, габаритами, фасоном, кольором, розміром або з інших причин не може бути ним використаний за призначенням. Споживач має право на обмін товару належної якості протягом чотирнадцяти днів, не рахуючи дня покупки. споживач (термін вживається в такому значенні згідно статті 1. п.22 закону України «про захист прав споживачів») – фізична особа, яка купує, замовляє, використовує або має намір придбати чи замовити продукцію для особистих потреб, не пов’язаних з підприємницькою діяльністю або виконанням обов’язків найманого працівника. обмін або повернення товару належної якості провадиться: якщо не використовувався; якщо збережено його товарний вигляд, споживчі властивості, пломби, ярлики; на підставі розрахунковий документ, виданий споживачеві разом з проданим товаром. умови обміну / повернення товару неналежної якості стаття 8. Згідно із законом України «про захист прав споживачів»: в разі виявлення протягом встановленого гарантійного строку недоліків споживач, в порядку та в строки, встановлені законодавством, має право вимагати безоплатного усунення недоліків товару в розумний строк. вимоги споживача, передбачених цією статтею, не підлягають задоволенню, якщо продавець, виробник (підприємство, що задовольняє вимоги споживача, встановлені частиною першою цієї статті) доведуть, що недоліки товару виникли внаслідок порушення споживачем правил користування товаром або його зберігання. Споживач має право брати участь у перевірці якості товару особисто або через свого представника.

читать дальше свернуть
Покупатели этого товара также интересовались
ТОП
продажи
код: 0А-47861
от 175 018,13 грн. /шт
в наличии
код: 60003
6 074,98 грн. /шт
в наличии
код: 0А-23512
1 235,39 грн. /шт
в наличии
код: 0А-23433
21 918,62 грн. /шт
в наличии
код: 0А-47100
6 769,22 грн. /шт
в наличии
код: 0А-50875
15 551,08 грн. /шт
в наличии
код: 0А-24389
19 496,77 грн. /шт
в наличии

Вы просматривали

Сейчас ищут

Спецрахунок НБУ
Фонд "Повернись живим"
Фонд Сергія Притули
Пока не зарегистрированы?
Регистрация
Уже зарегистрированы? Войти
Уже зарегистрированы? Войти