Каталог товаров

Гидрораспределитель 5KS180 Badestnost 180 л/мин 5 секционный

в наличии
код: 5KS180
28 800,00 грн. /шт
Купить в один клик
з 4 отзывов, 100% положительных
Регион: Украина, Запорожская обл., Запорожье
Написать продавцу
Проверенный поставщик
На Агробиз
7 Лет
Время ответа:
более суток
Описание товара
Гидрораспределитель 5KS180 Badestnost 180 л/мин 5 секционный по лучшей цене от поставщика гидравлики №1 В Украине

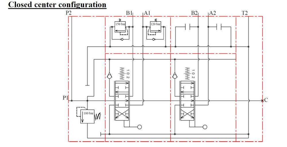
Гидрораспределитель KS180 представляет собой простой, компактный и сверхпрочный распределитель. Может быть собран от 1 до 12 секций для открытых и закрытых центральных гидравлических систем. Он оснащен основным предохранительным клапаном и обратным клапаном нагрузки на каждой рабочей секции. В настоящее время он доступен с параллельной схемой и имеет дополнительный переносной порт. Доступны ручные, пневматические, пропорциональные гидравлические комплекты для управления катушкой. Диаметр катушки составляет 20 мм.

Гидрораспределитель KS-180 предназначен для изменения направления потока, ограничения давления рабочей жидкости в гидролиниях, разгрузки насоса в нейтральной позиции золотников. Гидрораспределитель управляет движением выходного звена гидродвигателя путём перенаправления потоков рабочей жидкости.

Технические характеристики Badestnost KS180

Гидрораспределители импортного производства (Европейский союз - Болгария). Гарантированное высокое качество и долгий срок службы. Являются заменой отечественных распределителей, при этом за счет более высокого ресурса, являются более экономически выгодными.

Максимальное давление (psi)

25 (360)

Внутренняя утечка (стандартная) A (B) до T при 100 бар (40° C) см3/мин

8

Рабочая жидкость

гидравлическое масло

Температура жидкости, град. C (град F), когда с уплотнениями NBR

от -20 до 80 (от -4 до 176)

Температура жидкости, град. C (град F), когда с уплотнениями FPM

от -20 до 100 (от -4 до 212)

Вязкость жидкости, рабочий диапазон

cSt 15 - 75

Максимальный уровень загрязнения

-10/19/16 - ISO 4406

Температура окружающей среды для стабильной работы (для механического устройства) град. C (град F)

от -40 до 60 (от -40 до 140)

Секции

до 12

Болгарские гидрораспределители секционные и моноблочные с ручным управлением Badestnost являются наиболее популярными золотниковыми гидравлическими распределителями на Украинском рынке. Прежде всего, свою популярность болгарские распределители Badestnost завоевали благодаря безупречному качеству сборки,своей долговечности и надежности механизма и , конечно же, относительно невысокой стоимости, по сравнению с итальянскими, английскими и немецкими аналогами, что в совокупности делает болгарский гидрораспределитель лидером на рынке. Хотим отметить, что наша компания занимается прямыми поставками болгарских гидрораспределителей на рынок Украине, а так же мы поставляем только оригинальные болгарский распределители , таким образом , приобретая у нас болгарский гидравлический распределитель, вы получаете лучшую цену, а так же оригинальный продукт, безупречный сервис, консультацию нашего гидравлика и нашу поддержку 24/7.

Резьба на управляющих каналах гидрораспределителя А и В - 3/4"

Резьба вход (Р) -3/4, подача (Т) - 1"
Все гидравлические распределители для мобильной техники преимущественно работают по принципу 64 гидравлической схемы - , где В нейтральном положении линия подачи - Р и линия слива - Т соединены между собой и масло циркулирует по кругу без нагрузки для насоса. Опционально возможна установка нестандартных золотников, позволяющих данные гидрораспределители работать по принципу 44 схемы (Е spool) - с закрытым центром, 34 схемы ( D spool), а так же для гидроцилиндров одностороннего действия, которые опускаются под собственным весом ( схемы типа B и C ). Более подробно вы можете ознакомиться в категории "Комплектующие к импортным гидрораспределителям для спец техники"
В базовой комплектации болгарские гидрораспределители имеют встроенный клапан давления, регулируемый в диапазоне от 0 до 250 Бар, 3 позиции: нейтральное положение, подъем и опускание с пружинным возвратом рукоятки в нейтральное положение, как дополнительная опция возможна установка фиксации в каждом из положений , а так же 4-го положения - плавающего положения, которое по умолчанию фиксируется.

Болгарские гидрораспределители изготовлены на самом современном оборудовании и проходят испытание на всех

циклах изготовления, начиная от проверки качества литья корпуса и зазоров между парой корпус-золотник. Высокая точность изготовления золотника обеспечивает «нулевые утечки» при рабочем давлении и минимальный перепад давления во время переключения положений золотника относительно нейтральной позиции. Технический и конструкторский отдел завода производителя использует материалы

высокого качества (гидроплотный чугун) и уникальную точность при изготовлении каждого узла распределителя. Это позволяет достичь высоких характеристик и минимальных утечек в паре корпус-золотник при рабочем давлении на всем диапазоне от 0 до 700 Бар в условиях максимальной безопасности при эксплуатации. Дополнительный канал слива уменьшает нагрев и трение в паре корпус-золотник.

Корпус болгарского распределителя изготавливаются на высокоточных обрабатывающих центрах (Германия, Япония, Корея), запас прочности корпуса более 75 МПа. Распределитель работает при более высоком обратном давлении (200 бар) с меньшим трением по сравнению с отечественными гидрораспределителями Р80 и конкурентами.

Болгарские гидрораспределители отвечают самым высоким требованиям и европейским стандартам качества , которые во много раз превышают отечественные аналоги типа Р 80, таким образом данные импортные гидрораспределители зарекомендовали себя как отличную замену, используемые на всех видах коммунальной, горно-добывающей, грузоподъемной, мусороуборочной , снегоуборочной, сельскохозяйственной и всех видах спецтехники как : манипуляторы Атлас, Palfinger, Hiab и др., трактора МТЗ 80, ХТЗ, Т-25, Т-40, ЮМЗ, комбайны, экскаваторы ЮМЗ, Борекс, JCB и др, минитрактора, автокраны, автовышки, лесные манипуляторы, дровоколы, колуны, мусоровозы, погрузчики, автокары, автогрейдеры, лесовозы, бульдозеры, самосвалы, а так же на всех видах деревообрабатывающих , металлорежущих и прочих станках, прессах и гидростанциях как отличную замену отечественных гидрораспределителей.

Для того, чтобы купить болгарский гидрораспределитель у нас на сайте:

Оформление заказа на нашем сайте происходит очень легко и оперативно. Все , что Вам нужно знать, это определиться с моделью гидрораспределителя (Р40, Р80, РС70, РС100, Р120, KS180), для этого сверьте пункты, которые мы укажем для вас ниже:

Номинальный расход жидкости гидрораспределителя ( 40-60л/мин для Р40, 80-100 л/мин для модели Р80, РС70, Р81 (дровокольный), 100-120л/мин для модели РС100, 120-160л/мин для модели Р120)

Вид управления ( рычажное, электрическое, джойстиковое, тросовое, электрогидравлическое(ручное+электро), пневмо+ручное)

Количество секций

Наличие или отсутствие фиксации на золотниках

Наличие или отсутствие плавающего положения ( К15 и К16 - для моделей Р40, L12 и L13 для моделей Р80)

Далее мы согласовываем детали ( штуцера, переходники и доп. аксессуары) и отправляем Ваш заказ в самые кратчайшие сроки. Желаем приятных и полезных покупок!

Преимущества нашей компании и почему стоит покупать у нас:

Широкая гамма болгарских гидрораспределителей, а так же других гидравлических распределителей от ведущих заводов гидравлики с ручным, электромагнитным, гидравлическим управлением , а также гидромоторов, гидронасосов, клапанов и прочего гидравлического оборудования импортного и отечественного производства

Гарантия 12 месяцев на импортную гидравлику

Консультация специалиста и подбор нужного компонента гидравлики на ваше оборудование, подбор аналогов.

Всегда в наличии на складе или поставка в кратчайшие сроки

Гибкая система скидок для оптовых и постоянных клиентов

Работаем по всей Украине, возможна отправка наложенным платежом , доставка продукции в любую точку Украины всеми транспортными компаниями как Новая почта, САТ, Автолюкс, Деливери

Все поставляемое оборудование новое и соответствует стандартам

Уважаемые клиенты, возможно вы ищете другой болгарский гидрораспределитель типа Р40?

Сообщите нам и наш квалифицированный специалист будет рад помочь подобрать гидрораспределитель, который Вам нужен. Для этого Вам нужно лишь указать необходимые технические характеристики гидрораспределителя, например: принцип его работы, эскиз, устройство или область применения требуемого Вам оборудования.

Наши специалисты бесплатно предоставят консультацию по подбору аналога любого гидравлического или пневматического оборудования , как и отечественного, так и импортного производства ведущих заводов гидравлики Италии, Польши, Турции. По всем вопросам приобретения оборудования обращайтесь по телефонам или электронным адресам, указанным на сайте.

Обращаем Ваше внимание, что в связи с частыми изменениями ценовой конъюнктуры, просьба уточнять цены в отделе продаж

В случае отсутствия в перечне необходимой Вам продукции, свяжитесь с менеджерами компании по телефону или электронной почте и Вам окажут всю необходимую помощь в подборе оборудования или его аналогов.
читать дальше свернуть
Характеристики
Состояние
Новое
Тип распределителя
Золотниковый
Управление
Ручное
Условный проход, мм
16
Номинальное давление, МПа
28
Номинальный расход жидкости, л/мин
80
Максимальное рабочее давление, МПа
32
Максимальный расход жидкости, л/мин
100
Конструктивное исполнение
Моноблочное
Гарантийный срок, мес
12
Тип
Гидрораспределитель
Минимальная кинематическая вязкость вещества, кв.мм/с
12
Минимальная температура рабочей жидкости, град.
-15
Максимальная температура рабочей жидкости, град.
80
Минимальная температура окружающей среды, град.
-40
Максимальная температура окружающей среды, град.
60
Тонкость фильтрации, мкм
10
Тип запчасти
Оригинал
Тип техники
Спецтехника
Максимальная кинематическая вязкость вещества
800
Количество рабочих позиций, шт
3
Количество золотников, шт
1
читать дальше свернуть
Отзывы
4 отзывов
100% положительных
Володимир
13 октября 2024г. в 22:05
Гут
Сергей
10 февраля 2023г. в 17:24
Отличная консультация при покупке товара, быстрая доставка.
Внешне отличного качества, весной проверим в работе)
Віктор Петрович
05 октября 2022г. в 13:14
Дякую за гарні ціни на гідравліку
Виктор
07 марта 2021г. в 21:33
Лучший поставщик гидравлики из всех кого я перепробовал. Ни разу не подвели по срокам, всегда отправка в день заказа. грамотная консультация Дениса, спасибо огромное! буду обращаться и рекомендовать вас всем своим знакомым! с ув. Виктор
читать дальше свернуть
Варианты оплаты

Онлайн оплата
5375 4114 0319 3860 Чусов Денис Монобанк

Наличный расчёт

Безналичный расчёт

Предоплата

Наложенный платеж

Варианты доставки

Новая Почта

Автолюкс

Интайм

Самовывоз

Повернення і обмін
Відповідно до закону України «про захист прав споживачів» ви можете протягом 14 днів з моменту покупки повернути або обміняти товар, придбаний в магазині, за умови виконання всіх норм передбачених законом. Умови обміну / повернення товару належної якості стаття 9. Відповідно до закону України «про захист прав споживачів»: споживач має право обміняти непродовольчий товар належної якості на аналогічний у продавця, у якого він був придбаний, якщо товар не задовольнив його за формою, габаритами, фасоном, кольором, розміром або з інших причин не може бути ним використаний за призначенням. Споживач має право на обмін товару належної якості протягом чотирнадцяти днів, не рахуючи дня покупки. споживач (термін вживається в такому значенні згідно статті 1. п.22 закону України «про захист прав споживачів») – фізична особа, яка купує, замовляє, використовує або має намір придбати чи замовити продукцію для особистих потреб, не пов’язаних з підприємницькою діяльністю або виконанням обов’язків найманого працівника. обмін або повернення товару належної якості провадиться: якщо не використовувався; якщо збережено його товарний вигляд, споживчі властивості, пломби, ярлики; на підставі розрахунковий документ, виданий споживачеві разом з проданим товаром. умови обміну / повернення товару неналежної якості стаття 8. Згідно із законом України «про захист прав споживачів»: в разі виявлення протягом встановленого гарантійного строку недоліків споживач, в порядку та в строки, встановлені законодавством, має право вимагати безоплатного усунення недоліків товару в розумний строк. вимоги споживача, передбачених цією статтею, не підлягають задоволенню, якщо продавець, виробник (підприємство, що задовольняє вимоги споживача, встановлені частиною першою цієї статті) доведуть, що недоліки товару виникли внаслідок порушення споживачем правил користування товаром або його зберігання. Споживач має право брати участь у перевірці якості товару особисто або через свого представника.

Укрпочта

читать дальше свернуть
Покупатели этого товара также интересовались
код: Р80-3/1-222
2 900,00 грн. /шт
в наличии
код: Р80-3/2-44
2 900,00 грн. /шт
в наличии
код: Р80-3/4-222
2 900,00 грн. /шт
в наличии
-5%
код: Р80-3/3-222
1 600,00 грн. 1 520,00 грн. /шт
в наличии
код: Р80-3/4-222Г
2 900,00 грн. /шт
в наличии
код: Р80-3/1-44
2 900,00 грн. /шт
в наличии
-35%
код: P40 К16 GKZ1 корея
2 850,00 грн. 1 852,50 грн. /шт
в наличии
-20%
код: P40 A1 GKZ1 корея колун
1 870,00 грн. 1 496,00 грн. /шт
в наличии
-17%
код: P40 A1 GKZ1 корея
1 800,00 грн. 1 494,00 грн. /шт
в наличии
-31%
код: ЦС 50х25х200
2 000,00 грн. 1 380,00 грн. /шт
в наличии
-5%
код: Р40
1 650,00 грн. 1 567,50 грн. /шт
в наличии
-10%
код: треугольник джойстика
940,00 грн. 846,00 грн. /шт
в наличии

Вы просматривали

Сейчас ищут

Спецрахунок НБУ
Фонд "Повернись живим"
Фонд Сергія Притули
Пока не зарегистрированы?
Регистрация
Уже зарегистрированы? Войти
Уже зарегистрированы? Войти