Каталог товаров

Гидрораспределитель Hyva Ø1" 190 bar (220 л/мин) PT 1220 HT-TNK-1220-190

нет в наличии
код: 0А-49879
11 628,39 грн. /шт
Регион: Украина, Киевская обл., Киев
Написать продавцу
Проверенный поставщик
На Агробиз
9 Лет
Время ответа:
более суток
Описание товара

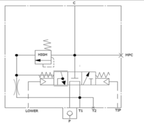
Гидравлический клапан Hyva HT-TNK-1220-170-P1”

Клапаны серии HT 1220 - это высокопроизводительные клапаны, подходящие для самых требовательных опрокидывающих операций с максимальным расходом масла 220 л / мин. Это очень хороший выбор для тяжелых и высокоскоростных систем опрокидывания.

Основные характеристики

Макс. пиковое давление 350 бар
Пневматическое давление 6-12 бар
Макс. производительность насоса 220 л / мин
Макс. давление на Т-соединение 10 бар
Мин. фильтрация (ISO 18/13) 25 мкм
Диапазон вязкости не менее 12 мм2 / с (cst) / максимум 100 мм2 / с (cst)
Диапазон температур мин -40 ° С / макс 80 ° C
Масса 6.1 кг

Купить гидравлику Hyva вы можете позвонив по телефону или оформить заказ у нас на сайте. 
Мы осуществляем доставку в любой город Украины:
 Черкассы, Днепр, Харьков, Николаев, Одесса, Полтава, Запорожье, Житомир, Львов, Ровно, Сумы, Херсон и другие. Так же отравим Вам товар в Молдавию, Казахстан и другие страны СНГ и Европы. 

  При заказе товара у нас ― скидка на установку на нашем СТО. Гарантия качества 12 месяцев!

 

Наличие уточняйте у менеджера!

Компания Гидромаркет – единственный официальный представитель HYVA в Украине, поэтому помимо качества мы можем предложить лучшую цену. А наши специалисты могут произвести профессиональную установку гидравлики на нашем СТО или на выезде. Покупая оригинальную продукцию HYVA Вы выберете максимальный уровень безопасности, надежность и производительность вашей техники при любых условиях работы!

читать дальше свернуть
Характеристики
Состояние
Новое
Гарантийный срок
12
Тип
Гидрораспределитель
читать дальше свернуть
Варианты оплаты

Western Union, MoneyGramm, Contact
Если клиент находится за пределами Украины и готов сделать предоплату международным денежным переводом.

WebMoney, PayPal, Yandex Деньги
Если клиент находится за пределами Украины и имеет возможность осуществить оплату в виде электронного платежа - мы принимаем деньги на любые электронные кошельки.

Безналичный расчёт
Возможен безналичный расчет с полным документальным сопровождением.

Наличный расчёт
Оплата наличными возможна в случае самовывоза.

Наложенный платеж
При пересылке "Новой почтой" возможна оплата наложенным платежом, т.е., при получении покупателем своего заказа.

Варианты доставки

Новая Почта

Самовывоз
Мы работаем с пн-пт с 8:30 до 19:00, сб 10:00-16:00. Наш офис находится по адресу Киев, Вишневое, ул.Чорновола 2а. Вы сможете приехать, лично проверить товар и в случае необходимости установить его на нашем СТО.

Интайм
Служба доставки грузов по Украине. Стоимость доставки можно рассчитать на сайте перевозчика intime.ua

Деливери
Доставка грузов по Украине. Расчет стоимости доставки можно произвести на сайте перевозчика delivery-auto.com

Передать попутной машиной
Одним из бюджетных вариантов доставки товара за границу является отправка его с попутным авто. Мы найдем попутный автомобиль и передадим вам товар с водителем.

Договориться о встрече в Киеве
Стоимость доставки 1 грн.Мы можем предварительно договориться о встрече в городе и пересечься в удобное для вас и нас время. Бесплатно.

Международные перевозчики
ПониЭкспресс, BinExpress, UkrCargo, DHL, Dimex, Express-dostavka и любыми удобными для вас международными перевозчиками и согласно их тарификации. Доставка в среднем длится 3-5 дней.

Повернення і обмін
Відповідно до закону України «про захист прав споживачів» ви можете протягом 14 днів з моменту покупки повернути або обміняти товар, придбаний в магазині, за умови виконання всіх норм передбачених законом. Умови обміну / повернення товару належної якості стаття 9. Відповідно до закону України «про захист прав споживачів»: споживач має право обміняти непродовольчий товар належної якості на аналогічний у продавця, у якого він був придбаний, якщо товар не задовольнив його за формою, габаритами, фасоном, кольором, розміром або з інших причин не може бути ним використаний за призначенням. Споживач має право на обмін товару належної якості протягом чотирнадцяти днів, не рахуючи дня покупки. споживач (термін вживається в такому значенні згідно статті 1. п.22 закону України «про захист прав споживачів») – фізична особа, яка купує, замовляє, використовує або має намір придбати чи замовити продукцію для особистих потреб, не пов’язаних з підприємницькою діяльністю або виконанням обов’язків найманого працівника. обмін або повернення товару належної якості провадиться: якщо не використовувався; якщо збережено його товарний вигляд, споживчі властивості, пломби, ярлики; на підставі розрахунковий документ, виданий споживачеві разом з проданим товаром. умови обміну / повернення товару неналежної якості стаття 8. Згідно із законом України «про захист прав споживачів»: в разі виявлення протягом встановленого гарантійного строку недоліків споживач, в порядку та в строки, встановлені законодавством, має право вимагати безоплатного усунення недоліків товару в розумний строк. вимоги споживача, передбачених цією статтею, не підлягають задоволенню, якщо продавець, виробник (підприємство, що задовольняє вимоги споживача, встановлені частиною першою цієї статті) доведуть, що недоліки товару виникли внаслідок порушення споживачем правил користування товаром або його зберігання. Споживач має право брати участь у перевірці якості товару особисто або через свого представника.

читать дальше свернуть
Покупатели этого товара также интересовались
ТОП
продажи
код: 0А-47861
от 180 068,36 грн. /шт
в наличии
код: 0А-50875
15 804,70 грн. /шт
в наличии
код: 60003
6 174,06 грн. /шт
в наличии
код: 0А-47100
6 964,55 грн. /шт
в наличии
код: 0А-23433
22 551,10 грн. /шт
в наличии
код: 0А-23512
1 255,54 грн. /шт
в наличии
код: 0А-22433
12 039,41 грн. /шт
в наличии

Вы просматривали

Сейчас ищут

Спецрахунок НБУ
Фонд "Повернись живим"
Фонд Сергія Притули
Пока не зарегистрированы?
Регистрация
Уже зарегистрированы? Войти
Уже зарегистрированы? Войти