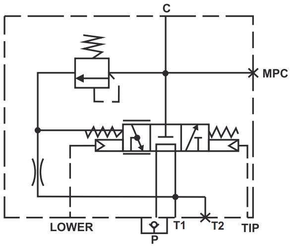
Гидравлические клапаны Hyva из серии HT-1220 с макс. пропускной способностью до 220 л/мин являются оптимальным выбором для систем, работающих с большими гидроцилиндрами или в тяжелых условиях, где высокая пропускная способность и скорость являются одними из ключевых требований. Максимальное рабочее давление устанавливается фиксированным картриджем Hyva. Конструкция золотника обеспечивает точную работу: операция опускания пропорциональна, а скорость регулируется.
Гидравлические соединения имеют резьбу G 1” для повышения пропускной способности. Клапан также оснащен портом G ¼” для датчика давления. Пневматический порт подключается с помощью 6-мм пневматических трубок.
Гидрораспределители версии TNK могут быть установлены непосредственно на масляном баке с помощью монтажного комплекта, поставляемого с клапаном, и наиболее популярны для самосвалов.
| Макс. пропускная способность | 220 л/мин |
| Макс. рабочее давление | 170 бар |
| Пневматическое пилотное давление | 6-12 бар |
| Вес | 6.1 кг |
| Порт для насоса (P) | G 1" |
| Порт для бака (T1) | G 1/2" |
| Альтернативный порт для бака (T2) | G 1" |
| Порт для цилиндра (C) | G 1" |
| Минимальная фильтрация | 25 мкм |
| Диапазон вязкости мин / макс | 12 / 100 мм²/с (сСт) |
| Максимальная начальная вязкость | 1500 мм²/с (сСт) |
| Диапазон температуры | от -40 до +80 °C |
| Спецификации и размеры |

Hydromarket — официальный . Полный ассортимент. Максимальный сервис. Крупнейший гипермаркет HYVA в Украине!
Почему Hydromarket — №1 в Украине?
Всё для гидравлики в одном месте. Быстро. Качественно. С гарантией.
Купить гидрораспределитель HYVA HT-TNK-1220-170-P1" в Гидромаркете — значит убедиться в качественном и длительном функционировании с гарантийным сроком.
Мы предоставляем:
Hydromarket — Ваш надёжный поставщик высококачественной техники.
Western Union, MoneyGramm, Contact
Если клиент находится за пределами Украины и готов сделать предоплату международным денежным переводом.
WebMoney, PayPal, Yandex Деньги
Если клиент находится за пределами Украины и имеет возможность осуществить оплату в виде электронного платежа - мы принимаем деньги на любые электронные кошельки.
Безналичный расчёт
Возможен безналичный расчет с полным документальным сопровождением.
Наличный расчёт
Оплата наличными возможна в случае самовывоза.
Наложенный платеж
При пересылке "Новой почтой" возможна оплата наложенным платежом, т.е., при получении покупателем своего заказа.
Новая Почта
Самовывоз
Мы работаем с пн-пт с 8:30 до 19:00, сб 10:00-16:00. Наш офис находится по адресу Киев, Вишневое, ул.Чорновола 2а. Вы сможете приехать, лично проверить товар и в случае необходимости установить его на нашем СТО.
Интайм
Служба доставки грузов по Украине. Стоимость доставки можно рассчитать на сайте перевозчика intime.ua
Деливери
Доставка грузов по Украине. Расчет стоимости доставки можно произвести на сайте перевозчика delivery-auto.com
Передать попутной машиной
Одним из бюджетных вариантов доставки товара за границу является отправка его с попутным авто. Мы найдем попутный автомобиль и передадим вам товар с водителем.
Договориться о встрече в Киеве
Стоимость доставки 1 грн.Мы можем предварительно договориться о встрече в городе и пересечься в удобное для вас и нас время. Бесплатно.
Международные перевозчики
ПониЭкспресс, BinExpress, UkrCargo, DHL, Dimex, Express-dostavka и любыми удобными для вас международными перевозчиками и согласно их тарификации. Доставка в среднем длится 3-5 дней.
Повернення і обмін
Відповідно до закону України «про захист прав споживачів» ви можете протягом 14 днів з моменту покупки повернути або обміняти товар, придбаний в магазині, за умови виконання всіх норм передбачених законом. Умови обміну / повернення товару належної якості стаття 9. Відповідно до закону України «про захист прав споживачів»: споживач має право обміняти непродовольчий товар належної якості на аналогічний у продавця, у якого він був придбаний, якщо товар не задовольнив його за формою, габаритами, фасоном, кольором, розміром або з інших причин не може бути ним використаний за призначенням. Споживач має право на обмін товару належної якості протягом чотирнадцяти днів, не рахуючи дня покупки. споживач (термін вживається в такому значенні згідно статті 1. п.22 закону України «про захист прав споживачів») – фізична особа, яка купує, замовляє, використовує або має намір придбати чи замовити продукцію для особистих потреб, не пов’язаних з підприємницькою діяльністю або виконанням обов’язків найманого працівника. обмін або повернення товару належної якості провадиться: якщо не використовувався; якщо збережено його товарний вигляд, споживчі властивості, пломби, ярлики; на підставі розрахунковий документ, виданий споживачеві разом з проданим товаром. умови обміну / повернення товару неналежної якості стаття 8. Згідно із законом України «про захист прав споживачів»: в разі виявлення протягом встановленого гарантійного строку недоліків споживач, в порядку та в строки, встановлені законодавством, має право вимагати безоплатного усунення недоліків товару в розумний строк. вимоги споживача, передбачених цією статтею, не підлягають задоволенню, якщо продавець, виробник (підприємство, що задовольняє вимоги споживача, встановлені частиною першою цієї статті) доведуть, що недоліки товару виникли внаслідок порушення споживачем правил користування товаром або його зберігання. Споживач має право брати участь у перевірці якості товару особисто або через свого представника.