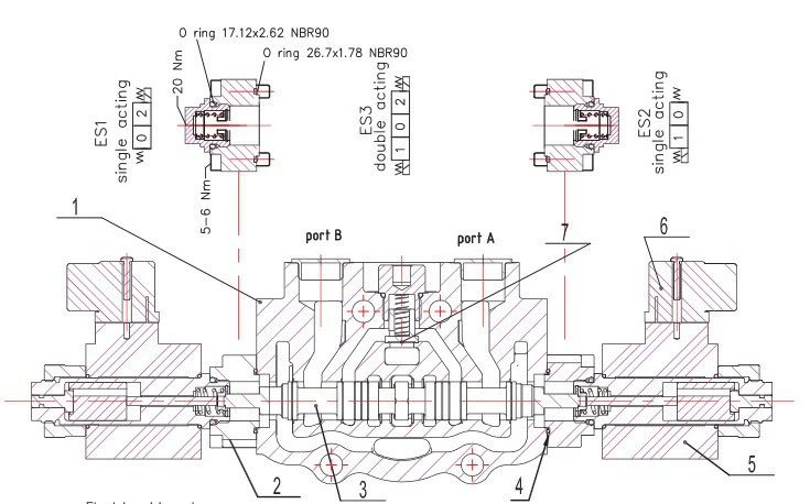
Направленный регулирующий клапан ZC70 представляет
собой вариант направляющего клапана PC70 - специального корпуса и
новых катушек. В этом варианте положение катушки,
расположенное над корпусом, расположено гораздо точнее, и благодаря
этому клапан имеет лучшую пропускную способность. Это
также подразумевает более точную диаграмму измерения.
Этот гидравлический клапан ZC70 может быть реализован с
прямым управлением соленоидами ON-OFF и сечением.
Монтаж: Монтаж аналогичен стандартным
секционным клапанам с использованием болтов M8 или комплектной
линейки шпилек.
Характеристики:
Модификация / макс. до 8
Максимум. Поток 70 л / мин
Внутренняя утечка A (B) -T, P = 120 бар вязкость 32 мм2 / с
20-40 см 3 / мин
Максимум. порт обратного давления T - 25
бар
Катушки, схемы двойного и одиночного действия;
Серии, тандем, параллельные
Температура жидкости -20C (время сортировки) до
80C
Катушки, разъем ISO 4400 12VDC, 24VDC
Нити - P, A, B - G1 / 2, SAE10 T - G3 / 4,
SAE12

При покупке товара у нас - скидка на установку на нашем СТО! Гарантия 12 месяцев!
Наличие уточняйте у менеджера!Western Union, MoneyGramm, Contact
Если клиент находится за пределами Украины и готов сделать предоплату международным денежным переводом.
WebMoney, PayPal, Yandex Деньги
Если клиент находится за пределами Украины и имеет возможность осуществить оплату в виде электронного платежа - мы принимаем деньги на любые электронные кошельки.
Безналичный расчёт
Возможен безналичный расчет с полным документальным сопровождением.
Наличный расчёт
Оплата наличными возможна в случае самовывоза.
Наложенный платеж
При пересылке "Новой почтой" возможна оплата наложенным платежом, т.е., при получении покупателем своего заказа.
Новая Почта
Самовывоз
Мы работаем с пн-пт с 8:30 до 19:00, сб 10:00-16:00. Наш офис находится по адресу Киев, Вишневое, ул.Чорновола 2а. Вы сможете приехать, лично проверить товар и в случае необходимости установить его на нашем СТО.
Интайм
Служба доставки грузов по Украине. Стоимость доставки можно рассчитать на сайте перевозчика intime.ua
Деливери
Доставка грузов по Украине. Расчет стоимости доставки можно произвести на сайте перевозчика delivery-auto.com
Передать попутной машиной
Одним из бюджетных вариантов доставки товара за границу является отправка его с попутным авто. Мы найдем попутный автомобиль и передадим вам товар с водителем.
Договориться о встрече в Киеве
Стоимость доставки 1 грн.Мы можем предварительно договориться о встрече в городе и пересечься в удобное для вас и нас время. Бесплатно.
Международные перевозчики
ПониЭкспресс, BinExpress, UkrCargo, DHL, Dimex, Express-dostavka и любыми удобными для вас международными перевозчиками и согласно их тарификации. Доставка в среднем длится 3-5 дней.
Повернення і обмін
Відповідно до закону України «про захист прав споживачів» ви можете протягом 14 днів з моменту покупки повернути або обміняти товар, придбаний в магазині, за умови виконання всіх норм передбачених законом. Умови обміну / повернення товару належної якості стаття 9. Відповідно до закону України «про захист прав споживачів»: споживач має право обміняти непродовольчий товар належної якості на аналогічний у продавця, у якого він був придбаний, якщо товар не задовольнив його за формою, габаритами, фасоном, кольором, розміром або з інших причин не може бути ним використаний за призначенням. Споживач має право на обмін товару належної якості протягом чотирнадцяти днів, не рахуючи дня покупки. споживач (термін вживається в такому значенні згідно статті 1. п.22 закону України «про захист прав споживачів») – фізична особа, яка купує, замовляє, використовує або має намір придбати чи замовити продукцію для особистих потреб, не пов’язаних з підприємницькою діяльністю або виконанням обов’язків найманого працівника. обмін або повернення товару належної якості провадиться: якщо не використовувався; якщо збережено його товарний вигляд, споживчі властивості, пломби, ярлики; на підставі розрахунковий документ, виданий споживачеві разом з проданим товаром. умови обміну / повернення товару неналежної якості стаття 8. Згідно із законом України «про захист прав споживачів»: в разі виявлення протягом встановленого гарантійного строку недоліків споживач, в порядку та в строки, встановлені законодавством, має право вимагати безоплатного усунення недоліків товару в розумний строк. вимоги споживача, передбачених цією статтею, не підлягають задоволенню, якщо продавець, виробник (підприємство, що задовольняє вимоги споживача, встановлені частиною першою цієї статті) доведуть, що недоліки товару виникли внаслідок порушення споживачем правил користування товаром або його зберігання. Споживач має право брати участь у перевірці якості товару особисто або через свого представника.