
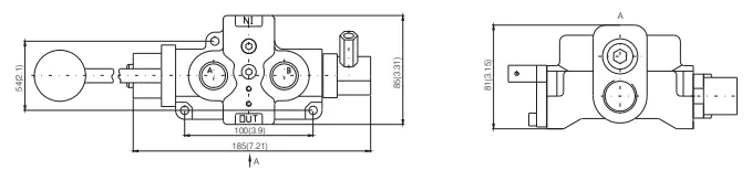
Гидрораспределитель типа MRP70 имеет функции 4-ходового распределительного клапана, регулирующего полный диапазон давления, клапана регулирования расхода байпасного типа с компенсацией давления, и пилотного предохранительного клапана в одном компактном корпусе.
Меньше фитингов и прокладок устраняет места утечки. Точное измерение возможно в любом направлении с помощью одного ручного, бесступенчатого управления рычагом как за направлением, так и объемом потока. Количество потока пропорционально движению рычага.
Поток постоянен независимо от перепадов давления, поэтому поток из рабочего отверстия остается плавным и постоянным независимо от изменений в условиях нагрузки.
|
Номинальный расход рабочей жидкости |
70 л/мин. |
|
Кинематическая вязкость рабочей среды |
15-300 cSt |
|
Температура рабочей жидкости |
от -20°С до +80°С |
|
Тонкость фильтрации |
0,025 мм |
|
Максимальное рабочее давление |
210 bar |
|
Производитель |
Caproni |
На все моноблочные гидрораспределители в нашем магазине предоставляется гарантия 12 месяцев. Заказать продукцию производителей Badestnost и Caproni вы можете по телефонам, указанным на сайте.
Также выполняем изготовление рукавов высокого давления, оказываем услуги по ремонту РВД, реализуем промышленные рукава и шланги от австрийской компании Semperit.
Безналичный расчёт
Наличный расчёт
Повернення і обмін
Відповідно до закону України «про захист прав споживачів» ви можете протягом 14 днів з моменту покупки повернути або обміняти товар, придбаний в магазині, за умови виконання всіх норм передбачених законом. Умови обміну / повернення товару належної якості стаття 9. Відповідно до закону України «про захист прав споживачів»: споживач має право обміняти непродовольчий товар належної якості на аналогічний у продавця, у якого він був придбаний, якщо товар не задовольнив його за формою, габаритами, фасоном, кольором, розміром або з інших причин не може бути ним використаний за призначенням. Споживач має право на обмін товару належної якості протягом чотирнадцяти днів, не рахуючи дня покупки. споживач (термін вживається в такому значенні згідно статті 1. п.22 закону України «про захист прав споживачів») – фізична особа, яка купує, замовляє, використовує або має намір придбати чи замовити продукцію для особистих потреб, не пов’язаних з підприємницькою діяльністю або виконанням обов’язків найманого працівника. обмін або повернення товару належної якості провадиться: якщо не використовувався; якщо збережено його товарний вигляд, споживчі властивості, пломби, ярлики; на підставі розрахунковий документ, виданий споживачеві разом з проданим товаром. умови обміну / повернення товару неналежної якості стаття 8. Згідно із законом України «про захист прав споживачів»: в разі виявлення протягом встановленого гарантійного строку недоліків споживач, в порядку та в строки, встановлені законодавством, має право вимагати безоплатного усунення недоліків товару в розумний строк. вимоги споживача, передбачених цією статтею, не підлягають задоволенню, якщо продавець, виробник (підприємство, що задовольняє вимоги споживача, встановлені частиною першою цієї статті) доведуть, що недоліки товару виникли внаслідок порушення споживачем правил користування товаром або його зберігання. Споживач має право брати участь у перевірці якості товару особисто або через свого представника.