Каталог товаров

Гидроцилиндры B1.310 Roemheld

нет в наличии
код: B1.310
17 399,88 грн. /шт
Регион: Украина, Киевская обл., Киев
Написать продавцу
Проверенный поставщик
На Агробиз
9 Лет
Время ответа:
более суток
Описание товара

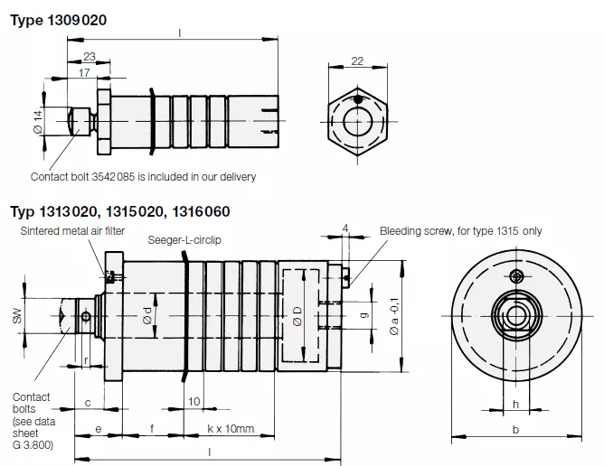
Универсальный зажимной цилиндр серии B1.310 

Техническая спецификация:

  • Односторонний с пружинным возвратом;
  • Максимум. рабочее давление 200/500 бар

Технические данные: 

  • Диаметр поршня: 10 .. 50 мм;
  • Диаметр стержня: 6 .. 32 мм;
  • Ход: 20 .. 50 мм;
  • Макс. сила нажатия: 3,7 .. 39 кН.

Китайская техника на сегодняшний день конкурирует по качеству, срокам производства и цене с крупнейшими мировыми производителями. Причем по ценам китайская продукция, оказывается, гораздо выгоднее товаров из других стран.

Так, в КНР работают множество заводов, выпускающих лицензионную технику и налажен выпуск и собственных аналогов, которые по качеству не уступают оригиналам. В Китае производится строительная, дорожная, и другая спецтехника. Среди них погрузчики, самосвалы, экскаваторы на колесном и гусеничном ходу, бульдозеры, автокраны, а также гидравлическое оборудование для них.

Наша компания продает гидроцилиндры высшего качества. Наши товары защищены сертификатами качества  и имеют гарантию. Покупая новый товар, Вы себе обеспечиваете работу гидроцилиндра на долгий срок. Покупая гидроцилиндр, Вы получаете товар с гарантийным сроком и уверенность в работоспособности гидроцилиндра завтра!

- Наши менеджеры проконсультируют и помогут подобрать товар именно для вас.

- Осуществляем доставку в любой город Украины. Также отправим Вам товар в Европу и другие страны.

- Предоставляем гарантию 12 месяцев на товар.

Наличие уточняйте у менеджера!

читать дальше свернуть
Характеристики
Состояние
Новое
Бренд
Roemheld
Гарантийный срок (мес), мес
12
Ответственный человек
Марина Келюх
читать дальше свернуть
Варианты оплаты

Western Union, MoneyGramm, Contact
Если клиент находится за пределами Украины и готов сделать предоплату международным денежным переводом.

WebMoney, PayPal, Yandex Деньги
Если клиент находится за пределами Украины и имеет возможность осуществить оплату в виде электронного платежа - мы принимаем деньги на любые электронные кошельки.

Безналичный расчёт
Возможен безналичный расчет с полным документальным сопровождением.

Наличный расчёт
Оплата наличными возможна в случае самовывоза.

Наложенный платеж
При пересылке "Новой почтой" возможна оплата наложенным платежом, т.е., при получении покупателем своего заказа.

Варианты доставки

Новая Почта

Самовывоз
Мы работаем с пн-пт с 8:30 до 19:00, сб 10:00-16:00. Наш офис находится по адресу Киев, Вишневое, ул.Чорновола 2а. Вы сможете приехать, лично проверить товар и в случае необходимости установить его на нашем СТО.

Интайм
Служба доставки грузов по Украине. Стоимость доставки можно рассчитать на сайте перевозчика intime.ua

Деливери
Доставка грузов по Украине. Расчет стоимости доставки можно произвести на сайте перевозчика delivery-auto.com

Передать попутной машиной
Одним из бюджетных вариантов доставки товара за границу является отправка его с попутным авто. Мы найдем попутный автомобиль и передадим вам товар с водителем.

Договориться о встрече в Киеве
Стоимость доставки 1 грн.Мы можем предварительно договориться о встрече в городе и пересечься в удобное для вас и нас время. Бесплатно.

Международные перевозчики
ПониЭкспресс, BinExpress, UkrCargo, DHL, Dimex, Express-dostavka и любыми удобными для вас международными перевозчиками и согласно их тарификации. Доставка в среднем длится 3-5 дней.

Повернення і обмін
Відповідно до закону України «про захист прав споживачів» ви можете протягом 14 днів з моменту покупки повернути або обміняти товар, придбаний в магазині, за умови виконання всіх норм передбачених законом. Умови обміну / повернення товару належної якості стаття 9. Відповідно до закону України «про захист прав споживачів»: споживач має право обміняти непродовольчий товар належної якості на аналогічний у продавця, у якого він був придбаний, якщо товар не задовольнив його за формою, габаритами, фасоном, кольором, розміром або з інших причин не може бути ним використаний за призначенням. Споживач має право на обмін товару належної якості протягом чотирнадцяти днів, не рахуючи дня покупки. споживач (термін вживається в такому значенні згідно статті 1. п.22 закону України «про захист прав споживачів») – фізична особа, яка купує, замовляє, використовує або має намір придбати чи замовити продукцію для особистих потреб, не пов’язаних з підприємницькою діяльністю або виконанням обов’язків найманого працівника. обмін або повернення товару належної якості провадиться: якщо не використовувався; якщо збережено його товарний вигляд, споживчі властивості, пломби, ярлики; на підставі розрахунковий документ, виданий споживачеві разом з проданим товаром. умови обміну / повернення товару неналежної якості стаття 8. Згідно із законом України «про захист прав споживачів»: в разі виявлення протягом встановленого гарантійного строку недоліків споживач, в порядку та в строки, встановлені законодавством, має право вимагати безоплатного усунення недоліків товару в розумний строк. вимоги споживача, передбачених цією статтею, не підлягають задоволенню, якщо продавець, виробник (підприємство, що задовольняє вимоги споживача, встановлені частиною першою цієї статті) доведуть, що недоліки товару виникли внаслідок порушення споживачем правил користування товаром або його зберігання. Споживач має право брати участь у перевірці якості товару особисто або через свого представника.

читать дальше свернуть
Покупатели этого товара также интересовались
код: 0А-49514
17 257,11 грн. /шт
в наличии
-26%
код: 0А-47216
2 001,69 грн. 1 488,43 грн. /шт
в наличии
код: 0А-49514
17 257,11 грн. /шт
в наличии
код: 82991210
17 399,88 грн. /шт
в наличии
код: 0А-22907
7 394,95 грн. /шт
в наличии
код: 203513
30 449,79 грн. /шт
в наличии

Вы просматривали

Сейчас ищут

Спецрахунок НБУ
Фонд "Повернись живим"
Фонд Сергія Притули
Пока не зарегистрированы?
Регистрация
Уже зарегистрированы? Войти
Уже зарегистрированы? Войти