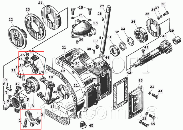
Хомут броypовый пускового двигателя П-23У Т-130/170, 7326СП

| № | Код | Наименование |
| 1 | Болт М8х55.88.35.019 | |
| 2 | 17-73-47 | Хомут |
| 3 | 7315-1 | Муфта включения |
| 4 | 7316 | Защелка |
| 5 | 3874 | Пружина |
| 6 | 516 | Кнопка |
| 7 | 7310 | Крестовина |
| 8 | 7312 | Палец |
| 9 | Шплинт 2,5х16.019 | Шплинт 2,5х16.019 |
| 10 | 7311-1 | Кулачок |
| 11 | 7314 | Палец |
| 12 | Шплинт 2х12.019 | |
| 13 | 7313 | Серьга |
| 14 | 17-73-46 | Хомут |
| 15 | 31103-1 | Шайба стопорная |
| 16 | Гайка М8.6.019 | Гайка М8.6.019 |
| 17 | 74102 | Вилка |
| 18 | 40954 | Прокладка |
| 19 | 17-73-20-1 | Корпус |
| 20 | Болт М10х30.58.019 | |
| 21 | Шайба 10 ОТ 65Г 09 | |
| 22 | 736 | Диск неподвижный |
| 23 | 738-4СП | Диск |
| 24 | 739 | Диск нажимной |
| 25 | Болт М10х25.58.019 | |
| 26 | 17-73-13 | Крышка |
| 27 | 17-73-35 | Ось |
| 28 | 3432 | Шпонка |
| 29 | 41265СП | Масленка |
| 30 | 700-32-2196 | Штифт |
| 31 | 40257СП | Сальник |
| 32 | 700-30-2305 | Гайка |
| 33 | 700-31-2566 | Шайба |
| 34 | Подшипник 208К | |
| 35 | 73105 | Крышка |
| 36 | 700-31-2574 | Шайба |
| 37 | Шайба 8Т 65Г 09 | |
| 38 | Болт М8х25.88.35.019 | |
| 39 | 7323-1 | Втулка |
| 40 | 735 | Вал |
| 41 | 7325 | Палец стопорный |
| 42 | 40235 | Прокладка |
| 43 | 73103 | Крышка люка |
| 44 | Болт М10х22.58.019 | |
| 45 | 379 | Пробка |
| 46 | 700-58-2526 | Кольцо |
Онлайн оплата
Безналичный расчёт
Наличный расчёт
Наложенный платеж
Предоплата
Новая Почта(отделение)
Новая Почта(курьер)
САТ
Деливери
Самовывоз
Повернення і обмін
Відповідно до закону України «про захист прав споживачів» ви можете протягом 14 днів з моменту покупки повернути або обміняти товар, придбаний в магазині, за умови виконання всіх норм передбачених законом. Умови обміну / повернення товару належної якості стаття 9. Відповідно до закону України «про захист прав споживачів»: споживач має право обміняти непродовольчий товар належної якості на аналогічний у продавця, у якого він був придбаний, якщо товар не задовольнив його за формою, габаритами, фасоном, кольором, розміром або з інших причин не може бути ним використаний за призначенням. Споживач має право на обмін товару належної якості протягом чотирнадцяти днів, не рахуючи дня покупки. споживач (термін вживається в такому значенні згідно статті 1. п.22 закону України «про захист прав споживачів») – фізична особа, яка купує, замовляє, використовує або має намір придбати чи замовити продукцію для особистих потреб, не пов’язаних з підприємницькою діяльністю або виконанням обов’язків найманого працівника. обмін або повернення товару належної якості провадиться: якщо не використовувався; якщо збережено його товарний вигляд, споживчі властивості, пломби, ярлики; на підставі розрахунковий документ, виданий споживачеві разом з проданим товаром. умови обміну / повернення товару неналежної якості стаття 8. Згідно із законом України «про захист прав споживачів»: в разі виявлення протягом встановленого гарантійного строку недоліків споживач, в порядку та в строки, встановлені законодавством, має право вимагати безоплатного усунення недоліків товару в розумний строк. вимоги споживача, передбачених цією статтею, не підлягають задоволенню, якщо продавець, виробник (підприємство, що задовольняє вимоги споживача, встановлені частиною першою цієї статті) доведуть, що недоліки товару виникли внаслідок порушення споживачем правил користування товаром або його зберігання. Споживач має право брати участь у перевірці якості товару особисто або через свого представника.