Каталог товаров

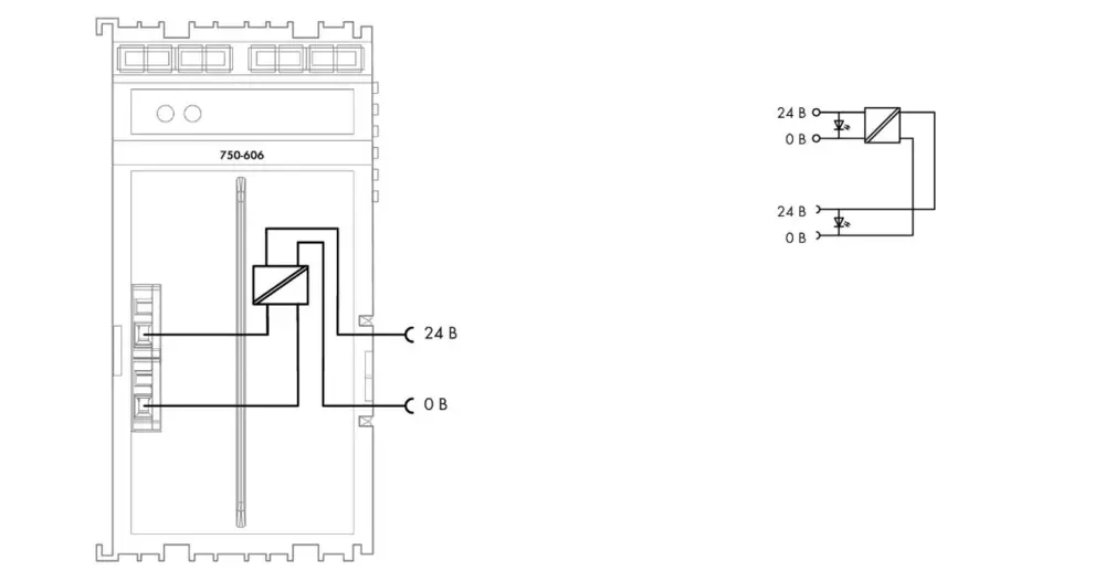
Искробезопасный модуль питания, 750-606

в наличии
код: № позиции 750-606
0,00 грн.
Онлайн оплата
Регион: Украина, Киевская обл., Киев
Написать продавцу
Проверенный поставщик
На Агробиз
4 Года
Время ответа:
более суток
Описание товара

Модуль питания  750-606 используют для снабжения энергией модули Ex i серии 75. Также модуль отделяет искробезопасную секцию от неискробезопасной и осуществляет мониторинг энергоснабжения сегмента Ex i на стороне нагрузки.

От модуля питания можно получить макисмальный ток 1,0 А. Для сегментов с конфигурацией Ex-i необходимо следить за значением тока оно не должно превышать значение полного тока.

При коротком замыкании или перегрузке система мониторинга отключает выходное напряжение автоматически. Подача напряжения возобновляется через 10 секунд.

Модуль имеет индикаторы, отображающие состояние входного и выходного напряжения (доступно/недоступно) — зелёный и красный соответственно.

Технические данные модуля ввода Wago 750 (фильтр 750-606)

Предохранитель электронный
Потребляемая мощность Pмакс. 29 Вт
Битовая ширина 2 бита (сбой входного напряжения, сработал предохранитель)
Искробезопасность Ex i yes
System supply voltage DC 5 V; via data contacts
Current consumption, system supply (5 V) 7,5 mA
Field supply voltage DC 24 V (-25 … +30 %); (adjacent Ex i modules are supplied with UO = max. 27.3 V); via power jumper contacts (power supply via CAGE CLAMP® connection; transmission via spring contact)
Потери мощности PV < 5 Вт
Number of outgoing power jumper contacts 2
Current carrying capacity of the power jumper contacts 1 A
Руководство ATEX EN/IEC 60079-0, -7, -11, -26, -31
Источник питания, ввод Un = 24 VDC (-25 % … +30 %); Pmax = 29 W; Um = 253 V
Источник питания, вывод Uo = 27.3 V (intrinsically safe output voltage acc. to type of protection ia); In = 1 A
Маркировка ATEX, IECEx, INMETRO, Underwriters Laboratories Inc.

Данные соединения

Connection technology: field supply 2 x CAGE CLAMP®
Connection type (1) Field supply
Размеры одножильных проводников 0,08 … 1,5 mm² / 28 … 14 AWG
Тонкие многожильные проводники 0,08 … 1,5 mm² / 28 … 14 AWG
Длина снятия изоляции 5 … 6 mm / 0.2 … 0.24 inch

Geometrical Data

Ширина 48 mm / 1.89 inch
Высота 70,9 mm / 2.791 inch
Высота от верхнего края DIN-рейки 63,7 mm / 2.508 inch
Длина 100 mm / 3.937 inch

Механические данные

Тип монтажа DIN-рейка 35 мм

Material Data

Цвет светло-серые
материал корпуса Polycarbonate, polyamide 6.6
Пожарная нагрузка 2,49 MJ
Вес 167,5 g
Маркировка соответствия CE

Environmental Requirements

Surrounding air (operating) temperature 0 … 55 °C
Surrounding air (storage) temperature -40 … 85 °C
Степень защиты IP20
Степень загрязнения (5) 2 per IEC 61131-2
Рабочая высота 0 … 2000 m
Монтажное положение horizontal (standing/lying) or vertical
Относительная влажность воздуха (без конденсации) 95 %
Виброустойчивость 4g per IEC 60068-2-6
Ударопрочность 15g per IEC 60068-2-27
ЭМС - помехоустойчивость acc. to EN 61000-6-2, marine applications
ЭМС - излучение помех acc. to EN 61000-6-3, marine applications
Устойчивость к воздействию загрязняющих веществ Per IEC 60068-2-42 and IEC 60068-2-43
Permissible H2S contaminant concentration at a relative humidity 75 % 10 ppm
Permissible SO2 contaminant concentration at a relative humidity 75 % 25 ppm
 
читать дальше свернуть
Характеристики
Варианты оплаты

Безналичный расчёт

Онлайн оплата

Наличный расчёт

Варианты доставки

Новая Почта(курьер)

Повернення і обмін
Відповідно до закону України «про захист прав споживачів» ви можете протягом 14 днів з моменту покупки повернути або обміняти товар, придбаний в магазині, за умови виконання всіх норм передбачених законом. Умови обміну / повернення товару належної якості стаття 9. Відповідно до закону України «про захист прав споживачів»: споживач має право обміняти непродовольчий товар належної якості на аналогічний у продавця, у якого він був придбаний, якщо товар не задовольнив його за формою, габаритами, фасоном, кольором, розміром або з інших причин не може бути ним використаний за призначенням. Споживач має право на обмін товару належної якості протягом чотирнадцяти днів, не рахуючи дня покупки. споживач (термін вживається в такому значенні згідно статті 1. п.22 закону України «про захист прав споживачів») – фізична особа, яка купує, замовляє, використовує або має намір придбати чи замовити продукцію для особистих потреб, не пов’язаних з підприємницькою діяльністю або виконанням обов’язків найманого працівника. обмін або повернення товару належної якості провадиться: якщо не використовувався; якщо збережено його товарний вигляд, споживчі властивості, пломби, ярлики; на підставі розрахунковий документ, виданий споживачеві разом з проданим товаром. умови обміну / повернення товару неналежної якості стаття 8. Згідно із законом України «про захист прав споживачів»: в разі виявлення протягом встановленого гарантійного строку недоліків споживач, в порядку та в строки, встановлені законодавством, має право вимагати безоплатного усунення недоліків товару в розумний строк. вимоги споживача, передбачених цією статтею, не підлягають задоволенню, якщо продавець, виробник (підприємство, що задовольняє вимоги споживача, встановлені частиною першою цієї статті) доведуть, що недоліки товару виникли внаслідок порушення споживачем правил користування товаром або його зберігання. Споживач має право брати участь у перевірці якості товару особисто або через свого представника.

читать дальше свернуть
Покупатели этого товара также интересовались
ТОП
продажи
код: № позиции 750-348
5 400,00 грн. /шт
в наличии
ТОП
продажи
код: № позиции 750-667/000-003
500,00 грн. /шт
в наличии
ТОП
продажи
код: Wago 759-911 WAGO-I/O-SYSTEM 7
2,00 грн. /шт
в наличии
ТОП
продажи
код: 750-438
500,00 грн. /шт
в наличии
ТОП
продажи
код: 853048436
5 400,00 грн. /шт
в наличии
ТОП
продажи
код: 243-211
10,00 грн. /шт
в наличии
ТОП
продажи
код: 243-212
10,00 грн. /шт
в наличии
ТОП
продажи
код: № позиции 2002-1404
10,00 грн. /шт
в наличии
ТОП
продажи
код: № позиции 285-635
10,00 грн. /шт
в наличии
ТОП
продажи
код: № позиции 284-621
10,00 грн. /шт
в наличии
ТОП
продажи
код: № позиции 2000-2141
10,00 грн. /шт
в наличии
код: № позиции 281-611/281-541
10,00 грн. /шт
в наличии

Вы просматривали

Сейчас ищут

Спецрахунок НБУ
Фонд "Повернись живим"
Фонд Сергія Притули
Пока не зарегистрированы?
Регистрация
Уже зарегистрированы? Войти
Уже зарегистрированы? Войти