

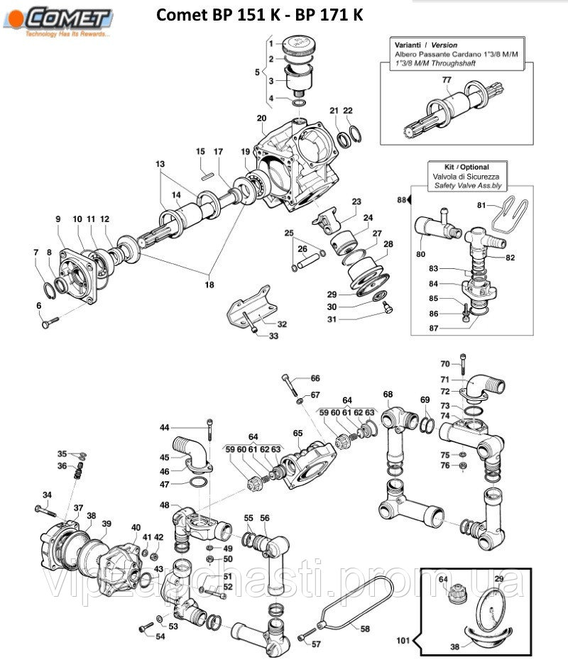
| 1 - 0402 0143 - Volum. Compensator Cover - 1 |
| 2 - 1210 0373 - O-Ring Ø3,53x73,03 - 1 |
| 3 - 0421 0012 - Volum. Compensator - 1 |
| 4 - 1210 0002 - O-Ring Ø2,62x20,7 - 1 |
| 5 - 1208 0015 - Volumetric Compensator - 1 |
| 6 - 3607 0220 - Hexagonal Screw - M10x30 - 4 |
| 7 - 3020 0009 - Inner Seeger - Ø47 - 1 |
| 8 - 0019 0083 - Oil Seal - Ø35x47x7 - 1 |
| 9 - 0405 0067 - Support Cover - 1 |
| 10 - 1210 0345 - O-Ring - Ø1,78x101,32 - 1 |
| 11 - 0438 0094 - Ball Bearing - Ø35x80x21 -3 1 |
| 12 - 0601 0132 - Spacer - Ø35xØ48x18 - 1 |
| 13 - 0010 0020 - Connecting Rod Ring - Ø80x68 - 2 |
| 14 - 0001 0402 - Throughshaft - 1”3/8-Ø30 Cil. - 1 |
| 15 - 1602 0018 - Key - 8x7x40 - 1 |
| 17 - 0601 0134 - Spacer - Ø35xØ44x10 - 1 |
| 18 - 2813 0036 - Connecting Rod Washer - 2 |
| 19 - 0438 0094 - Ball Bearing - Ø35x80x21 - 1 |
| 20 - 0403 0118 - Pump Crankcase - 1 |
| 21 - 0019 0083 - Oil Seal - Ø35x47x7 - 1 |
| 22 - 3020 0009 - Inner Seeger - Ø47 - 1 |
| 23 - 0205 0038 - Connecting Rod Ass.y - 1 |
| 24 - 2409 0081 - Piston - Ø75 - 4 - BP171K |
| 24 - 2409 0096 - Piston - Ø70 - 4 - BP151K |
| 25 - 3020 0001 - Inner Seeger - Ø15 - 8 |
| 26 - 3011 0001 - Gudgeon Pin - Ø15x53 - 4 |
| 27 - 0020 0009 - Compression Ring - Ø75 - 4 - BP171K |
| 27 - 0020 0001 - Compression Ring - Ø70 - 4 - BP151K |
| 28 - 0400 0077 - Piston Sleeve - Ø75 - 4 - BP171K |
| 28 - 0400 0088 - Piston Sleeve - Ø70 4 - BP151K |
| 29 - 1800 0002 - Diaphragm - Gomma Nitrilica Buna Rubber - 4 |
| 29 - 1800 0178 - Diaphragm Desmopan ® - 4 |
| 29 - 1800 0032 - Diaphragm Viton ® - 4 |
| 30 - 0602 0045 - Disc - 4 |
| 31 - 3605 0005 - Diaphragm Holder Screw - M12x1,5 4 |
| 32 - 2400 0064 - Pump Mounting Bracket - 2 |
| 33 - 3609 0192 - Screw - M10x50 - 4 |
| 34 - 3607 0223 - Hexagonal Screw - M10x65 - 4 |
| 35 - 1209 0033 - Gasket Ø14x7,5x2 - 2 |
| 36 - 3610 0003 - Air Valve - 1 |
| 37 - 0003 0030 - Pressure Accumulator - Arancione / Orange - 1 - BP171K |
| 37 0003 0015 - Pressure Accumulator - 1 - BP151K |
| 38 - 1800 0034 - Diaphragm - 1 |
| 39 - 0460 0036 - Diaphragm Support Cap - 1 |
| 40 - 0002 0024 - Pressure Accumulator - 1 |
| 41 - 2811 0098 - Washer - Ø10,5x18x2 - 4 |
| 42 - 0604 0105 - Nut - M10 - 4 |
| 43 - 1210 0185 - O-Ring - Ø4,0x38 - 1 |
| 44 - 3609 0156 - Screw - M8x55 - 2 |
| 45 - 2801 0032 - Elbow Coupling - Ø25 - 1 |
| 46 - 2404 0108 - Hose Tail Fixing Plate - 1 |
| 47 - 1210 0180 - O-Ring - Ø3x29 - 1 |
| 48 - 3214 0039 - Delivery Hose - 2 |
| 49 - 2811 0099 - Washer - Ø8,4x15x1,6 - 4 |
| 50 - 0604 0107 - Nut - M8 - 2 |
| 51 - 2811 0099 - Washer - Ø8,4x15x1,6 - 1 |
| 52 - 3609 0156 - Screw M8x55 - 2 |
| 53 - 2811 0099 - Washer - Ø8,4x15x1,6 - 4 |
| 54 - 3609 0162 - Screw - M8x40 - 4 |
| 55 - 1210 0011 - O-Ring - Ø3,0x36 - 8 |
| 56 - 3214 0038 - Delivery Hose - 2 |
| 57 - 3609 0163 - Screw - M10x40 - 4 |
| 58 - 0418 0040 - U-Bolt - 4 |
| 59 - 1205 0034 - Suct./Deliv. Valve Cage - 8 |
| 60 - 1802 0255 - Spring - 8 |
| 61 - 3604 0009 - Suction/Delivery Valve - 8 |
| 62 - 3009 0022 - Suct./Deliv. Valve Seat - 8 |
| 63 - 1210 0419 - O-Ring - Ø6x37x49 - 8 |
| 64 - 1220 0046 - Suct./Del. Valve Ass.y kit - 8 |
| 65 - 3218 0123 - Pump Manifold - 4 |
| 66 - 3609 0192 - Screw - M10x50 - 12 |
| 67 - 2811 0098 - Washer - Ø10,5x18x2 - 12 |
| 68 - 3214 0038 - Delivery Hose - 3 |
| 69 - 1210 0011 - O-Ring - Ø3,0x36 - 8 |
| 70 - 3609 0140 - Screw - M8x55 INOX - 2 |
| 71 - 2801 0055 - Elbow Coupling - Ø40 - 1 |
| 72 - 2404 0108 - Hose Tail Fixing Plate - 1 |
| 73 - 1210 0180 - O-Ring - Ø3x29 - 1 |
| 74 - 3214 0039 - Delivery Hose - 1 |
| 75 - 2811 0099 - Washer - Ø8,4x15x1,6 - 4 |
| 76 - 0604 0107 - Nut - M8 - 2 |
| Version |
| 77 - 0001 0412 - Throughshaft - 1”3/8 M - 1”3/8 M - 1 |
| Optional |
| 80 - 1219 0043 - Safety Valve - 20 Bar 100-200L - 1 |
| 81 - 1202 0060 - Delivery Hook - 1 |
| 82 - 2803 0356 - Safety Valve Coupling - Ø25 - G1/2” - 1 |
| 83 - 1210 0002 - O-Ring - Ø2,62X 20,7 - 2 |
| 84 - 2803 0334 - Special Coupling - 1 |
| 85 - 3609 0159 - Screw - M8x50 - 2 |
| 86 - 2811 0099 - Washer Ø8,4x15x1,6 - 2 |
| 87 - 1210 0180 - O-Ring - Ø3,0X29 - 1 |
| 88 - 2803 0364 - Safety Valve Kit - 20 Bar 100-200L - 1 |
| Maintenance Kit |
| 101 - 5026 0145 - Ordinary Maintenance Kit - 1 |
Безналичный расчёт
Наличный расчёт
Наложенный платеж
Предоплата
Новая Почта
Самовывоз
Интайм
Автолюкс
Гюнсел
Ночной Экспресс
Повернення і обмін
Відповідно до закону України «про захист прав споживачів» ви можете протягом 14 днів з моменту покупки повернути або обміняти товар, придбаний в магазині, за умови виконання всіх норм передбачених законом. Умови обміну / повернення товару належної якості стаття 9. Відповідно до закону України «про захист прав споживачів»: споживач має право обміняти непродовольчий товар належної якості на аналогічний у продавця, у якого він був придбаний, якщо товар не задовольнив його за формою, габаритами, фасоном, кольором, розміром або з інших причин не може бути ним використаний за призначенням. Споживач має право на обмін товару належної якості протягом чотирнадцяти днів, не рахуючи дня покупки. споживач (термін вживається в такому значенні згідно статті 1. п.22 закону України «про захист прав споживачів») – фізична особа, яка купує, замовляє, використовує або має намір придбати чи замовити продукцію для особистих потреб, не пов’язаних з підприємницькою діяльністю або виконанням обов’язків найманого працівника. обмін або повернення товару належної якості провадиться: якщо не використовувався; якщо збережено його товарний вигляд, споживчі властивості, пломби, ярлики; на підставі розрахунковий документ, виданий споживачеві разом з проданим товаром. умови обміну / повернення товару неналежної якості стаття 8. Згідно із законом України «про захист прав споживачів»: в разі виявлення протягом встановленого гарантійного строку недоліків споживач, в порядку та в строки, встановлені законодавством, має право вимагати безоплатного усунення недоліків товару в розумний строк. вимоги споживача, передбачених цією статтею, не підлягають задоволенню, якщо продавець, виробник (підприємство, що задовольняє вимоги споживача, встановлені частиною першою цієї статті) доведуть, що недоліки товару виникли внаслідок порушення споживачем правил користування товаром або його зберігання. Споживач має право брати участь у перевірці якості товару особисто або через свого представника.