Контроллер шагового привода Wago 750-672 - 70 В пост. тока; 7,5 A; светло-серые.
Представляет собой интеллектуальный контроллер шагового привода с установленным силовым приводом, предназначенным для управления 2-фазными шаговыми двигателями до 70 В / 7,5 А. 64-кратное масштабирование микрокоманд препятствует потере шагов из-за резонанса в фазе ускорения и препятствует чрезмерному износу механических частей. Регулируемые ограничения тока при останове, ускорении и постоянной скорости помогают минимизировать рассеяние мощности двигателя. шесть конфигурируемых входов для пуска/останова, концевого ограничения, начальной установки, толчкового/пошагового перемещения и т.п. могут непосредственно обрабатываться внутренним программным обеспечением без всякой задержки. Два выхода могут быть связаны с внутренними функциями или же использоваться свободно. Благодаря гибким возможностям, таким как позиционирование с различным линейным ускорением, использование таблиц команд, функция распределительного вала, автоматический опорный сигнал, и другим управляемым событиями характеристикам модуль подходит для широкого диапазона сфер применения. Интерфейс программирования одинаков для всех модулей контроллеров шаговых приводов WAGO.
Технические данные:
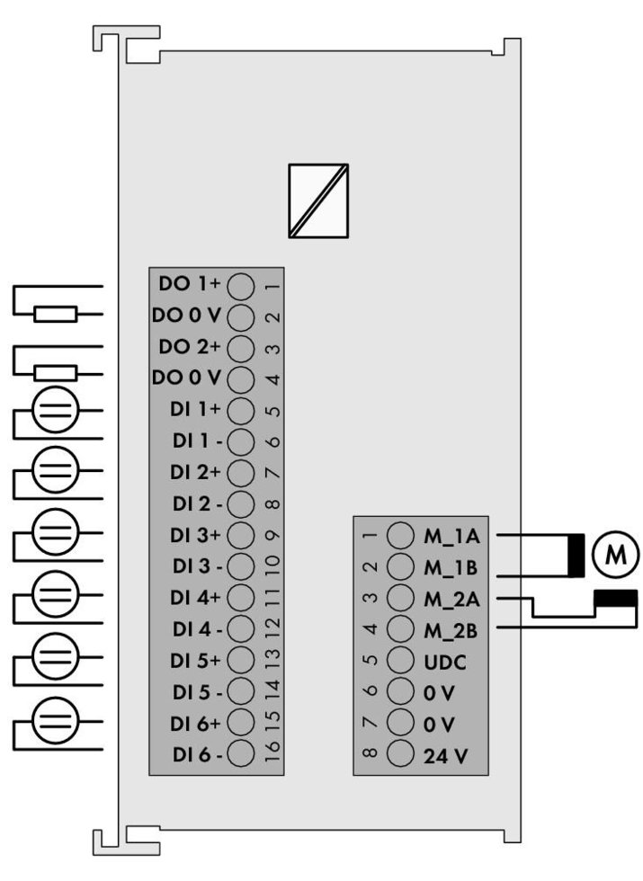
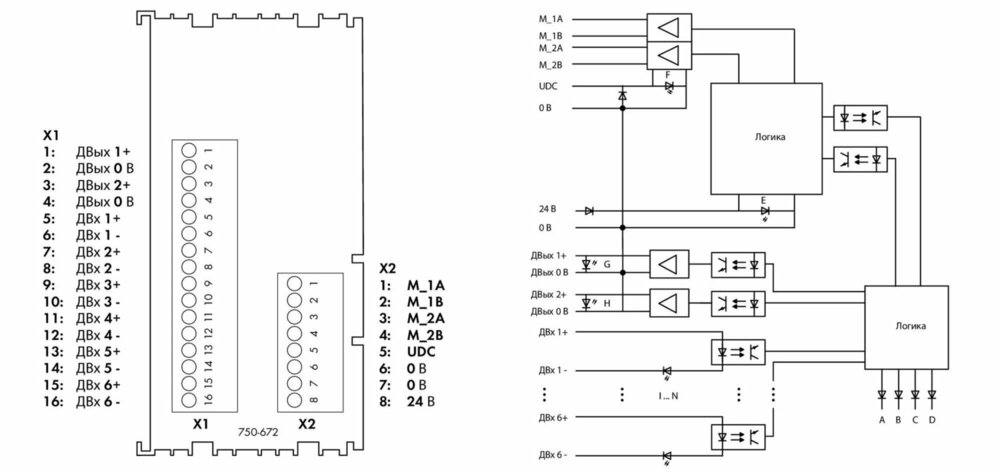
| Устройство | Входы (предустановки): ДВх 1: останов привода, ДВх 2: контрольный вход, ДВх 3: толчковый переключатель в положительном направлении, ДВх 4: толчковый переключатель в отрицательном направлении, ДВх 5: концевой выключатель в положительном направлении, ДВх 6: концевой выключатель в отрицательном направлении; выходы (предустановки): ДВых 1: цель достигнута, ДВых 2: ошибка. Входы и выходы могут быть произвольно переконфигурированы. |
Количество цифровых выходов 2.
| Количество выходов | 1 шаговый двигатель (2 фазы) |
| Входной фильтр | 100 мкс, может быть установлен программный фильтр |
| Входной ток (тип.) | 2,8 мA |
Выходной ток на канал 0,5 А
Частота переключения макс. 5 Гц; индуктивная нагрузка по
IEC947-5-1, DC13
Разрешение Степпер 23 бита + знаковый бит
Индуктивная нагрузка Lastart der Schaltfrequenz согласно
IEC947-5-1, DC13
Schrittfrequenz, Vollschritt max 7 812 Гц
Напряжение питания системы постоянного тока 5 В; через данные
контакты
Потребляемый ток, питание от сети (5 В) 70 мА.
Данные соединения:
Технология подключения: входы / выходы 24 x CAGE CLAMP®
Тип подключения (1) Входы / Выходы
Anschlussanforderung zulässige Leitungslänge 30 м
Требования к соединению (допустимый тип кабеля) Подключение
двигателя: экранированный
| Тонкие многожильные проводники | 0,08 … 1,5 mm² / 28 … 14 AWG |
| Длина снятия изоляции | 5 … 6 mm / 0.2 … 0.24 inch |
| Ширина | 48 mm / 1.89 inch |
| Высота | 69,8 mm / 2.748 inch |
| Высота от верхнего края DIN-рейки | 62,6 mm / 2.465 inch |
| Длина | 100 mm / 3.937 inch |
| Тип монтажа | DIN-рейка 35 мм |
| Цвет | светло-серые |
| материал корпуса | Polycarbonate, polyamide 6.6 |
| Вес | 175 g |
| Маркировка соответствия | CE |
Требования к окружающей среде:
Температура окружающего воздуха (рабочая) 0… 55 ° C
Температура окружающего воздуха (хранилища) -40… 85 ° С
Допустимая концентрация загрязнителя H2S при относительной
влажности 75% 10 ppm
Допустимая концентрация загрязнителя SO2 при относительной
влажности 75% 25 ppm
| Степень защиты | IP20 |
| Степень загрязнения (5) | 2 per IEC 61131-2 |
| Рабочая высота | 0 … 2000 m |

Безналичный расчёт
Онлайн оплата
Наличный расчёт
Новая Почта(курьер)
Повернення і обмін
Відповідно до закону України «про захист прав споживачів» ви можете протягом 14 днів з моменту покупки повернути або обміняти товар, придбаний в магазині, за умови виконання всіх норм передбачених законом. Умови обміну / повернення товару належної якості стаття 9. Відповідно до закону України «про захист прав споживачів»: споживач має право обміняти непродовольчий товар належної якості на аналогічний у продавця, у якого він був придбаний, якщо товар не задовольнив його за формою, габаритами, фасоном, кольором, розміром або з інших причин не може бути ним використаний за призначенням. Споживач має право на обмін товару належної якості протягом чотирнадцяти днів, не рахуючи дня покупки. споживач (термін вживається в такому значенні згідно статті 1. п.22 закону України «про захист прав споживачів») – фізична особа, яка купує, замовляє, використовує або має намір придбати чи замовити продукцію для особистих потреб, не пов’язаних з підприємницькою діяльністю або виконанням обов’язків найманого працівника. обмін або повернення товару належної якості провадиться: якщо не використовувався; якщо збережено його товарний вигляд, споживчі властивості, пломби, ярлики; на підставі розрахунковий документ, виданий споживачеві разом з проданим товаром. умови обміну / повернення товару неналежної якості стаття 8. Згідно із законом України «про захист прав споживачів»: в разі виявлення протягом встановленого гарантійного строку недоліків споживач, в порядку та в строки, встановлені законодавством, має право вимагати безоплатного усунення недоліків товару в розумний строк. вимоги споживача, передбачених цією статтею, не підлягають задоволенню, якщо продавець, виробник (підприємство, що задовольняє вимоги споживача, встановлені частиною першою цієї статті) доведуть, що недоліки товару виникли внаслідок порушення споживачем правил користування товаром або його зберігання. Споживач має право брати участь у перевірці якості товару особисто або через свого представника.