Коробка отбора мощности – неотъемлемый компонент гидросистемы мобильных машин и грузовых самосвалов, поскольку это наиболее экономичное решение для получения мощности и передачи её для гидронасосов.
Коробка отбора мощности в первую очередь применяется в строительной спецтехнике: автоцистерны, автокраны, техника коммунальных служб, мусоровозы.
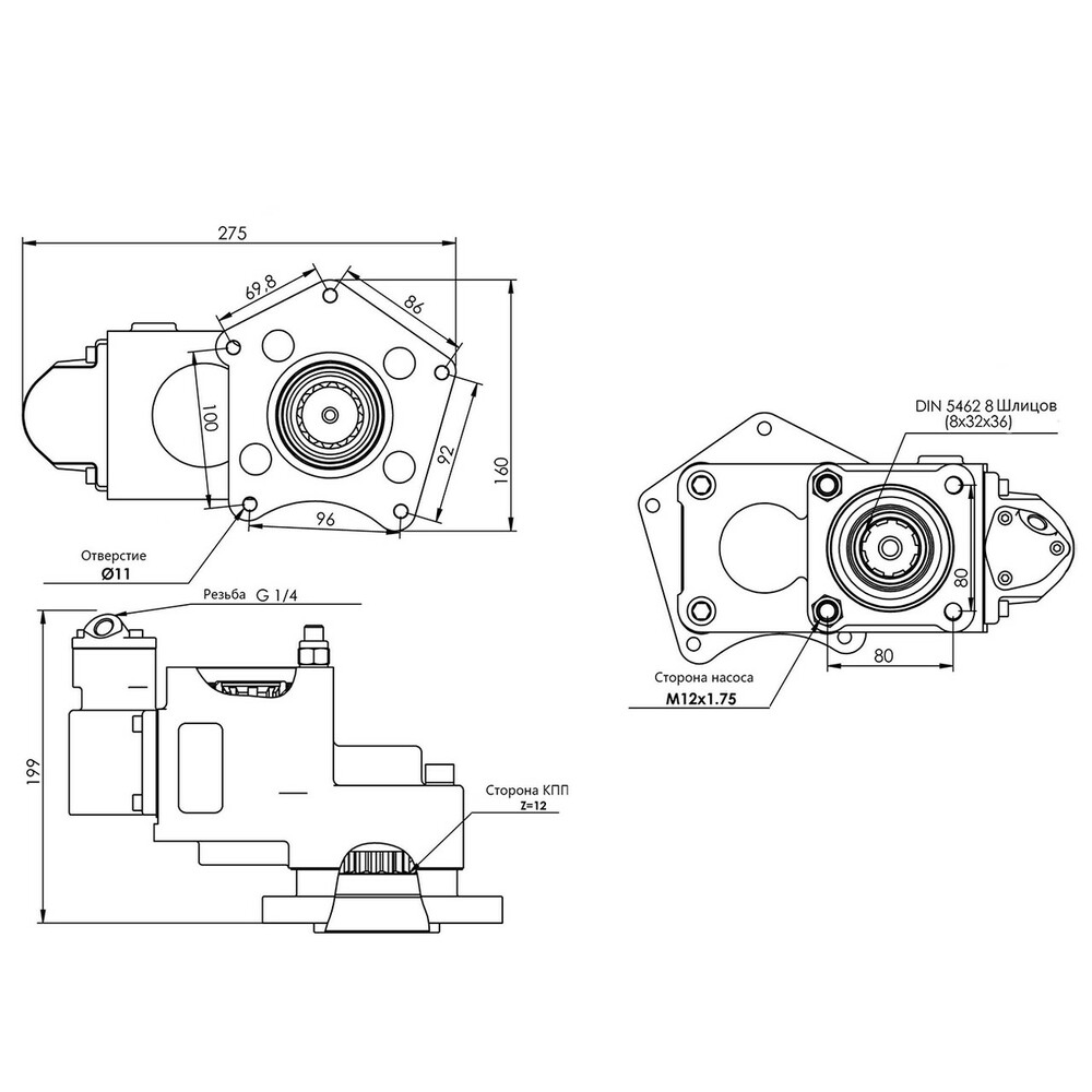
Коробка отбора мощности - КОМ PTO Mercedes G3 Double Gear (в сторону, со смещением)\Power take off (PTO) Mercedes G3 Double Gear
Код: 20841KOHIL

КОМ G3 Double Gear\PTO Mercedes G3 Double Gear подходит на такие модели коробки передач:
G3/32
G3/36
G3/40
G3/45
G3/50
G3/55
G3/60
G3/61 ( 5/8,98-5/7,508-6/8,5-5/6,106)
Коробка отбора мощности (КОМ) G3 Single Gear\Power take off (PTO) Mercedes G3 Double Gear подходит на такие модели Мерседес:
Мерседес 315
Мерседес 352
Мерседес 362
Мерседес 383
Мерседес 609
Мерседес 710
Мерседес 712
Мерседес 809
Мерседес 812
Мерседес 813
Мерседес 814
Мерседес 817
Мерседес 913
Мерседес 1017
Мерседес 1113
Мерседес 1114
Мерседес 1213
Мерседес 1216
Мерседес 1318
Мерседес 1618
Коробки передач Мерседес G3 уже укомплектованы валами отбора мощности от производителя КПП, поэтому коробка отбора мощности состоит из муфты включения и плиты с креплением на 5 болтов. Также в комплекте есть шпильки, паронитовые прокладки и фиксатор резьбы.
Муфта включения в данной модели представляет собой стандартную ZF двухшестерную коробку отбора мощности , однако внутри у нее стоит уникальная муфта G3.
Параметры муфты включения к коробке отбора мощности на мерседес G3:
По впадинам между шлицами: 37 мм
Количество шлицов: 17 шт.
Длина муфты: 80 мм
Выступающая часть муфты: 23 мм
Расстояние между креплениями: по 80 мм
Все товары обладают европейским качеством, прошли его контроль и имеют соответствующие сертификаты.
Мы предоставляем гарантию на гидравлическое оборудование от завода производителя. Обеспечиваем поставку без задержек в оговоренные сроки. При заказе товара у нас ― скидка на установку на нашем СТО.
У нас вы найдете не только оригинальную продукцию европейских производителей HYVA (Хива), Binotto (Бинотто), OMFB , Aber (Абер), Casappa (Касаппа), Bezares (Безарес), ATOS (АТОС), Bosch Rexroth (Бош Рексрот), Danfoss (Данфосс), Eaton, Hydac (Хюдак), Kawasaki (Кавасаки), Parker (Паркер), Penta (Пента), но и их аналоги такого же качества.

Western Union, MoneyGramm, Contact
Если клиент находится за пределами Украины и готов сделать предоплату международным денежным переводом.
WebMoney, PayPal, Yandex Деньги
Если клиент находится за пределами Украины и имеет возможность осуществить оплату в виде электронного платежа - мы принимаем деньги на любые электронные кошельки.
Безналичный расчёт
Возможен безналичный расчет с полным документальным сопровождением.
Наличный расчёт
Оплата наличными возможна в случае самовывоза.
Наложенный платеж
При пересылке "Новой почтой" возможна оплата наложенным платежом, т.е., при получении покупателем своего заказа.
Новая Почта
Самовывоз
Мы работаем с пн-пт с 8:30 до 19:00, сб 10:00-16:00. Наш офис находится по адресу Киев, Вишневое, ул.Чорновола 2а. Вы сможете приехать, лично проверить товар и в случае необходимости установить его на нашем СТО.
Интайм
Служба доставки грузов по Украине. Стоимость доставки можно рассчитать на сайте перевозчика intime.ua
Деливери
Доставка грузов по Украине. Расчет стоимости доставки можно произвести на сайте перевозчика delivery-auto.com
Передать попутной машиной
Одним из бюджетных вариантов доставки товара за границу является отправка его с попутным авто. Мы найдем попутный автомобиль и передадим вам товар с водителем.
Договориться о встрече в Киеве
Стоимость доставки 1 грн.Мы можем предварительно договориться о встрече в городе и пересечься в удобное для вас и нас время. Бесплатно.
Международные перевозчики
ПониЭкспресс, BinExpress, UkrCargo, DHL, Dimex, Express-dostavka и любыми удобными для вас международными перевозчиками и согласно их тарификации. Доставка в среднем длится 3-5 дней.
Повернення і обмін
Відповідно до закону України «про захист прав споживачів» ви можете протягом 14 днів з моменту покупки повернути або обміняти товар, придбаний в магазині, за умови виконання всіх норм передбачених законом. Умови обміну / повернення товару належної якості стаття 9. Відповідно до закону України «про захист прав споживачів»: споживач має право обміняти непродовольчий товар належної якості на аналогічний у продавця, у якого він був придбаний, якщо товар не задовольнив його за формою, габаритами, фасоном, кольором, розміром або з інших причин не може бути ним використаний за призначенням. Споживач має право на обмін товару належної якості протягом чотирнадцяти днів, не рахуючи дня покупки. споживач (термін вживається в такому значенні згідно статті 1. п.22 закону України «про захист прав споживачів») – фізична особа, яка купує, замовляє, використовує або має намір придбати чи замовити продукцію для особистих потреб, не пов’язаних з підприємницькою діяльністю або виконанням обов’язків найманого працівника. обмін або повернення товару належної якості провадиться: якщо не використовувався; якщо збережено його товарний вигляд, споживчі властивості, пломби, ярлики; на підставі розрахунковий документ, виданий споживачеві разом з проданим товаром. умови обміну / повернення товару неналежної якості стаття 8. Згідно із законом України «про захист прав споживачів»: в разі виявлення протягом встановленого гарантійного строку недоліків споживач, в порядку та в строки, встановлені законодавством, має право вимагати безоплатного усунення недоліків товару в розумний строк. вимоги споживача, передбачених цією статтею, не підлягають задоволенню, якщо продавець, виробник (підприємство, що задовольняє вимоги споживача, встановлені частиною першою цієї статті) доведуть, що недоліки товару виникли внаслідок порушення споживачем правил користування товаром або його зберігання. Споживач має право брати участь у перевірці якості товару особисто або через свого представника.