Каталог товаров

Коробка отбора мощности (КОМ) ZF 2 HYVA PTO UNIVERS 2C 4H P2 0450 R1.33 21215050

в наличии
код: 021215050
23 295,02 грн. /шт
Купить в один клик
Регион: Украина, Киевская обл., Киев
Написать продавцу
Проверенный поставщик
На Агробиз
9 Лет
Время ответа:
более суток
Описание товара

Коробка отбора мощности – неотъемлемый компонент гидросистемы мобильных машин и грузовых самосвалов, поскольку это наиболее экономичное решение для получения мощности и передачи её для гидронасосов.
Коробка отбора мощности в первую очередь применяется в строительной спецтехнике: автоцистерны, автокраны, техника коммунальных служб, мусоровозы.

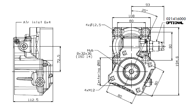
Коробка отбора мощности (КОМ) ZF 2 HYVA PTO UNIVERS 2C 4H P2 0450 R1.33

Модель коробки Внутреннее соотношение Максимальный крутящий момент (Nm)
021220030 1:1,8 350
021215023 1:1,53 400
021215050 1:1,33 450
021215030 1:1,1 500

Тип коробки отбора мощности MERCEDES-IVECO-EATON-ZF-VOLVO

Адаптер ES-11109

021402000

Комплект ES-11109

021463000

ВОМ ES-11109

021302001

Переключатель ES-11109

021416000

Важно! Для коробки отбора мощности (КОМ) ZF 2 HYVA не подходит адаптер соединитель 4х3 с фланцем и длинным подшипником  https://hydromarket.com.ua/p518771196-adapter-4h3-flantsem.html.

С этой задачей отлично справится адаптер соединитель 4х3 с фланцем и коротким подшипником https://hydromarket.com.ua/p339123641-adapter-4h3-pod.html.

В наличии и под заказ также коробка отбора мощности на ДАФ, ГАЗ, Исузу, МАЗ, КАМАЗ, ЗИЛ, Isuzu, DAF, Iveco, Scania, Merсedes Benz, MAN и прочие марки отечественных и зарубежных тягачей.

HYDROMARKET — официальный . Полный ассортимент. Максимальный сервис. Крупнейший гипермаркет HYVA в Украине!

Почему HYDROMARKET — №1 в Украине?

  • Самый большой выбор HYVA — более 1000 товаров в наличии: гидроцилиндры, насосы, клапаны, мультилифты, краны, комплектующие.
  • Оригинальная продукция напрямую с заводов HYVA — ни одного посредника.
  • Гипермаркет сервиса — профессиональная консультация, техническое сопровождение, сертифицированный монтаж, ремонт и гарантия.
  • Самая быстрая логистика — доставка в любой город Украины с собственных складов.
  • Лучшие цены и постоянные акции — всё прозрачно и честно.

Всё для гидравлики в одном месте. Быстро. Качественно. С гарантией.

Наша компания продает коробки отбора мощности высшего качества. Наши товары защищены сертификатами качества и имеют гарантию. Покупая новую коробку отбора мощности, Вы себе обеспечиваете работу гидравлики на долгий срок. Покупая коробку отбора мощности, Вы получаете товар с гарантийным сроком и уверенность в работоспособности гидравлики завтра!

 - Наши менеджеры проконсультируют Вас и помогут подобрать коробку отбора мощности именно для Вас.

- Предоставляем гарантию 12 месяцев на товар.

 - Осуществляем доставку в любой город Украины. Также отправим Вам товар в Европу и другие страны.

Наличие уточняйте у менеджера!

Компания Гидромаркет – единственный официальный представитель HYVA в Украине, поэтому помимо качества мы можем предложить лучшую цену. А наши специалисты могут произвести профессиональную установку гидравлики на нашем СТО или на выезде. Покупая оригинальную продукцию HYVA Вы выберете максимальный уровень безопасности, надежность и производительность вашей техники при любых условиях работы!

читать дальше свернуть
Характеристики
Код запчасти
21215050
Состояние
Новое
Ответственный человек
Татьяна Андросович
Тип техники
Грузовой автомобиль
Производитель (Бренд)
Hyva
Гарантийный срок
12
читать дальше свернуть
Варианты оплаты

Western Union, MoneyGramm, Contact
Если клиент находится за пределами Украины и готов сделать предоплату международным денежным переводом.

WebMoney, PayPal, Yandex Деньги
Если клиент находится за пределами Украины и имеет возможность осуществить оплату в виде электронного платежа - мы принимаем деньги на любые электронные кошельки.

Безналичный расчёт
Возможен безналичный расчет с полным документальным сопровождением.

Наличный расчёт
Оплата наличными возможна в случае самовывоза.

Наложенный платеж
При пересылке "Новой почтой" возможна оплата наложенным платежом, т.е., при получении покупателем своего заказа.

Варианты доставки

Новая Почта

Самовывоз
Мы работаем с пн-пт с 8:30 до 19:00, сб 10:00-16:00. Наш офис находится по адресу Киев, Вишневое, ул.Чорновола 2а. Вы сможете приехать, лично проверить товар и в случае необходимости установить его на нашем СТО.

Интайм
Служба доставки грузов по Украине. Стоимость доставки можно рассчитать на сайте перевозчика intime.ua

Деливери
Доставка грузов по Украине. Расчет стоимости доставки можно произвести на сайте перевозчика delivery-auto.com

Передать попутной машиной
Одним из бюджетных вариантов доставки товара за границу является отправка его с попутным авто. Мы найдем попутный автомобиль и передадим вам товар с водителем.

Договориться о встрече в Киеве
Стоимость доставки 1 грн.Мы можем предварительно договориться о встрече в городе и пересечься в удобное для вас и нас время. Бесплатно.

Международные перевозчики
ПониЭкспресс, BinExpress, UkrCargo, DHL, Dimex, Express-dostavka и любыми удобными для вас международными перевозчиками и согласно их тарификации. Доставка в среднем длится 3-5 дней.

Повернення і обмін
Відповідно до закону України «про захист прав споживачів» ви можете протягом 14 днів з моменту покупки повернути або обміняти товар, придбаний в магазині, за умови виконання всіх норм передбачених законом. Умови обміну / повернення товару належної якості стаття 9. Відповідно до закону України «про захист прав споживачів»: споживач має право обміняти непродовольчий товар належної якості на аналогічний у продавця, у якого він був придбаний, якщо товар не задовольнив його за формою, габаритами, фасоном, кольором, розміром або з інших причин не може бути ним використаний за призначенням. Споживач має право на обмін товару належної якості протягом чотирнадцяти днів, не рахуючи дня покупки. споживач (термін вживається в такому значенні згідно статті 1. п.22 закону України «про захист прав споживачів») – фізична особа, яка купує, замовляє, використовує або має намір придбати чи замовити продукцію для особистих потреб, не пов’язаних з підприємницькою діяльністю або виконанням обов’язків найманого працівника. обмін або повернення товару належної якості провадиться: якщо не використовувався; якщо збережено його товарний вигляд, споживчі властивості, пломби, ярлики; на підставі розрахунковий документ, виданий споживачеві разом з проданим товаром. умови обміну / повернення товару неналежної якості стаття 8. Згідно із законом України «про захист прав споживачів»: в разі виявлення протягом встановленого гарантійного строку недоліків споживач, в порядку та в строки, встановлені законодавством, має право вимагати безоплатного усунення недоліків товару в розумний строк. вимоги споживача, передбачених цією статтею, не підлягають задоволенню, якщо продавець, виробник (підприємство, що задовольняє вимоги споживача, встановлені частиною першою цієї статті) доведуть, що недоліки товару виникли внаслідок порушення споживачем правил користування товаром або його зберігання. Споживач має право брати участь у перевірці якості товару особисто або через свого представника.

читать дальше свернуть
Покупатели этого товара также интересовались
ТОП
продажи
код: 0А-47861
от 179 630,45 грн. /шт
в наличии
код: 0А-50875
15 730,84 грн. /шт
в наличии
код: 60003
6 145,20 грн. /шт
в наличии
код: 0А-47100
6 947,61 грн. /шт
в наличии
код: 0А-23433
22 496,25 грн. /шт
в наличии
код: 0А-23512
1 249,67 грн. /шт
в наличии
код: 0А-22433
11 983,14 грн. /шт
в наличии

Вы просматривали

Сейчас ищут

Спецрахунок НБУ
Фонд "Повернись живим"
Фонд Сергія Притули
Пока не зарегистрированы?
Регистрация
Уже зарегистрированы? Войти
Уже зарегистрированы? Войти