Коробка отбора
мощности – неотъемлемый
компонент гидросистемы мобильных машин и
грузовых самосвалов, поскольку это наиболее экономичное решение для
получения мощности и передачи её для гидронасосов.
Коробка отбора мощности в первую очередь применяется в строительной
спецтехнике: автоцистерны, автокраны, техника
коммунальных служб, мусоровозы.
Технические характеристики КОМ ZF:
ВЗАИМОЗАМЕНЯЕМЫЕ МОДЕЛИ:
КОМ ZF прямая\PTO ZF
Ecosplit подходит для
таких моделей коробки передач
(КПП):
ZF 5S 110 GP.5
ZF 5S 110 GV.5
ZF 5S 110 GPA.
ZF 5S 150 GP.5
ZF 5S 150 GP.5
ZF 5S 111 GP
ZF 5S 111 GV.4
ZF 5S 150 GP (K:167)
ZF Ecosplit 8S 135
ZF New Ecosplit 8S 1620 TD
ZF New Ecosplit 8S 1630
ZF New Ecosplit 8S 1820 (11.54-0.84)
ZF New Ecosplit 8S 1830
ZF New Ecosplit 8S 1831
ZF New Ecosplit 8S 1930
ZF New Ecosplit 8S 1931
ZF New Ecosplit 8S 2230
ZF ECOMIT 9S75
ZF ECOMID 9 S 109 (12.91-12,92)) (B:288)
ZF ECOMID 9 S - 1310 TO (9.48)
ZF ECOMID 8S 109 (11,35)
ZF ECOMID 16 S 109 (13,30/13.31 ― 13.41/13,42 ― 13,04/13.43)
ZF ECOMID 9 S - 1110 TO (9.48-12.73)
ZF ECOMID 9 S-1115 TO
ZF New Ecosplit 12S 2130
ZF New Ecosplit 12S 2131
ZF New Ecosplit 12S 2330
ZF New Ecosplit 12S 2331
ZF New Ecosplit 12AS 2530 TO (12.33)
ZF New Ecosplit 12S 2830
ZF New Ecosplit 12S 2831
ZF AS Tronic 12AS 251
ZF AS Tronic 12AS 1630/1631
ZF AS Tronic 12AS 1800 (IT)
ZF AS Tronic 12AS 1930/1931
ZF AS Tronic 12AS 2130/2131
ZF AS Tronic 12AS 2140/2141
ZF AS Tronic 12S 2220
(13.80-15.86-16.47-16.53-16.41)(B:213)
ZF AS Tronic 12AS 2300
ZF AS Tronic 12AS 2301 (IT)
ZF AS Tronic 12AS 2331
ZF AS Tronic 12AS 2340/2341
ZF AS Tronic 12AS 2501 (IT)
ZF AS Tronic 12AS 2530/2531
ZF AS Tronic 12AS 2540/2541
ZF AS Tronic 16AS 2601
ZF AS Tronic 16AS 2600-2601
ZF AS Tronic 16AS 2630
ZF AS Tronic 12AS 2740/2741
ZF AS Tronic 12AS 2940/2941
ZF AS Tronic 12AS 3001(IT)/3002(IT)
ZF AS Tronic 12AS 3140/3141
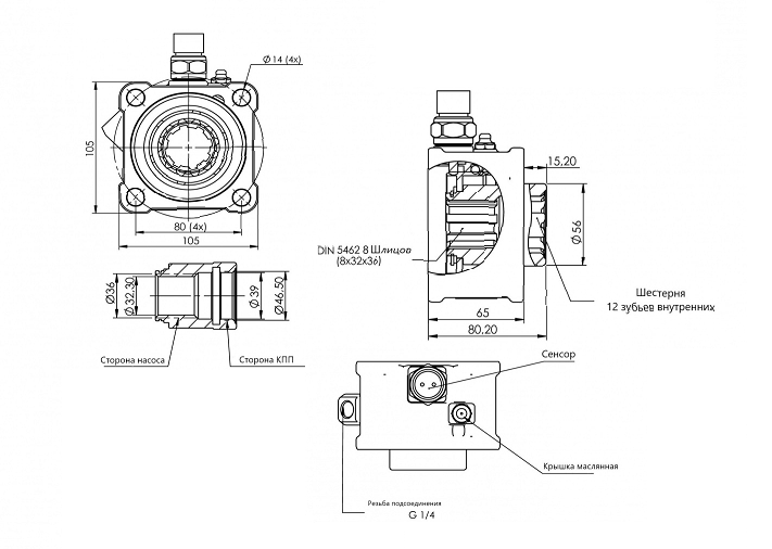
При заказе коробки отбора мощности и вала необходимо знать модель КПП. Модель КПП вы можете найти на боковой стороне КПП. Выглядит следующим образом:

Коробка отбора мощности (КОМ) ZF \ Power take off (PTO) ZF подходит на такие марки автомобилей: MAN, SCANIA, FORD CARGO, DAF, VOLVO, RENAULT, MERCEDES, FARGO, IVECO, STEYR, HYNDAI, OPEL ASTRA, BMC, HOWO, КамАЗ, МАЗ, ГАЗ, ЗИЛ, TATA, CHRYSLER HINO, ISUZU.
Мы предоставляем гарантию на гидравлическое оборудование от завода производителя. Обеспечиваем поставку без задержек в оговоренные сроки. При заказе товара у нас ― скидка на установку на нашем СТО.
Western Union, MoneyGramm, Contact
Если клиент находится за пределами Украины и готов сделать предоплату международным денежным переводом.
WebMoney, PayPal, Yandex Деньги
Если клиент находится за пределами Украины и имеет возможность осуществить оплату в виде электронного платежа - мы принимаем деньги на любые электронные кошельки.
Безналичный расчёт
Возможен безналичный расчет с полным документальным сопровождением.
Наличный расчёт
Оплата наличными возможна в случае самовывоза.
Наложенный платеж
При пересылке "Новой почтой" возможна оплата наложенным платежом, т.е., при получении покупателем своего заказа.
Новая Почта
Самовывоз
Мы работаем с пн-пт с 8:30 до 19:00, сб 10:00-16:00. Наш офис находится по адресу Киев, Вишневое, ул.Чорновола 2а. Вы сможете приехать, лично проверить товар и в случае необходимости установить его на нашем СТО.
Интайм
Служба доставки грузов по Украине. Стоимость доставки можно рассчитать на сайте перевозчика intime.ua
Деливери
Доставка грузов по Украине. Расчет стоимости доставки можно произвести на сайте перевозчика delivery-auto.com
Передать попутной машиной
Одним из бюджетных вариантов доставки товара за границу является отправка его с попутным авто. Мы найдем попутный автомобиль и передадим вам товар с водителем.
Договориться о встрече в Киеве
Стоимость доставки 1 грн.Мы можем предварительно договориться о встрече в городе и пересечься в удобное для вас и нас время. Бесплатно.
Международные перевозчики
ПониЭкспресс, BinExpress, UkrCargo, DHL, Dimex, Express-dostavka и любыми удобными для вас международными перевозчиками и согласно их тарификации. Доставка в среднем длится 3-5 дней.
Повернення і обмін
Відповідно до закону України «про захист прав споживачів» ви можете протягом 14 днів з моменту покупки повернути або обміняти товар, придбаний в магазині, за умови виконання всіх норм передбачених законом. Умови обміну / повернення товару належної якості стаття 9. Відповідно до закону України «про захист прав споживачів»: споживач має право обміняти непродовольчий товар належної якості на аналогічний у продавця, у якого він був придбаний, якщо товар не задовольнив його за формою, габаритами, фасоном, кольором, розміром або з інших причин не може бути ним використаний за призначенням. Споживач має право на обмін товару належної якості протягом чотирнадцяти днів, не рахуючи дня покупки. споживач (термін вживається в такому значенні згідно статті 1. п.22 закону України «про захист прав споживачів») – фізична особа, яка купує, замовляє, використовує або має намір придбати чи замовити продукцію для особистих потреб, не пов’язаних з підприємницькою діяльністю або виконанням обов’язків найманого працівника. обмін або повернення товару належної якості провадиться: якщо не використовувався; якщо збережено його товарний вигляд, споживчі властивості, пломби, ярлики; на підставі розрахунковий документ, виданий споживачеві разом з проданим товаром. умови обміну / повернення товару неналежної якості стаття 8. Згідно із законом України «про захист прав споживачів»: в разі виявлення протягом встановленого гарантійного строку недоліків споживач, в порядку та в строки, встановлені законодавством, має право вимагати безоплатного усунення недоліків товару в розумний строк. вимоги споживача, передбачених цією статтею, не підлягають задоволенню, якщо продавець, виробник (підприємство, що задовольняє вимоги споживача, встановлені частиною першою цієї статті) доведуть, що недоліки товару виникли внаслідок порушення споживачем правил користування товаром або його зберігання. Споживач має право брати участь у перевірці якості товару особисто або через свого представника.