

1347203C5 1 ROTOR ASSY., consists of: 1 - 7
193361A1 AR PACKAGE, KIT, consists of: 2 x 1994760C4,
2 x 1994758C2
1 - 1994760C4 - 44 - KNIFE, BLADE, order 193361A1
3 - NSS - 1 - NOT SERVICED SEPARATELY, ROTOR
4 - 1322242C1 - 44 - BUSHING, SPACER
5 - 1994758C2 - 44 - CENTERING RING, PIVOT, order 193361A1
6 - 828-10055 - 22 - BOLT, Hex, M10 x 55, 10.9, BOLT 10 x 55 mm
7 - 832-41310 - 22 - NUT, LOCK, M10 x 1.5, Cl 10, lock 10 mm
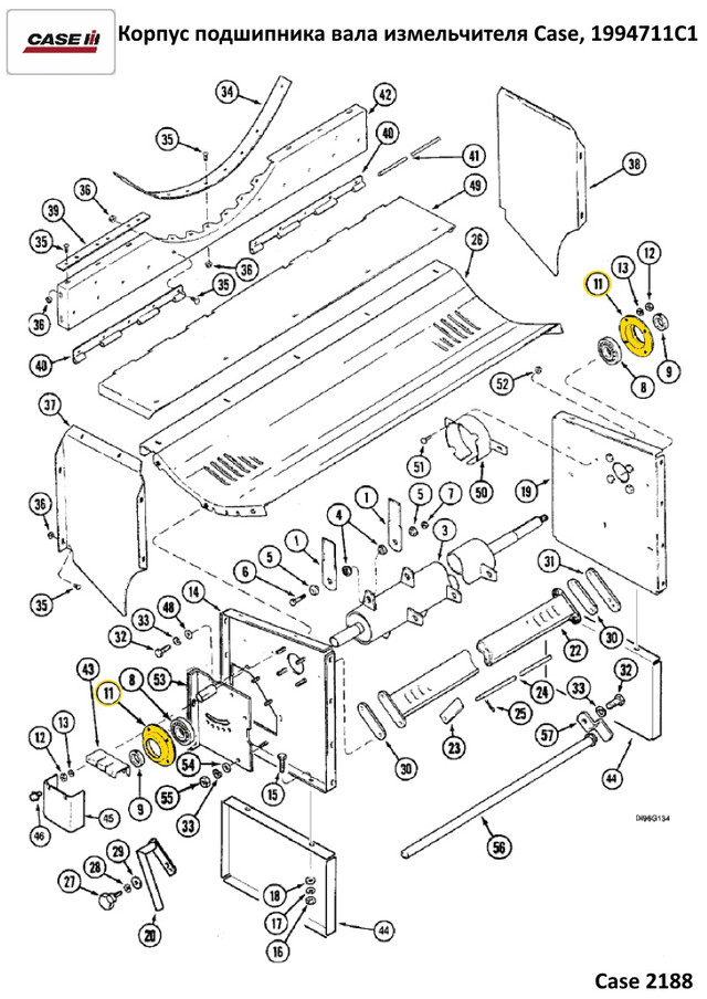
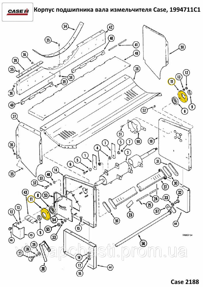
8 - 1994713C1 - 2 - BEARING,
9 - 1347234C1 - 3 - CLAMP, COLLAR
11 - 1994711C1 - 4 - FLANGE, HOUSING
12 - 829-2312 - 8 - NUT, M12 x 1.75, Flg, Cl 10, 12 mm
13 - 80679 - 8 - WASHER, LOCK, 1/2",
14 - 140519A1 - 1 - SIDE-PLATE, SUPPORT left
15 - 413-616 - 20 - BOLT, Hex, 3/8"-16 x 1", G5, Full Thd, 3/8 x 1
in
16 - 425-106 - 20 - NUT, 3/8"-16, G5,
17 - 492-11038 - 20 - WASHER, LOCK, 3/8",
18 - 495-11041 - 20 - WASHER, 3/8", SAE, 13/32 x 13/16 x 1/16
in
19 - 1994707C2 1 SIDE-PLATE, SUPPORT right
20 - 140525A1 - 1 - HANDLE, ARM
140961A1 - 1 - SUPPORT, Includes: 22 -
25
22 - NSS - 1 - NOT SERVICED SEPARATELY, SUPPORT
23 - 1322233C2 - 43 - KNIFE, BLADE
24 - 1311905C1 - 1 - ROD,
25 - 1322252C1 - 1 - PIN,
26 - 1347205C1 - 1 - PROTECTION PLATE, BOTTOM
27 - 1322232C2 - 4 - HANDLE, KNOB
28 - 892-11012 - 4 - WASHER, LOCK, M12,
29 - 495-81163 - 8 - WASHER, 17/32" x 1 1/2" x .120",
30 - 1322248C1 - 2 - BLOCK, SHIM adjusting
31 - 140760A1 - 1 - LEVER, ARM
32 - 628-10030 - 6 - BOLT, Hex, M10 x 30, 10.9, Full Thd,
33 - 892-11010 - 9 - WASHER, LOCK, M10, M10
34 - 182950C1 - 1 - SUPPORT, STRIP
35 - 477-73812 - 29 - SCREW, Sltd Serr Truss Hd, 3/8" x 3/4", 3/8 x
19 mm
36 - 231-5146 - 29 - NUT, Flg, USR, 3/8"-16,
37 - 1347214C1 - 1 - SUPPORT, DEFLECTOR left
38 - 1347215C1 - 1 - SUPPORT, DEFLECTOR right
39 - 182895C1 - 2 - FILLER, STRIP
40 - 182893C1 - 1 - HINGE,
41 - 182980C1 - 1 - ROD,
42 - 182931C1 - 1 - SUPPORT,
43 - 1994734C1 - 1 - SUPPORT,
44 - 1323248C1 - 2 - SUPPORT,
45 - 181208C3 - 1 - SUPPORT, if so equipped
46 - 280-1478 - 2 - SCREW, SELF TAP, Hex Wash Hd, 1/4" x 1/2",
1/4 x 1/2 in, if so equipped
48 - 495-71041 - 6 - WASHER, 3/8", 13/32 x 1-1/4 x 3/32
49 - 1347207C1 - 1 - DOOR, PLATE
50 - 1347216C2 - 2 - FIXING BRACKET, SHIELD
51 - 477-73112 - 4 - BOLT, Slotted Tr Hd, 5/16"-18 x 3/4",
52 - 231-5145 - 4 - NUT, Flg, USR, 5/16"-18,
53 - 140523A1 - 1 - SIDE-PLATE, ASSY.
56 - 140521A1 - 1 - ROD,
57 - 140527A1 - 1 - LATCH ASSY., SUPPORT
54 - 895-15010 - 3 - WASHER, M11 x 24 x 2,
55 - 829-1410 - 3 - NUT, M10, Cl 10,
Безналичный расчёт
Наличный расчёт
Наложенный платеж
Предоплата
Новая Почта
Самовывоз
Интайм
Автолюкс
Гюнсел
Ночной Экспресс
Повернення і обмін
Відповідно до закону України «про захист прав споживачів» ви можете протягом 14 днів з моменту покупки повернути або обміняти товар, придбаний в магазині, за умови виконання всіх норм передбачених законом. Умови обміну / повернення товару належної якості стаття 9. Відповідно до закону України «про захист прав споживачів»: споживач має право обміняти непродовольчий товар належної якості на аналогічний у продавця, у якого він був придбаний, якщо товар не задовольнив його за формою, габаритами, фасоном, кольором, розміром або з інших причин не може бути ним використаний за призначенням. Споживач має право на обмін товару належної якості протягом чотирнадцяти днів, не рахуючи дня покупки. споживач (термін вживається в такому значенні згідно статті 1. п.22 закону України «про захист прав споживачів») – фізична особа, яка купує, замовляє, використовує або має намір придбати чи замовити продукцію для особистих потреб, не пов’язаних з підприємницькою діяльністю або виконанням обов’язків найманого працівника. обмін або повернення товару належної якості провадиться: якщо не використовувався; якщо збережено його товарний вигляд, споживчі властивості, пломби, ярлики; на підставі розрахунковий документ, виданий споживачеві разом з проданим товаром. умови обміну / повернення товару неналежної якості стаття 8. Згідно із законом України «про захист прав споживачів»: в разі виявлення протягом встановленого гарантійного строку недоліків споживач, в порядку та в строки, встановлені законодавством, має право вимагати безоплатного усунення недоліків товару в розумний строк. вимоги споживача, передбачених цією статтею, не підлягають задоволенню, якщо продавець, виробник (підприємство, що задовольняє вимоги споживача, встановлені частиною першою цієї статті) доведуть, що недоліки товару виникли внаслідок порушення споживачем правил користування товаром або його зберігання. Споживач має право брати участь у перевірці якості товару особисто або через свого представника.