Муфта бендекса ПД-23 трактора Т-170, 72118СП

| № | Код | Наименование |
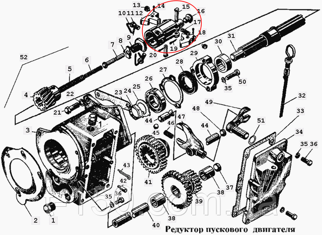
| 17-76-8СП | Редуктор | |
| 72118СП | Муфта механизма включения | |
| 76106СП | Вал редуктора | |
| 7612СП | Шестерня | |
| 1 | Пробка | |
| 2 | Прокладка | |
| 2 | Прокладка | |
| 3 | 17-76-13-1 | Корпус |
| 4 | 17-76-22 | Шестерня |
| 5 | 38342 | Пружина |
| 6 | 38343 | Пружина |
| 7 | 72101 | Толкатель муфты |
| 8 | 31106 | Шайба |
| 9 | 7213 | Направляющая толкателя |
| 10 | 42216 | Проволока контроля |
| 11 | Болт СМД 8-1994 | Болт СМД 8-1994 |
| 12 | 72106 | Защелка муфты |
| 13 | 72107 | Винт |
| 14 | Шплинт 3,2х22 | Шплинт 3,2х22 |
| 15 | 72119 | Ось защелки |
| 16 | 72117 | Пятка муфты |
| 17 | 38344 | Пружина защелки |
| 18 | 72105 | Защелка муфты |
| 19 | Шплинт 3,2х18 | Шплинт 3,2х18 |
| 20 | 72116 | Муфта механизма включения |
| 21 | 2816 | Болт |
| 22 | Шайба 12 ОТ 65Г 09 | Шайба 12 ОТ 65Г 09 |
| 23 | 700-40-2212 | Прокладка |
| 24 | 700-30-2305 | Гайка |
| 25 | 700-31-2566 | Шайба |
| 26 | Подшипник 208К | Подшипник 208К |
| 27 | 40960 | Прокладка |
| 28 | 40263СП | Сальник |
| 29 | 76105 | Крышка сальника |
| 30 | 726-1 | Втулка |
| 31 | 76107 | Вал |
| 32 | 17-01-162СП | Линейка масломерная |
| 33 | 700-40-4482 | Прокладка |
| 34 | 17-76-27 | Крышка |
| 35 | Шайба 10 ОТ 65Г 09 | Шайба 10 ОТ 65Г 09 |
| 36 | Болт М10х25.58.019 | Болт М10х25.58.019 |
| 37 | 52 | Заглушка |
| 38 | 766-1 | Втулка |
| 39 | 765 | Шестерня |
| 40 | 17-76-3-1 | Ось |
| 41 | 764 | Шестерня |
| 42 | 700-32-2014 | Штифт |
| 43 | Шплинт 5х50 | Шплинт 5х50 |
| 44 | 17-76-7-1 | Вал вилки |
| 45 | Шарик Б 12-200 | Шарик Б 12-200 |
| 46 | 38347 | Пружина |
| 47 | 76111 | Вилка |
| 48 | 76113 | Заглушка |
| 49 | 17-76-31 | Вилка |
| 50 | Болт М10х40.58.019 | |
| 51 | Кольцо 020-026-36-2-2 | |
| 52 | 17-76-10СП | Редуктор пускового двигателя |
Онлайн оплата
Безналичный расчёт
Наличный расчёт
Наложенный платеж
Предоплата
Новая Почта(отделение)
Новая Почта(курьер)
САТ
Деливери
Самовывоз
Повернення і обмін
Відповідно до закону України «про захист прав споживачів» ви можете протягом 14 днів з моменту покупки повернути або обміняти товар, придбаний в магазині, за умови виконання всіх норм передбачених законом. Умови обміну / повернення товару належної якості стаття 9. Відповідно до закону України «про захист прав споживачів»: споживач має право обміняти непродовольчий товар належної якості на аналогічний у продавця, у якого він був придбаний, якщо товар не задовольнив його за формою, габаритами, фасоном, кольором, розміром або з інших причин не може бути ним використаний за призначенням. Споживач має право на обмін товару належної якості протягом чотирнадцяти днів, не рахуючи дня покупки. споживач (термін вживається в такому значенні згідно статті 1. п.22 закону України «про захист прав споживачів») – фізична особа, яка купує, замовляє, використовує або має намір придбати чи замовити продукцію для особистих потреб, не пов’язаних з підприємницькою діяльністю або виконанням обов’язків найманого працівника. обмін або повернення товару належної якості провадиться: якщо не використовувався; якщо збережено його товарний вигляд, споживчі властивості, пломби, ярлики; на підставі розрахунковий документ, виданий споживачеві разом з проданим товаром. умови обміну / повернення товару неналежної якості стаття 8. Згідно із законом України «про захист прав споживачів»: в разі виявлення протягом встановленого гарантійного строку недоліків споживач, в порядку та в строки, встановлені законодавством, має право вимагати безоплатного усунення недоліків товару в розумний строк. вимоги споживача, передбачених цією статтею, не підлягають задоволенню, якщо продавець, виробник (підприємство, що задовольняє вимоги споживача, встановлені частиною першою цієї статті) доведуть, що недоліки товару виникли внаслідок порушення споживачем правил користування товаром або його зберігання. Споживач має право брати участь у перевірці якості товару особисто або через свого представника.