
BP171K характеристика
Производительность . . 162 л./мин.
Максимальное давление .
. 20 Bar
Рабочие обороты . . 550 об./мин.
Количество поршней . . 4 шт.
Патрубок входной . . 40 мм.
Патрубок выходой . . 25 мм.
Каталог запчастей СКАЧАТЬ


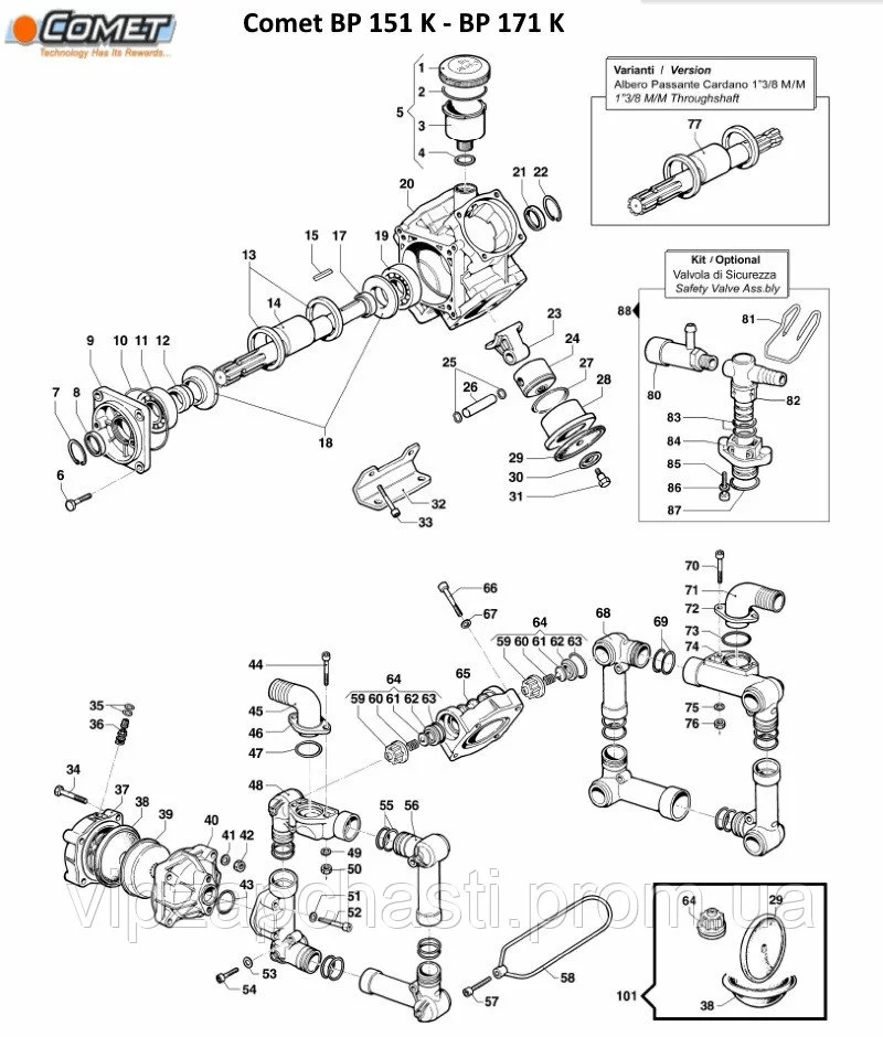
1 - 04020143 - Coperchio Compens. Volum. - Volum. Compensator Cover - 1
2 - 12100373 - Guarnizione OR - O-Ring Ø3,53x73,03 - 1
3 - 04210012 - Compens. Volumetrico - Volum. Compensator - 1
4 - 12100002 - Guarnizione OR - O-Ring Ø2,62x20,7 - 1
5 - 12080015 - Gruppo Compens. Volum. - Volumetric Compensator - 1
6 - 36070220 - Vite Testa Esagonale - Hexagonal Screw - M10x30 - 4
7 - 30200009 - Seeger Interno - Inner Seeger - Ø47 - 1
8 - 00190083 - Anello Tenuta - Oil Seal - Ø35x47x7 - 1
9 - 04050067 - Coperchio Supp. porta Cusc. - Support Cover - 1
10 - 12100345 - Guarnizione OR - O-Ring - Ø1,78x101,32 - 1
11 - 0438 0094 - Cuscinetto a Sfere - Ball Bearing - Ø35x80x21 - 1
12 - 06010132 - Distanziale - Spacer - Ø35xØ48x18 - 1
13 - 00100020 - Anello Tenuta Biella - Connecting Rod Ring - Ø80x68 - 2
14 - 00010402 - Albero Passante - Throughshaft - 1”3/8 - Ø30 Cil. - 1
15 - 16020018 - Linguetta - Key - 8x7x40 - 1
17 - 06010134 - Distanziale - Spacer - Ø35xØ44x10 - 1
18 - 28130036 - Rondella Tenuta Biella - Connecting Rod Washer - 2
19 - 04380094 - Cuscinetto a Sfere - Ball Bearing - Ø35x80x21 - 1
20 - 04030118 - Carter Pompa - Pump Crankcase - 1
21 - 000190083 - Anello Tenuta - Oil Seal - Ø35x47x7 - 1
22 - 30200009 - Seeger Interno - Inner Seeger - Ø47 - 1
23 - 02050038 - Kit Biella 4SET - Connecting Rod Assy - 1
24 - 24090081 - Pistone - Piston - Ø75 - 4 - BP171K
24 - 090096 - Pistone - Piston - Ø70 - 4 - BP151K
25 - 30200001 - Seeger Interno - Inner Seeger - Ø15 - 8
26 - 30110001 - Spinotto - Gudgeon Pin - Ø15x53 - 4
27 - 00200009 - Anello Compressione - Compression Ring - Ø75 - 4 - BP171K
27 - 00200001 - Anello Compressione - Compression Ring - Ø70 - 4 - BP151K
28 - 04000077 - Camicia Piston - Sleeve - Ø75 - 4 - BP171K
28 - 04000088 - Camicia - Piston Sleeve - Ø70 - 4 - BP151K
29 - 18000002 - Membrana Pompa - Diaphragm Gomma Nitrilica Buna Rubber - 4
29 - 18000178 - Membrana Pompa - Diaphragm Desmopan - 4
29 - 18000032 - Membrana Pompa - Diaphragm - Viton - 4
30 - 06020045 - Disco Tenuta Membrana - Disc - 4
31 - 36050005 - Vite Speciale Tenuta Membr. - Diaphragm Holder Screw M12x1,5 - 4
32 - 24000064 - Piede Sostegno Pompa - Pump Mounting Bracket - 2
33 - 36090192 - Vite - Screw M10x50 - 4
34 - 36070223 - Vite Testa Esagonale - Hexagonal Screw - M10x65 - 4
35 - 12090033 - Guarnizione - Gasket - Ø14x7,5x2 - 2
36 - 36100003 - Valvola Aria - Air Valve - 1
37 - 00030030 - Accumulat. Press. Sup. - Pressure Accumulator Arancione / Orange - 1 - BP171K
37 - 00030015 - Accumulat. Press. Sup. - Pressure Accumulator - 1 - BP151K
38 - 18000034 - Membrana Accumulat. - Diaphragm - 1
39 - 04600036 - Calotta Sostegno Membr. - Diaphragm Support Cap - 1
40 - 00020024 - Accumulat. Press. Infer. - Pressure Accumulator - 1
41 - 28110098 - Rondella - Washer Ø10,5x18x2 - 4
42 - 06040105 - Dado - Nut M10 - 4
43 - 12100185 - Guarnizione OR - O-Ring Ø4,0x38 - 1
44 - 36090156 - Vite - Screw - M8x55 - 2
45 - 28010032 - Raccordo p.g. Curvo Elbow Coupling Ø25 1
46 - 24040108 - Piastra Fiss. Raccordo Hose Tail Fixing Plate 1
47 - 12100180 - Guarnizione - OR O-Ring Ø3x29 - 1
48 - 32140039 - Tubo Mandata - Delivery Hose - 2
49 - 28110099 - Rondella - Washer - Ø8,4x15x1,6 - 4
50 - 06040107 - Dado - Nut - M8 - 2
51 - 2811 0099 - Rondella - Washer - Ø8,4x15x1,6 - 1
52 - 36090156 - Vite Screw - M8x55 - 2
53 - 28110099 - Rondella - Washer - Ø8,4x15x1,6 - 4
54 - 3609 0162 Vite Screw M8x40 - 4
55 - 12100011 - Guarnizione OR - O-Ring Ø3,0x36 - 8
56 - 32140038 - Tubo Mandata - Delivery Hose - 2
57 - 36090163 – Vite - Screw - M10x40 - 4
58 - 04180040 - Cavallotto - U-Bolt - 4
59 - 12050034 - Gabbia Valv. Aspir./Mand. - Suct./Deliv. Valve Cage - 8
60 - 18020255 - Molla - Spring - 8
61 - 36040009 - Valvola Aspir./Mandata - Suction/Delivery Valve - 8
62 - 30090022 - Sede Valvola Asp./Mand. - Suct./Deliv. Valve Seat - 8
63 - 12100419 - Guarnizione OR - O-Ring Ø6x37x49 - 8
64 - 12200046 - Gruppo Valv. Asp./Mand. - Suct./Del. Valve Ass.y kit - 8
65 - 32180123 - Testata Pompa - Pump Manifold - 4
66 - 36090192 - Vite - Screw - M10x50 - 12
67 - 28110098 - Rondella - Washer - Ø10,5x18x2 - 12
68 - 32140038 - Tubo Mandata - Delivery Hose - 3
69 - 12100011 - Guarnizione OR - O-Ring - Ø3,0x36 - 8
70 - 36090140 - Vite - Screw - M8x55 INOX - 2
71 - 28010055 - Raccordo p.g. Curvo - Elbow Coupling Ø40 - 1
72 - 24040108 - Piastra Fiss. Raccordo - Hose Tail Fixing Plate - 1
73 - 12100180 - Guarnizione OR - O-Ring - Ø3x29 - 1
74 3214 0039 - Tubo Mandata - Delivery Hose - 1
75 2811 0099 - Rondella - Washer - Ø8,4x15x1,6 - 4
76 - 06040107 - Dado - Nut - M8 - 2
Version
77 - 00010412 - Albero Passante - Throughshaft 1”3/8 M - 1”3/8 M - 1
Optional
80 - 12190043 - Valvola di Sicurezza - Safety Valve - 20 Bar 100-200L - 1
81 - 12020060 - Gancio Fiss. Mandata - Delivery Hook - 1
82 - 28030356 - Raccordo porta Valvola - Safety Valve Coupling Ø25 - G1/2” - 1
83 - 12100002 - Guarnizione OR - O-Ring Ø2,62X 20,7 - 2
84 - 28030334 - Raccordo Speciale - Special Coupling - 1
85 - 36090159 - Vite - Screw - M8x50 - 2
86 - 28110099 - Rondella - Washer - Ø8,4x15x1,6 - 2
87 - 12100180 - Guarnizione OR - O-Ring - Ø3,0X29 - 1
88 - 28030364 - Kit Valvola di Sicurezza - Safety Valve Kit - 20 Bar 100-200L - 1
Maintenance Kit
101 - 50260145 - Kit Ricambi Manutenzione - Ordinary Maintenance Kit - 1
| оборудование на опрыскиватель | ||
| насос Annovi Reverberi насос Comet насос Bertolini насос UDOR насос Imovilli Pompe насос Польша насос Hypro |
форсунка Польша форсунка ARAG форсунка GeoLine форсунка TeeJet форсунка Hypro |
регулятор ARAG регулятор GeoLine регулятор Польша |
| распылители Lechler распылители TeeJet распылители Hypro распылители Польша распылители Роса распылители КАС |
фильтр, сито шланги патрубки карданный вал |
к-кт оборудования штанга бочка |
Безналичный расчёт
Наличный расчёт
Наложенный платеж
Предоплата
Новая Почта
Самовывоз
Интайм
Автолюкс
Гюнсел
Ночной Экспресс
Повернення і обмін
Відповідно до закону України «про захист прав споживачів» ви можете протягом 14 днів з моменту покупки повернути або обміняти товар, придбаний в магазині, за умови виконання всіх норм передбачених законом. Умови обміну / повернення товару належної якості стаття 9. Відповідно до закону України «про захист прав споживачів»: споживач має право обміняти непродовольчий товар належної якості на аналогічний у продавця, у якого він був придбаний, якщо товар не задовольнив його за формою, габаритами, фасоном, кольором, розміром або з інших причин не може бути ним використаний за призначенням. Споживач має право на обмін товару належної якості протягом чотирнадцяти днів, не рахуючи дня покупки. споживач (термін вживається в такому значенні згідно статті 1. п.22 закону України «про захист прав споживачів») – фізична особа, яка купує, замовляє, використовує або має намір придбати чи замовити продукцію для особистих потреб, не пов’язаних з підприємницькою діяльністю або виконанням обов’язків найманого працівника. обмін або повернення товару належної якості провадиться: якщо не використовувався; якщо збережено його товарний вигляд, споживчі властивості, пломби, ярлики; на підставі розрахунковий документ, виданий споживачеві разом з проданим товаром. умови обміну / повернення товару неналежної якості стаття 8. Згідно із законом України «про захист прав споживачів»: в разі виявлення протягом встановленого гарантійного строку недоліків споживач, в порядку та в строки, встановлені законодавством, має право вимагати безоплатного усунення недоліків товару в розумний строк. вимоги споживача, передбачених цією статтею, не підлягають задоволенню, якщо продавець, виробник (підприємство, що задовольняє вимоги споживача, встановлені частиною першою цієї статті) доведуть, що недоліки товару виникли внаслідок порушення споживачем правил користування товаром або його зберігання. Споживач має право брати участь у перевірці якості товару особисто або через свого представника.