Производитель Гидросила
Аналог:
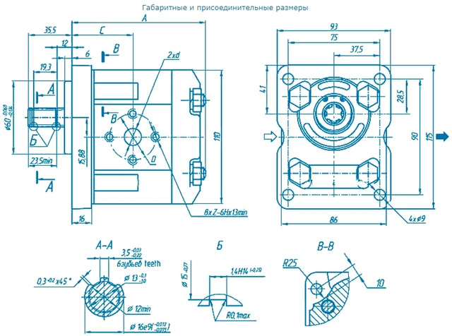
Насос НШ 4Г-3 самый малый из серийно выпускаемых объединением "Гидросила" ― цифра "4" в маркировке говорит об объеме насоса в 4,5 см3. Получается производительность НШ 4Г при оборотах приводного двигателя равна 4,5 л/мин. Цифра "3" обозначает исполнение насоса по давлению, т.е. номинальное давление НШ4Г равно 16 МПа.
Насосы НШ 4Г-3 выпускается как левого, так и правого вращения, в зависимости от сборки. Левого вращения – вращение ведущего ротора против часовой стрелки, правого вращения – вращение ведущего ротора по часовой стрелке, если смотреть со стороны привода.
Перед монтажом насоса НШ4 проверьте совпадает ли направление вращения вала ведущей шестерни, которое указано на крышке насоса, с направлением вращения привода (выходного вала редуктора, электродвигателя и т. п.). Привод должен исключать передачу радиальных н осевых усилий на ведущий вал насоса, а также обеспечивать возможность его радиальных перемещеннй до 0,3 мм.

Вал привода 6 шлицов


Применяемость НШ 4Г-3:
- МТЗ-320 LDW 1503 NR (LDW1603/B3) и минитрактора, станки, прессы, дровоколы
Купить гидравлический насос в Гидромаркете — значит
убедиться в качественном и длительном функционировании с
гарантийным сроком.
Мы предоставляем:
HYDROMARKET — Ваш надёжный поставщик высококачественной техники.
Наличие уточняйте у менеджера!

Western Union, MoneyGramm, Contact
Если клиент находится за пределами Украины и готов сделать предоплату международным денежным переводом.
WebMoney, PayPal, Yandex Деньги
Если клиент находится за пределами Украины и имеет возможность осуществить оплату в виде электронного платежа - мы принимаем деньги на любые электронные кошельки.
Безналичный расчёт
Возможен безналичный расчет с полным документальным сопровождением.
Наличный расчёт
Оплата наличными возможна в случае самовывоза.
Наложенный платеж
При пересылке "Новой почтой" возможна оплата наложенным платежом, т.е., при получении покупателем своего заказа.
Новая Почта
Самовывоз
Мы работаем с пн-пт с 8:30 до 19:00, сб 10:00-16:00. Наш офис находится по адресу Киев, Вишневое, ул.Чорновола 2а. Вы сможете приехать, лично проверить товар и в случае необходимости установить его на нашем СТО.
Интайм
Служба доставки грузов по Украине. Стоимость доставки можно рассчитать на сайте перевозчика intime.ua
Деливери
Доставка грузов по Украине. Расчет стоимости доставки можно произвести на сайте перевозчика delivery-auto.com
Передать попутной машиной
Одним из бюджетных вариантов доставки товара за границу является отправка его с попутным авто. Мы найдем попутный автомобиль и передадим вам товар с водителем.
Договориться о встрече в Киеве
Стоимость доставки 1 грн.Мы можем предварительно договориться о встрече в городе и пересечься в удобное для вас и нас время. Бесплатно.
Международные перевозчики
ПониЭкспресс, BinExpress, UkrCargo, DHL, Dimex, Express-dostavka и любыми удобными для вас международными перевозчиками и согласно их тарификации. Доставка в среднем длится 3-5 дней.
Повернення і обмін
Відповідно до закону України «про захист прав споживачів» ви можете протягом 14 днів з моменту покупки повернути або обміняти товар, придбаний в магазині, за умови виконання всіх норм передбачених законом. Умови обміну / повернення товару належної якості стаття 9. Відповідно до закону України «про захист прав споживачів»: споживач має право обміняти непродовольчий товар належної якості на аналогічний у продавця, у якого він був придбаний, якщо товар не задовольнив його за формою, габаритами, фасоном, кольором, розміром або з інших причин не може бути ним використаний за призначенням. Споживач має право на обмін товару належної якості протягом чотирнадцяти днів, не рахуючи дня покупки. споживач (термін вживається в такому значенні згідно статті 1. п.22 закону України «про захист прав споживачів») – фізична особа, яка купує, замовляє, використовує або має намір придбати чи замовити продукцію для особистих потреб, не пов’язаних з підприємницькою діяльністю або виконанням обов’язків найманого працівника. обмін або повернення товару належної якості провадиться: якщо не використовувався; якщо збережено його товарний вигляд, споживчі властивості, пломби, ярлики; на підставі розрахунковий документ, виданий споживачеві разом з проданим товаром. умови обміну / повернення товару неналежної якості стаття 8. Згідно із законом України «про захист прав споживачів»: в разі виявлення протягом встановленого гарантійного строку недоліків споживач, в порядку та в строки, встановлені законодавством, має право вимагати безоплатного усунення недоліків товару в розумний строк. вимоги споживача, передбачених цією статтею, не підлягають задоволенню, якщо продавець, виробник (підприємство, що задовольняє вимоги споживача, встановлені частиною першою цієї статті) доведуть, що недоліки товару виникли внаслідок порушення споживачем правил користування товаром або його зберігання. Споживач має право брати участь у перевірці якості товару особисто або через свого представника.