


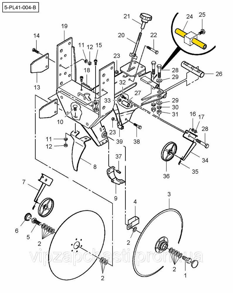
1 - N858898 - 1 - Bolt M16 X 40
2 - 852080 - 14 - Shim
3 - 700164107 - 2 - Disc See Page - Reference Number 060-0030/1
4 - N855728 - 1 - Centraliser
5 - 390419X1 - 1 - Bolt M16 X 40
6 - W247165B 2 - Cap Right Hand
7 - 853024 - 1 - Support Right Hand
8 - 852031 - 1 - Shield
9 - 700727486 - 1 - Guard
10 - 7700495 - 2 - Bolt M10 X 25
11 - 3733405M1 - 6 - Lock Washer M10
12 - 1440249X1 - 6 - Nut M10
13 - N857120 - 2 - Bracket
14 - 700708350 - 4 - Bolt M10 X 30
15 - 391989X1 - 2 - Bolt M8 X 20
16 - 1177981 - 4 - Spring Washer M8
17 - 1702893 - 4 - Nut M8
18 - 62786 - 1 - Pin 1/4" X 2-1/2
19 - 700160098 - 1 - Frame
20 - 700158306 - 1 - Rod
21 - 700158323 - 1 - Knob
22 - 7772593 - 1 - Bolt M10 X 60
23 - 700708225 - 2 - Locknut M10
24 - N858768 - 1 - Shaft
25 - 7772478 - 1 - Bolt M16 X 25
26 - N857546 - 1 - Pivot
27 - WAF975 - 1 - Bush 3/4" X 1-1/2
28 - 700712386 - 4 - Bolt M12 X 65
29 - 390735X1 - 4 - Flat Washer M12
30 - 339369X1 - 3 - Lock Washer M12
31 - 3009695X1 - 3 - Nut M12
32 - 339123X1 - 2 - Bolt M8 X 20
33 - N858844 - 1 - Locknut M12
34 - 853023 - 1 - Support Left Hand
35 - W248437B - 2 - Clip
36 - W248434BS - 2 - Scraper
W248437B - 1 - Clip (36)
37 - 357182X1 - 2 - Roll Pin 5/16" X 7/8
38 - 7771728 - 1 - Bolt M10 X 40
39 - 852275 - 1 - Spacer 5/8" X 7/8
Безналичный расчёт
Наличный расчёт
Наложенный платеж
Предоплата
Новая Почта
Самовывоз
Интайм
Автолюкс
Гюнсел
Ночной Экспресс
Повернення і обмін
Відповідно до закону України «про захист прав споживачів» ви можете протягом 14 днів з моменту покупки повернути або обміняти товар, придбаний в магазині, за умови виконання всіх норм передбачених законом. Умови обміну / повернення товару належної якості стаття 9. Відповідно до закону України «про захист прав споживачів»: споживач має право обміняти непродовольчий товар належної якості на аналогічний у продавця, у якого він був придбаний, якщо товар не задовольнив його за формою, габаритами, фасоном, кольором, розміром або з інших причин не може бути ним використаний за призначенням. Споживач має право на обмін товару належної якості протягом чотирнадцяти днів, не рахуючи дня покупки. споживач (термін вживається в такому значенні згідно статті 1. п.22 закону України «про захист прав споживачів») – фізична особа, яка купує, замовляє, використовує або має намір придбати чи замовити продукцію для особистих потреб, не пов’язаних з підприємницькою діяльністю або виконанням обов’язків найманого працівника. обмін або повернення товару належної якості провадиться: якщо не використовувався; якщо збережено його товарний вигляд, споживчі властивості, пломби, ярлики; на підставі розрахунковий документ, виданий споживачеві разом з проданим товаром. умови обміну / повернення товару неналежної якості стаття 8. Згідно із законом України «про захист прав споживачів»: в разі виявлення протягом встановленого гарантійного строку недоліків споживач, в порядку та в строки, встановлені законодавством, має право вимагати безоплатного усунення недоліків товару в розумний строк. вимоги споживача, передбачених цією статтею, не підлягають задоволенню, якщо продавець, виробник (підприємство, що задовольняє вимоги споживача, встановлені частиною першою цієї статті) доведуть, що недоліки товару виникли внаслідок порушення споживачем правил користування товаром або його зберігання. Споживач має право брати участь у перевірці якості товару особисто або через свого представника.