


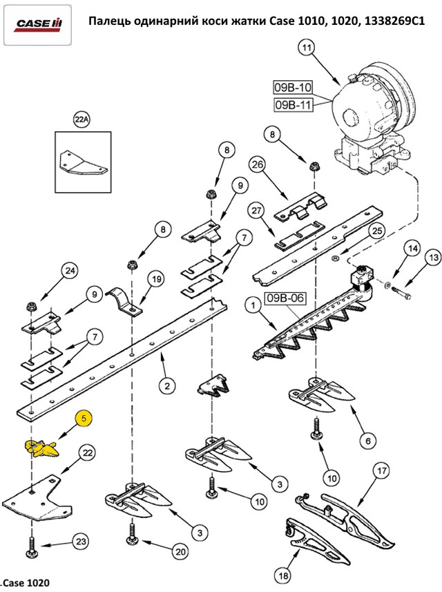
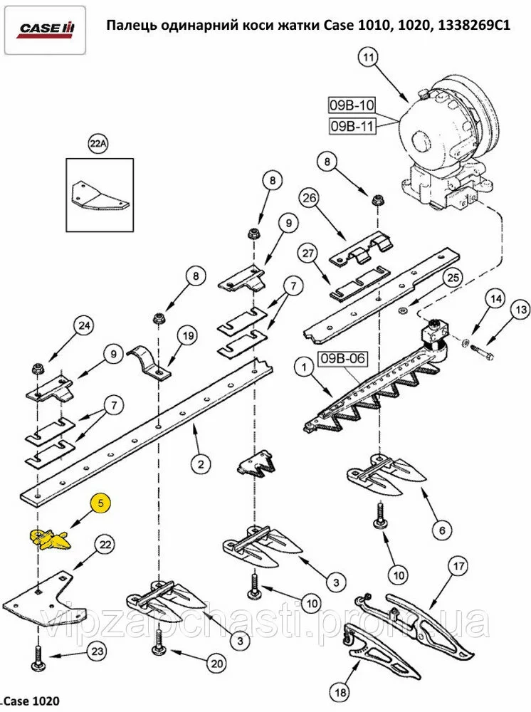
1 - REF - 1 - INSTRUCTION, Knife Assy, See figure 09B-06
2 - 1307412C1 - 1 - CUTTERBAR, 15.0 foot
2 - 1326813C1 - 1 - CUTTERBAR, 16.5 foot
2 - 1307413C1 - 1 - CUTTERBAR, 17.5 foot, BSN JJC0350294
2 - 1307414C1 - 1 - CUTTERBAR, 20.0 foot, BSN JJC0350294
2 - 1307415C1 - 1 - CUTTERBAR, 22.5 foot, BSN JJC0350294
2 - 1307416C1 - 1 - CUTTERBAR, 25.0 foot, BSN JJC0350294
2 - 1307417C1 - 1 - CUTTERBAR, 30.0 foot, BSN JJC0350294
3 - 1307299C2 - X - GUARD, knife 3" double
3 - 334305A1 - X - GUARD, knife, 3" double
5 - 1338269C1 - 2 - GUARD, stub (15.0, 20.0, 25.0 and 30.0
foot)
6 - 1326787C3 - 3 - GUARD, knife 3" special LH, BSN JJC0350294
7 - 1316039C1 - X - SHIM, 4 1/2' x 1 1/2" x .016"
8 - 1313463C1 - X - NUT, LOCK, hex small flange, 7/16" NC
9 - 1307280C3 - X - CLIP, KNIFE, hold down, low arch
10 - 86508778 - X - BOLT, CARRIAGE, Short NK, 7/16"-14 x 1 3/4",
G5,
11 - REF - 1 - INSTRUCTION, Box Assy, See figure(s) 09B-10,
09B-11
13 - 280355 - 2 - BOLT, Hex, 5/8"-11 x 2 1/4", G8,
14 - 396-21066 - 2 - WASHER, 21/32" x 1 5/16" x .150", HDN,
17 - 608787R91 - X - LIFTER, GRAIN,
18 - 163417C91 - X - LIFTER, GRAIN, heavy duty
19 - 1313160C2 - X - CLAMP, 1 1/2"
20 - 88586 - X - BOLT, CARRIAGE, Short NK, 7/16"-14 x 1 1/2",
G5,
22 - 1326342C4 - 1 - DEFLECTOR, crop, No Longer Available, Order
363164A1 and 363170A1 Shoe
22 - 363164A1 - 1 - DEFLECTOR, crop 3", BSN JJC0350294
22A - 363170A1 - 1 - SKID/SHOE, polyskid RH crop deflector
23 - 434-732 - 2 - BOLT, CARRIAGE, Short NK, 7/16"-14 x 2", G5,
24 - 231-4117 - 2 - NUT, LOCK, 7/16"-14, GB,
25 - 495-81287 - 1 - WASHER, 17/32" x 1 1/4" x .120",
26 - 375900A1 - 1 - CLIP, KNIFE, hold down LH 3"
27 - 379093A1 - 2 - SHIM, 3" knife, head hold down
Безналичный расчёт
Наличный расчёт
Наложенный платеж
Предоплата
Новая Почта
Самовывоз
Интайм
Автолюкс
Гюнсел
Ночной Экспресс
Повернення і обмін
Відповідно до закону України «про захист прав споживачів» ви можете протягом 14 днів з моменту покупки повернути або обміняти товар, придбаний в магазині, за умови виконання всіх норм передбачених законом. Умови обміну / повернення товару належної якості стаття 9. Відповідно до закону України «про захист прав споживачів»: споживач має право обміняти непродовольчий товар належної якості на аналогічний у продавця, у якого він був придбаний, якщо товар не задовольнив його за формою, габаритами, фасоном, кольором, розміром або з інших причин не може бути ним використаний за призначенням. Споживач має право на обмін товару належної якості протягом чотирнадцяти днів, не рахуючи дня покупки. споживач (термін вживається в такому значенні згідно статті 1. п.22 закону України «про захист прав споживачів») – фізична особа, яка купує, замовляє, використовує або має намір придбати чи замовити продукцію для особистих потреб, не пов’язаних з підприємницькою діяльністю або виконанням обов’язків найманого працівника. обмін або повернення товару належної якості провадиться: якщо не використовувався; якщо збережено його товарний вигляд, споживчі властивості, пломби, ярлики; на підставі розрахунковий документ, виданий споживачеві разом з проданим товаром. умови обміну / повернення товару неналежної якості стаття 8. Згідно із законом України «про захист прав споживачів»: в разі виявлення протягом встановленого гарантійного строку недоліків споживач, в порядку та в строки, встановлені законодавством, має право вимагати безоплатного усунення недоліків товару в розумний строк. вимоги споживача, передбачених цією статтею, не підлягають задоволенню, якщо продавець, виробник (підприємство, що задовольняє вимоги споживача, встановлені частиною першою цієї статті) доведуть, що недоліки товару виникли внаслідок порушення споживачем правил користування товаром або його зберігання. Споживач має право брати участь у перевірці якості товару особисто або через свого представника.