

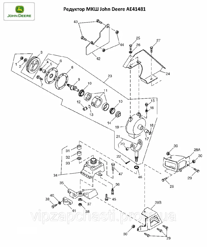
1 - Стопорная гайка 1 E43336
2 - Шайба 1 24H1399 25/32" X 1-5/8" X 0.180"
3 - Шкив 1 E78705
4 - Сальник 1 AE53176 Замечания : (SUB FOR AT21780)
5 - Подшипник 1 AE38359
6 - Крышка 1 AE38566
7 - Винт 6 19H3467 Замечания : 5/16" X 1"
8 - Жидкая прокладка 1 TY24344
9 - Вилка 1 AE57735 Замечания : (SUB FOR AE55172)
10 - Внутр. кольцо подшипника 2 JD9088
11 - Вилка 1 AE57735 Замечания : (SUB FOR AE34799)
12 - Шпиндель 2
13 - Дисковое орудие 2
14 - Гайка 1 E59303
15 - Редукционный клапан 1 AE38448
16 - Трубная втулка 1 15H511 1/8", 3/8" X 1/8"
17 - Игольчатый подшипник 1 JD9977
18 - Сальник 1 AE53175 Замечания : (SUB FOR AE47781)
19 - Корпус 1 AE35151
20 - Втулка 2 E57837
21 - Вилка 1 AE57735 Замечания : (SUB FOR AE51772)
22 - Шплинт 1 11M7032 Замечания : 5 X 50 mm
23 - Привод 1 AE41481
24 - Щиток 1 H174438 Замечания : RIGID - RICE (SUB FOR H151791)
25 - Винт с головкой 2 19H1648 Замечания : 3/8" X 3/4"
26 - Стопорная шайба 2 12H304 3/8 дюйма
27 - Винт с головкой 1 19M7297 Замечания : M8 X 12
28A - Щиток 1 AH148185 Замечания : FLEX (SUB FOR AH145990)
28B - Щиток 1 AH158176 Замечания : Жесткая
29 - Болт 1 03M7190 Замечания : M10 X 20, (FLEX-1 USED; RIGID-3
USED)
29 - Болт 2 03M7184 Замечания : M8 X 20, (FLEX ONLY)
30 - Фланцевая гайка 1 14M7296 Замечания : M10
30 - Стопорная гайка 2 H137328 Замечания : M8
31 - Игольчатый подшипник 1 JD9861
32 - Игольчатый подшипник 1 JD9861
33 - Сальник AE53177 (SUB FOR AE49271)
34 - Опора 1 AH133448 Замечания : (Жесткий)
34 - Опора 1 AH133449 Замечания : (FLEX)
35 - Рукоять 1 H136757 Замечания : (Жесткий)
35 - Рукоять 1 H136758 Замечания : (FLEX)
36 - Болт 3 H150316
36 - Стопорная шайба 3 12H301 Замечания : 1/2"
36 - Гайка 3 14M7275 Замечания : M12
37 - Шайба 1 E87643
38 - Гайка 1 14H875 Замечания : 7/8"
39 - Винт с головкой 2 19H2473 Замечания : 1/2" X 1-3/4"
40 - Шайба 2 T29342
41 - Корп. подшипн. без подш. 1 H98780
42 - Щиток 1 H151792
43 - Винт с головкой 2 19M7560 Замечания : M6 X 16
44 - Стопорная гайка 2 14M7528 Замечания : M6
45 - Винт 4 19H3343 Замечания : 5/8" X 2"
46 - Уплотнительное кольцо 1 T14065
47 - Болт 4 H150316
Безналичный расчёт
Наличный расчёт
Наложенный платеж
Предоплата
Новая Почта
Самовывоз
Интайм
Автолюкс
Гюнсел
Ночной Экспресс
Повернення і обмін
Відповідно до закону України «про захист прав споживачів» ви можете протягом 14 днів з моменту покупки повернути або обміняти товар, придбаний в магазині, за умови виконання всіх норм передбачених законом. Умови обміну / повернення товару належної якості стаття 9. Відповідно до закону України «про захист прав споживачів»: споживач має право обміняти непродовольчий товар належної якості на аналогічний у продавця, у якого він був придбаний, якщо товар не задовольнив його за формою, габаритами, фасоном, кольором, розміром або з інших причин не може бути ним використаний за призначенням. Споживач має право на обмін товару належної якості протягом чотирнадцяти днів, не рахуючи дня покупки. споживач (термін вживається в такому значенні згідно статті 1. п.22 закону України «про захист прав споживачів») – фізична особа, яка купує, замовляє, використовує або має намір придбати чи замовити продукцію для особистих потреб, не пов’язаних з підприємницькою діяльністю або виконанням обов’язків найманого працівника. обмін або повернення товару належної якості провадиться: якщо не використовувався; якщо збережено його товарний вигляд, споживчі властивості, пломби, ярлики; на підставі розрахунковий документ, виданий споживачеві разом з проданим товаром. умови обміну / повернення товару неналежної якості стаття 8. Згідно із законом України «про захист прав споживачів»: в разі виявлення протягом встановленого гарантійного строку недоліків споживач, в порядку та в строки, встановлені законодавством, має право вимагати безоплатного усунення недоліків товару в розумний строк. вимоги споживача, передбачених цією статтею, не підлягають задоволенню, якщо продавець, виробник (підприємство, що задовольняє вимоги споживача, встановлені частиною першою цієї статті) доведуть, що недоліки товару виникли внаслідок порушення споживачем правил користування товаром або його зберігання. Споживач має право брати участь у перевірці якості товару особисто або через свого представника.