Каталог товаров
ТОП
продажи

Резервуары для хранения сжиженного газа

в наличии
0,00 грн.
Купить в один клик
Регион: Украина, Житомирская обл., Коростень
Написать продавцу
Проверенный поставщик
На Агробиз
4 Года
Время ответа:
более суток
Описание товара

У нас Вы можете купить емкостные аппараты для хранения сжиженного газа (СУГ). Мы производим горизонтальные или вертикальные резервуары из стали, титана и сплавов. Внутри резервуары покрываются защитным покрытием, что позволяет обеспечить соответствующие условия хранения.

Оборудование производится с учетом норм и ГОСТ.

Ресиверы для транспортировки газа

Наименование оборудование Назначение
Ресивер дренажный вертикальный
РДВ - 1,5
РДВ - 2,5
РДВ - 3,5
РДВ - 5
Предназначены для временного приема жидкого хладагента (аммиака) из охлаждающих устройств и холодильных аппаратов
Ресивер дренажный горизонтальный
РД - 0,75
РД - 1,5
РД - 2,5
РД - 3,5
РД - 5
Предназначены для слива жидкого аммиака из систем холодильных установок общепромышленного назначения
Ресивер линейно-дренажный
РЛД - 2,0
РЛД - 4,0
РЛД - 8,0
РЛД - 12,0
Для отвода сконденсированного хладагента (аммиака) из конденсатора, а также могут использоваться для хранения жидкого аммиака
Ресивер компаудно-циркуляционный
РКЦ - 2.0Р
РКЦ - 4,0
РКЦ - 8,0
РКЦ - 12,5
РКЦ -20,0
Используется как промежуточный сосуд с полным переохлаждением жидкого аммиака, а также как циркуляционный сосуд для насосной подачи жидкого аммиака к выпарным аппаратам стороны промежуточного давления в составе стационарных холодильных установок двухступенчатого сжатия
Ресивер циркуляционно-защитный
РЦЗ - 2,0
РЦЗ - 4,0
РЦЗ - 8,0
РЦЗ - 12,5
РЦЗ - 20,0
Предназначены для хранения запаса хладагента с целью обеспечения нормальной работы холодильной установки, а также для приема хладагента при выбросе его из батарей
Отделитель жидкости
70-ВРВ
100-ВРГ
125-ВРГ
150-ВРГ
200-ВРГ
Предназначены для отделения жидкой фазы из пароридииной аммиачной смеси с целью защиты компрессора от гидравлических ударов, от работы на влажном ходу, и используются в холодильных установках общепромышленного назначения холодопроизводительностью от 116 до 1400 кВт, работающих на аммиаке и хладонах.
Маслоотделители вертикальные
50МА
80МА
100МА
125М
150М
200М
300М
Предназначены для отделения масла, захватываемого парами холодильного агента из компрессора, чтобы избежать попадания его в больших количествах в теплообменные аппараты.
Промежуточная посудина
40-ППЗ
ППА-600
ППА-800
Предназначены для полного промежуточного охлаждения пара холодильного агента после низкой степени сжатия, для переохлаждения жидкости перед дросселированием, а также играют роль отделителя жидкости
Маслоотделитель
МВ-100
МВ-150
МВ-200
Предназначены для отделения масла, захватываемого парами хладагента из компрессора, чтобы избежать попадания его в больших количествах в теплообменные аппараты.

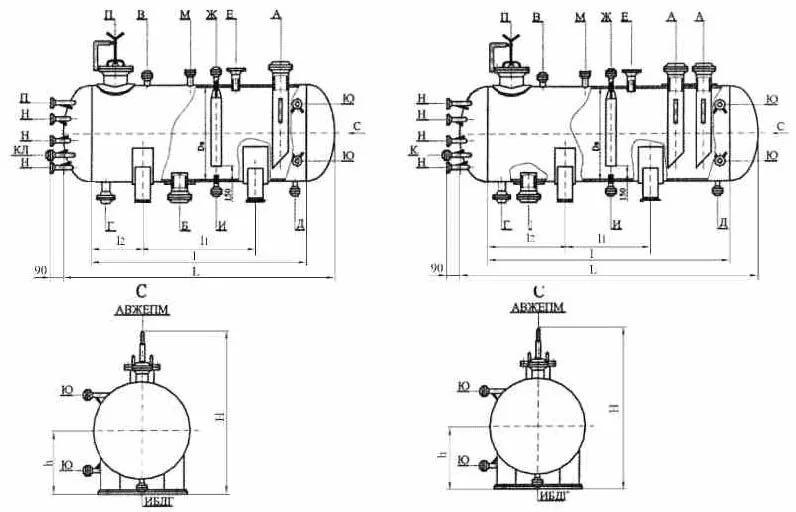
Реализуем аппараты емкостные цилиндрические для газовых и жидких сред с номинальными объемами от 2 до 50 м3, с условными давлениями от 0,8 до 2,5 МПа (от 8 до 25 кгс/см2) и температурой среды от минус 60 до 200 °С, применяются в технологических установках химической, нефтехимической, нефтеперерабатывающей, нефтяной и газовой отраслях промышленности.

Требования к жидкостям по использованию емкостных аппаратов:

  • Вредность хранимых веществ не должна преувеличивать класса опасности 2 ГОСТ 12. 1.007-76.
  • Плотность воды менее 1000 кг/м3.
  • Температура жидкостей не должна превышать температуру кипения при рабочем давлении и не должна превышать упругость паров жидкости, которое может превысить рабочее давление.
  • Аппараты не предназначены для хранения сжиженных углеводородных газов в складских условиях.
  • Аппараты предназначены для установки к V включительно географическим районам по скоростному напору ветра, сейсмичностью до 8 баллов включительно согласно СНиП 2.01.07-85 и СНиП II-7-81.
  • Аппараты используются в районах с умеренным, прохладным и тропическим климатом.
  • Климатическое исполнение аппаратов при поставке в районы с умеренным или холодным климатом – УХЛ1, с тропическим климатом – Т1 по ГОСТ 15150-69.

Изготавливаются три типа аппаратов:

Тип 1 – горизонтальные для жидких сред;
Тип 2: вертикальные для жидких сред;
Тип 3 – вертикальные для газовых сред.

читать дальше свернуть
Варианты оплаты

Безналичный расчёт

Варианты доставки

Самовывоз

Повернення і обмін
Відповідно до закону України «про захист прав споживачів» ви можете протягом 14 днів з моменту покупки повернути або обміняти товар, придбаний в магазині, за умови виконання всіх норм передбачених законом. Умови обміну / повернення товару належної якості стаття 9. Відповідно до закону України «про захист прав споживачів»: споживач має право обміняти непродовольчий товар належної якості на аналогічний у продавця, у якого він був придбаний, якщо товар не задовольнив його за формою, габаритами, фасоном, кольором, розміром або з інших причин не може бути ним використаний за призначенням. Споживач має право на обмін товару належної якості протягом чотирнадцяти днів, не рахуючи дня покупки. споживач (термін вживається в такому значенні згідно статті 1. п.22 закону України «про захист прав споживачів») – фізична особа, яка купує, замовляє, використовує або має намір придбати чи замовити продукцію для особистих потреб, не пов’язаних з підприємницькою діяльністю або виконанням обов’язків найманого працівника. обмін або повернення товару належної якості провадиться: якщо не використовувався; якщо збережено його товарний вигляд, споживчі властивості, пломби, ярлики; на підставі розрахунковий документ, виданий споживачеві разом з проданим товаром. умови обміну / повернення товару неналежної якості стаття 8. Згідно із законом України «про захист прав споживачів»: в разі виявлення протягом встановленого гарантійного строку недоліків споживач, в порядку та в строки, встановлені законодавством, має право вимагати безоплатного усунення недоліків товару в розумний строк. вимоги споживача, передбачених цією статтею, не підлягають задоволенню, якщо продавець, виробник (підприємство, що задовольняє вимоги споживача, встановлені частиною першою цієї статті) доведуть, що недоліки товару виникли внаслідок порушення споживачем правил користування товаром або його зберігання. Споживач має право брати участь у перевірці якості товару особисто або через свого представника.

читать дальше свернуть
Покупатели этого товара также интересовались
ТОП
продажи
Цену уточняйте
в наличии
Цену уточняйте
в наличии
Цену уточняйте
в наличии
Цену уточняйте
в наличии

Вы просматривали

Сейчас ищут

Спецрахунок НБУ
Фонд "Повернись живим"
Фонд Сергія Притули
Пока не зарегистрированы?
Регистрация
Уже зарегистрированы? Войти
Уже зарегистрированы? Войти