
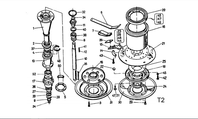
|
№№. |
Наименование части |
Символ KTM |
Кол-во, штук |
| Подшипники барабана (позиции 1,2,4,8,9,10,11,12,13,34,35,37,38,40,41,48,52) | 8245-036-010-788 | 2 | |
| 1 | Втулка барабана | 8245-036-010-747 | 2 |
| 2 | Дистанционная защита | 8245-036-010-031 | 2 |
| 3 | Винт M12x50 | 8245-036-000-033 | 12 |
| 4 | Шарикоподшипник 6209 Z | PN-85/M-86100 | 2 |
| 5 | Дистанционное кольцо | 8245-036-000-046 | 2 |
| 6 | Сварной ключ | 8245-036-000-059 | 1 |
| 7 | Монтажные щипцы | 8245-036-000-061 | 1 |
| 8 | 8 Регулирующая шайба d 50x62x0,1 | 8245-036-010-057 | по |
| Регулирующая шайба d 50x62x0,3 | 8245-036-010-060 | потребности | |
| Регулирующая шайба d 50x62x0,5 | 8245-036-010-070 | ||
| Регулирующая шайба d 50x62x1,0 | 8245-036-010-085 | ||
| 9 | Регулирующая шайба d 25x55x0,1 | 8245-036-010-098 | по |
| Регулирующая шайба d 25x55x0,3 | 8245-036-010-105 | потребности | |
| Регулирующая шайба d 25x55x0,5 | 8245-036-010-118 | ||
| Регулирующая шайба d 25x55x1,0 | 8245-036-010-120 | ||
| 10 | Приводной вал | 8245-036-010-617 | 2 |
| 11 | Малое зубчатое колесо | 8245-036-010-660 | 2 |
| 12 | Призматический шпунт A8x7x32 | PN-70/M-85005 | 2 |
| 13 | Ступица рабочей тарелки | 8245-036-010-790 | 2 |
| 14 | Отгибающаяся подкладка | 8245-036-010-699 | 4 |
| 15 | Держатель ножей, комплект | 8245-036-010-309 | 6 |
| 16 | Кожух барабана, комплект | 8245-036-010-721 | 2 |
| 17 | Ступица скользящей тарелки | 8245-036-010-775 | 2 |
| 18 | Опорная тарелка, комплект | 8245-036-010-340 | 2 |
| 19 | Дистанционная тарелка для высокого скашивания, комплект | 8245-036-000-020 | 2 |
| 20 | Кожух барабана | 8245-036-010-365 | 2 |
| 21 | Рабочая тарелка | 8245-036-010-378 | 2 |
| 22 | Кожух | 8245-036-010-393 | 12 |
| 23 | Конусное кольцо | 8245-036-010-400 | 12 |
| 24 | Кожух | 8245-036-010-413 | 2 |
| 25 | Крышка | 8245-036-010-439 | 2 |
| 26 | Нож | 8245-036-010-454 | 6 |
| 27 | Регулирующая шайба d 45x55x1,0 | 8245-036-010-467 | по |
| Регулирующая шайба d 45x55x0,3 | 8245-036-010-470 | необх. | |
| Регулирующая шайба d 45x55x0,5 | 8245-036-010-482 | ||
| Регулирующая шайба d 45x55x1,0 | 8245-036-010-495 | ||
| 28 | Винт M12x25 - 10.9 | 8245-036-010-502 | 12 |
| 29 | Винт M12x25 | 8245-036-010-515 | 12 |
| 30 | Скользящая тарелка, комплект | 8245-036-010-528 | 2 |
| 31 | Скользящая тарелка для высокого скашивания | 8245-036-000-018 | 2 |
| 32 | Круглое уплотняющее кольцо d 70x3,5 | 8245-036-010-543 | 2 |
| 33 | Специальная подкладка | 8245-036-010-556 | 2 |
| 34 | Стопорное пружинящее кольцо Z25 | PN-81/M-85111 | 4 |
| 35 | Призматический шпунт A8x7x80 | PN-70/M-85005 | 2 |
| 36 | Шарикоподшипник 6209 2Z | PN-85/M-86100 | 2 |
| 37 | Шарикоподшипник 6210 | PN-85/M-86100 | 2 |
| 38 | Шарикоподшипник 6305 | PN-85/M-86100 | 2 |
| 39 | Стопорное пружинящее кольцо. Z45 | PN-81/M-85111 | 2 |
| 40 | Уплотняющее кольцо B40x62x7 | PN-72/M-86964 | 2 |
| 41 | Фетровый уплотнитель 5x8x12 | PN-77/M-86012 | 2 |
| 42 | Винт M10x20-8.8-A-Fe/Zn8c | PN-85/M-82105 | 20 |
| 43 | Винт M10x25-8.8-A-Fe/Zn8c | PN-85/M-82105 | 8 |
| 44 | Гайка M12-8-A-Fe/Zn8c | PN-86/M-82144 | 12 |
| 45 | Пружинная шайба 10,2-Fe/Zn5 | PN-77/M-82008 | 8 |
| 46 | Пружинная шайба 12,2-Fe/Zn5 | PN-77/M-82008 | 12 |
| 47 | Винт M10x30-8.8-A-Fe/Zn8c | PN-85/M-82105 | 12 |
| 48 | Стопорное пружинящее кольцо W90 | PN-81/M-85111 | 2 |
| 49 | Винт M10x25-8.8-A-Fe/Zn8c | PN-85/M-82105 | 12 |
| 50 | Отгибающаяся подкладка | 8245-036-010-120 | 6 |
| 51 | Винт M10x30-8.8-A-Fe/Zn8c | PN-85/M-82105 | 12 |
| 52 | Шарикоподшипник 6210 2Z | PN-85/M-86100 | 2 |
Безналичный расчёт
Наличный расчёт
Наложенный платеж
Предоплата
Новая Почта
Самовывоз
Интайм
Автолюкс
Гюнсел
Ночной Экспресс
Повернення і обмін
Відповідно до закону України «про захист прав споживачів» ви можете протягом 14 днів з моменту покупки повернути або обміняти товар, придбаний в магазині, за умови виконання всіх норм передбачених законом. Умови обміну / повернення товару належної якості стаття 9. Відповідно до закону України «про захист прав споживачів»: споживач має право обміняти непродовольчий товар належної якості на аналогічний у продавця, у якого він був придбаний, якщо товар не задовольнив його за формою, габаритами, фасоном, кольором, розміром або з інших причин не може бути ним використаний за призначенням. Споживач має право на обмін товару належної якості протягом чотирнадцяти днів, не рахуючи дня покупки. споживач (термін вживається в такому значенні згідно статті 1. п.22 закону України «про захист прав споживачів») – фізична особа, яка купує, замовляє, використовує або має намір придбати чи замовити продукцію для особистих потреб, не пов’язаних з підприємницькою діяльністю або виконанням обов’язків найманого працівника. обмін або повернення товару належної якості провадиться: якщо не використовувався; якщо збережено його товарний вигляд, споживчі властивості, пломби, ярлики; на підставі розрахунковий документ, виданий споживачеві разом з проданим товаром. умови обміну / повернення товару неналежної якості стаття 8. Згідно із законом України «про захист прав споживачів»: в разі виявлення протягом встановленого гарантійного строку недоліків споживач, в порядку та в строки, встановлені законодавством, має право вимагати безоплатного усунення недоліків товару в розумний строк. вимоги споживача, передбачених цією статтею, не підлягають задоволенню, якщо продавець, виробник (підприємство, що задовольняє вимоги споживача, встановлені частиною першою цієї статті) доведуть, що недоліки товару виникли внаслідок порушення споживачем правил користування товаром або його зберігання. Споживач має право брати участь у перевірці якості товару особисто або через свого представника.