

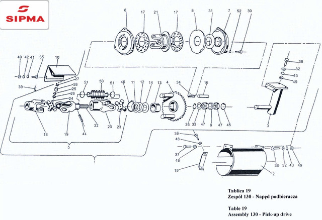
1 - Napęd podbieracza (poz.
13 w tablicy 18) (
2023-130-760.01c )
2 - Osłona blaszana
kpl. (
2024-130-610.00 )
3 - Ramię wspornika
( 2023-130-650.02 )
4 - Koło łańcuchowe spaw.
Z43 (
2023-130-770.01 )
5 - Waі przegubowy podbieracza
(poz. 18-
28+44+50+51)
( 5223-130-780.02c )
6 - Pokrywa lewa
( 0829-401-854 )
7 - Pokrywa prawa
( 0829-401-855 )
8 - Tarcza
dociskowa (
2023-130-011.01 )
9 - Tuleja
dystansowa (
0829-401-151 )
10 - Osłona
( 2023-130-190.10 )
11 - Podkładka
75,5x90x1 (
2023-130-193.00 )
12 - Podkładka
75,5x90x1,5 (
2023-130-194.00 )
13 - Tuleja łożyska
( 0829-402-075 )
14 - Podkładka zabezpieczająca
75,5x90x1,5 (
2023-130-203.00 )
15 - Uchwyt
( 2023-130-227.00 )
16 - Trzpień
( 2010-130-151.00 )
17 - Okładzina
sprzęgła (
1338-311-004 )
18 - Widłak przegubu
I ( 0829-401-058
)
19 - Widłak przegubu
II ( 0829-401-057
)
20 - Widłak przegubu
III ( 0829-401-133
)
21 - Piasta
sprzęgła ( 0829-401-011
)
Piasta
sprzęgła (
0829-401-014 )
22 - Wałek
wielowypustowy (
0829-811-013 )
23 - Krzyżak przegubu kpl.
30210/01.04.000
(poz.
24-28) (
0829-401-003 )
24 - Krzyżak
przegubu (
0829-401-003 )
25 - Uszczelka łożyska
przegubu (
)
26 - Gniazdo uszczelki łożyska
przegubu (
)
27 - Pierścień
sprężysty (
)
28 - Łożysko igiełkowe
CBK-077 (
)
29 - Pierścień osadczy
sprężysty 25x2 (
0639-361-034 )
30 - Śruba
M8x30-8.8 (
0653-511-016zn )
31 - Sprężyna
talerzowa (
8800-209-321.20 )
32 - Podkładka okrągła
A10,5x30x3 (
0653-181-020zn )
33 - Podkadka oporowa
25x35x2 (
8900-071-302.00 )
34 - Sprężyna
1,2x11x30-5 (
0829-401-481 )
35 - Śruba
M6x16-5.8B (
0653-132-091zn )
36 - Śruba
M8x20-8.8B (
0653-134-041zn )
37 - Śruba
M10x20-8.8B (
0653-133-047zn )
38 - Śruba
M10x35-8.8B (
0653-313-007zn )
39 - Śruba
M10x20-6.8B (
)
40 - Nakrętka M6-5B
( 0653-322-019zn )
41 - Nakrętka M6-5B
( 0653-322-019zn )
42 - Podkładka sprężysta
Z6,1 (
0653-191-005zn )
43 - Podkładka sprężysta
Z10,2 (
0653-192-001zn )
44 - Kołek sprężysty
8x50 ( 0653-512-115
)
45 - Pierścień osadczy
sprężysty W47 (
0639-361-050 )
46 - Pierścień osadczy
sprężysty Z75 (
0639-362-018 )
47 - Łożysko kulkowe 6005
RS ( 0631-114-044
)
48 - Nakrętka
samozabezpieczająca M8-8B (
0653-156-014zn )
49 - Nakrętka
samozabezpieczająca M10-8B (
0653-156-022zn )
50 - Osłonka
mieszkowa (
1373-189-004 )
51 - Opaska
zaciskowa (
5223-130-151.00 )
52 - Podkładka sprężysta
8,2 (
0653-191-009zn )
Безналичный расчёт
Наличный расчёт
Наложенный платеж
Предоплата
Новая Почта
Самовывоз
Интайм
Автолюкс
Гюнсел
Ночной Экспресс
Повернення і обмін
Відповідно до закону України «про захист прав споживачів» ви можете протягом 14 днів з моменту покупки повернути або обміняти товар, придбаний в магазині, за умови виконання всіх норм передбачених законом. Умови обміну / повернення товару належної якості стаття 9. Відповідно до закону України «про захист прав споживачів»: споживач має право обміняти непродовольчий товар належної якості на аналогічний у продавця, у якого він був придбаний, якщо товар не задовольнив його за формою, габаритами, фасоном, кольором, розміром або з інших причин не може бути ним використаний за призначенням. Споживач має право на обмін товару належної якості протягом чотирнадцяти днів, не рахуючи дня покупки. споживач (термін вживається в такому значенні згідно статті 1. п.22 закону України «про захист прав споживачів») – фізична особа, яка купує, замовляє, використовує або має намір придбати чи замовити продукцію для особистих потреб, не пов’язаних з підприємницькою діяльністю або виконанням обов’язків найманого працівника. обмін або повернення товару належної якості провадиться: якщо не використовувався; якщо збережено його товарний вигляд, споживчі властивості, пломби, ярлики; на підставі розрахунковий документ, виданий споживачеві разом з проданим товаром. умови обміну / повернення товару неналежної якості стаття 8. Згідно із законом України «про захист прав споживачів»: в разі виявлення протягом встановленого гарантійного строку недоліків споживач, в порядку та в строки, встановлені законодавством, має право вимагати безоплатного усунення недоліків товару в розумний строк. вимоги споживача, передбачених цією статтею, не підлягають задоволенню, якщо продавець, виробник (підприємство, що задовольняє вимоги споживача, встановлені частиною першою цієї статті) доведуть, що недоліки товару виникли внаслідок порушення споживачем правил користування товаром або його зберігання. Споживач має право брати участь у перевірці якості товару особисто або через свого представника.