

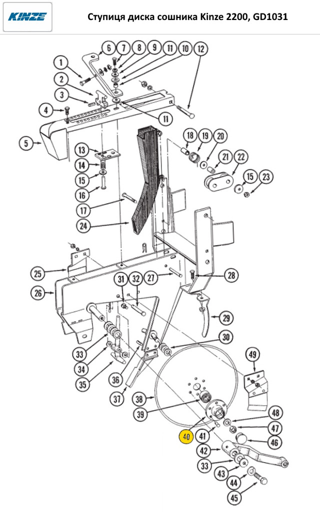
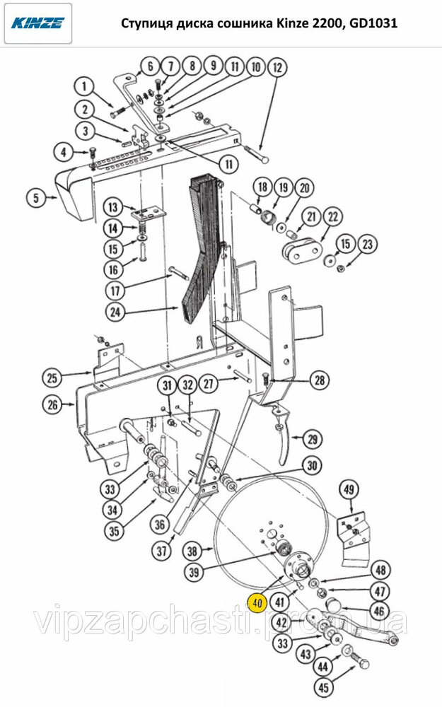
1.- G10305 - 2 - Carriage Bolt, 3/8"-16 x
1", Grade 2
G10210 - 2 - Washer,
3/8" USS
G10229 - 2 - Lock Washer,
3/8"
G10101 - 2 - Hex Nut,
3/8"-16
2.- GB0102 - 1 - Depth Adjusting Handle
3.- G10605 - 1 - Spring Pin, 5/32" x 3/4"
4. - G10001 - 1 - Hex Head Cap Screw, 3/8"-16 x
1"
G10229 - 1 - Lock Washer,
3/8"
5.- GA0811 - 1 - Shank Cover
6.- GD1027 - 1 - Stabilizer Bracket
7.- G10003 - 1 - Hex Head Cap Screw, 3/8"-16 x
1 1/2"
8.- G10229 - 1 - Lock Washer, 3/8"
9.- G10208 - 1 - Special Washer, 13/32"
10. - GD1110 - 1 - Bushing, 1/2"
11.- GD1120 - 2 - Rubber Washer
12.- G10304 - 1 - Carriage Bolt, 3/8"-16 x 3",
Grade 2
G10108 - 1 - Lock Nut,
3/8"-16
13.- GB0105 - 1 - Depth Adjusting Slide
14. GD1066 - 1 - Compression Spring
15.- G10210 - 1 - Washer, 3/8" USS
16.- G10552 - 1 - Clevis Pin, 3/8" x 2"
17.- G10307 - 1 - Carriage Bolt, 3/8"-16 x 3 1/2",
Grade 2
18.- GD7318 - 1 - Bushing, 1"
19.- GD1065 - 1 - Idler Spring
20.- G10201 - 1 - Special Washer
21.- GD1026 - 1 - Spacer, 1 3/16"
22.- GD9240 - 1 - Idler
23.- G10108 - 1 - Lock Nut, 3/8"-16
24.- GD1130 - Seed Tube, Regular
GA5880 - Seed Tube
W/High Rate Sensor
GR1062 - Seed Tube
(With Holes For High Rate Sensor Installation)
GR1087 - Sensor Only (For
GA5880)
25.- GA2012L - 1 - Disc Scraper, L.H.
26.- GA0860 - 1 - Shank
27.- G10551 - 1 - Clevis Pin, 1/4" x 2
1/2"
G10669 - 1 - Hair
Pin Clip, No. 22
28.- G10312 - 2 - Carriage Bolt, 5/16"-18 x
3/4", Grade 2
G10620 - 2 - Flange
Nut, 5/16"-18
29.- GD1033 - 1 Shield
30.- G10213 - Machine Bushing, .030" Gauge (As
Required)
31.- G10328 - 4 Hex Head Cap Screw, 3/8"-16
x 5/8"
G10622 - 4 - Hex Flange
Nut, 3/8"-16
32.- G10555 - 1 - Clevis Pin, 1/2" x 2 1/2"
G10451 - 1 - Cotter
Pin, 1/8" x 1"
33.- G10526 - Spacer Washer, .048" Gauge (As
Required)
34.- G10206 - 2 - Washer, 1/2" SAE
35.- GB0104 - 1 - Depth Adjusting Stop
36.- G10814 - 2 - Spring Pin, 1/4" x 7/8"
37.- GB0103 - 1 - Seed Tube Guard/Inner
Scraper
38.- GD1030 - 2 - Disc, 15"
39.- GA2014 - 2 - Bearing
40.- GD1031 - 2 - Housing
41.- G10427 - 12 - Rivet, 1/4" x 1/2"
42.- See “Gauge Wheel”, Page P5
43.- G10216 - 2 Washer, 1/2" USS
44.- G10228 - 2 Lock Washer, 1/2"
45.- G10014 - 2 Hex Head Cap Screw, 1/2"-13 x
1"
46.- GD6533 - 2 - Dust Cap
47.- G10503 - 1 - Jam Nut, 5/8"-11, R.H.
G10504 - 1 - Jam Nut,
5/8"-11, L.H.
48.- G10204 - 2 - Machine Bushing, 21/32"
49. - GA2012R - 1 - Disc Scraper, R.H.
A. - GA2013 - Disc And Bearing Assembly, Less
Bearing Cap (Items 38-41)
B. - G1K212 - Meter Drive Idler Kit (Items 15 And
17-23)

Подшипники:

Безналичный расчёт
Наличный расчёт
Наложенный платеж
Предоплата
Новая Почта
Самовывоз
Интайм
Автолюкс
Гюнсел
Ночной Экспресс
Повернення і обмін
Відповідно до закону України «про захист прав споживачів» ви можете протягом 14 днів з моменту покупки повернути або обміняти товар, придбаний в магазині, за умови виконання всіх норм передбачених законом. Умови обміну / повернення товару належної якості стаття 9. Відповідно до закону України «про захист прав споживачів»: споживач має право обміняти непродовольчий товар належної якості на аналогічний у продавця, у якого він був придбаний, якщо товар не задовольнив його за формою, габаритами, фасоном, кольором, розміром або з інших причин не може бути ним використаний за призначенням. Споживач має право на обмін товару належної якості протягом чотирнадцяти днів, не рахуючи дня покупки. споживач (термін вживається в такому значенні згідно статті 1. п.22 закону України «про захист прав споживачів») – фізична особа, яка купує, замовляє, використовує або має намір придбати чи замовити продукцію для особистих потреб, не пов’язаних з підприємницькою діяльністю або виконанням обов’язків найманого працівника. обмін або повернення товару належної якості провадиться: якщо не використовувався; якщо збережено його товарний вигляд, споживчі властивості, пломби, ярлики; на підставі розрахунковий документ, виданий споживачеві разом з проданим товаром. умови обміну / повернення товару неналежної якості стаття 8. Згідно із законом України «про захист прав споживачів»: в разі виявлення протягом встановленого гарантійного строку недоліків споживач, в порядку та в строки, встановлені законодавством, має право вимагати безоплатного усунення недоліків товару в розумний строк. вимоги споживача, передбачених цією статтею, не підлягають задоволенню, якщо продавець, виробник (підприємство, що задовольняє вимоги споживача, встановлені частиною першою цієї статті) доведуть, що недоліки товару виникли внаслідок порушення споживачем правил користування товаром або його зберігання. Споживач має право брати участь у перевірці якості товару особисто або через свого представника.