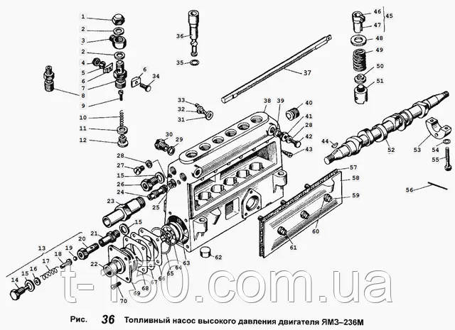
Топливный насос высокого давления ТНВД ЯМЗ-236 под СМД-60

| № | Код | Наименование |
| 1 | 312107-П15 | Гайка ковпачкова |
| 2 | 312450-П | Шайба |
| 3 | 236-1111116 | Ніпель |
| 4 | 250508-П29 | Гайка М6 |
| 5 | 252134-П29 | Шайба пружинна |
| 6 | 236-1111120 | Сухар |
| 7 | 60.1111118 | Штуцер |
| 8 | 60.1111118-20 | Штуцер паливного насоса |
| 9 | 60.1111113-10 | Упор клапана |
| 10 | 33.1111108 | Пружина нагнетательного клапана |
| 11 | 236-1111086 | Прокладка нагнітального клапана |
| 12 | 33.1111102 | Клапан нагнітальний |
| 13 | 33.1111282 | Клапан перепускний у зборі |
| 14 | 33.1111301 | Пробка |
| 15 | 312630-П | Шайба |
| 16 | 870617-П | Шайба регулювальна |
| 17 | 33.1111289 | Пружина клапана |
| 18 | 33.1111290 | Напрямна клапана |
| 19 | 33.1111325 | Кулька |
| 20 | 33.1111285 | Корпус клапана |
| 21 | 60.1111286 | Ввертень клапана |
| 22 | 236-1111186-А3 | Манжета кришки підшипника |
| 23 | 236-1111238-Е | Втулка обмежувача потужності |
| 24 | 236-1111249-В | Гвинт обмежувача потужності |
| 25 | 236-1111245 | Кільце ущільнюючє |
| 26 | Ввертень корпусу | |
| 27 | Винт | |
| 28 | Шайба | |
| 29 | Шайба | |
| 30 | Ввертень корпусу | |
| 31 | Шайба | |
| 32 | Винт | |
| 33 | Стопор гвинта | |
| 34 | Болт | |
| 35 | Кільце ущільнювальне втулки плунжера | |
| 36 | Пара плунжерна | |
| 37 | Рейка | |
| 38 | Корпус насоса | |
| 39 | Шайба | |
| 40 | Корок корпусу | |
| 41 | Ввертень корпусу | |
| 42 | Пробка | |
| 43 | Гвинт установлювальний втулки плунжера | |
| 44 | Шпонка сегментна | |
| 45 | 36-1111060 |
Втулка поворотна |
| 46 | 236-1111062 | Вінець зубчастий |
| 45 | 236-1111064 | Втулка вінця |
| 48 | 236-1111150-Б | Тарілка пружини штовхача верхня |
| 49 | 236-1111148-Б | Пружина штовхача |
| 50 | 236-1111151-Е | Тарілка нижня |
| 51 | 236-1111136 | Штовхач плунжера |
| 52 | 60.1111172-10 | Вал кулачковий |
| 53 | 236-1111177-Б | Опора кулачкового вала |
| 54 | 005-008-19-2-2 | Кільце ущільнювальне |
| 55 | 852007-П15 | Болт |
| 56 | 852702-П | Шплінт-дроток |
| 57 | 236-1111226-А2 | Прокладка кришки |
| 58 | 60.1111222 | Кришка насоса високого тиску |
| 59 | 236-1111227-Б | Гвинт кріплення кришки |
| 60 | 312651-П | Шайба |
| 61 | 236-1111229-Б | Гвинт кріплення кришки |
| 62 | 236-1111027 | Заглушка чашкова |
| 63 | 3124394115 | Шайба |
| 64 | 7204А | Підшипник роликовий конічний однорядний 20х47х15 |
| 65 | 236-1111196 | Кільце ущільнювальне |
| 66 | 60.1111280-10 | Покажчик початку подавання палива |
| 67 | 236-1111194 | Прокладка кришки |
| 68 | 236-1111193 | Прокладка кришки |
| 69 | 236-1111182-А2 | Кришка підшипника |
| 70 | 311200-П29 | Винт |
Онлайн оплата
Безналичный расчёт
Наличный расчёт
Наложенный платеж
Предоплата
Новая Почта(отделение)
Новая Почта(курьер)
САТ
Деливери
Самовывоз
Повернення і обмін
Відповідно до закону України «про захист прав споживачів» ви можете протягом 14 днів з моменту покупки повернути або обміняти товар, придбаний в магазині, за умови виконання всіх норм передбачених законом. Умови обміну / повернення товару належної якості стаття 9. Відповідно до закону України «про захист прав споживачів»: споживач має право обміняти непродовольчий товар належної якості на аналогічний у продавця, у якого він був придбаний, якщо товар не задовольнив його за формою, габаритами, фасоном, кольором, розміром або з інших причин не може бути ним використаний за призначенням. Споживач має право на обмін товару належної якості протягом чотирнадцяти днів, не рахуючи дня покупки. споживач (термін вживається в такому значенні згідно статті 1. п.22 закону України «про захист прав споживачів») – фізична особа, яка купує, замовляє, використовує або має намір придбати чи замовити продукцію для особистих потреб, не пов’язаних з підприємницькою діяльністю або виконанням обов’язків найманого працівника. обмін або повернення товару належної якості провадиться: якщо не використовувався; якщо збережено його товарний вигляд, споживчі властивості, пломби, ярлики; на підставі розрахунковий документ, виданий споживачеві разом з проданим товаром. умови обміну / повернення товару неналежної якості стаття 8. Згідно із законом України «про захист прав споживачів»: в разі виявлення протягом встановленого гарантійного строку недоліків споживач, в порядку та в строки, встановлені законодавством, має право вимагати безоплатного усунення недоліків товару в розумний строк. вимоги споживача, передбачених цією статтею, не підлягають задоволенню, якщо продавець, виробник (підприємство, що задовольняє вимоги споживача, встановлені частиною першою цієї статті) доведуть, що недоліки товару виникли внаслідок порушення споживачем правил користування товаром або його зберігання. Споживач має право брати участь у перевірці якості товару особисто або через свого представника.