Транспортер наклонной камеры 60" CASE 2366, 136438A1
Транспортер похилої камеры 60" CASE 2366, 136438A1

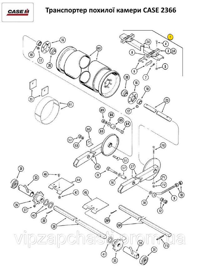
1 - 117871A1 - 1 - CHAIN (AGRICULTURE), Conveyor Assy, Smooth
Slats, Inc. 2 (12), 3, 4 & 5 (48 ea), 6 (2), With 54-1/2 Inch
Feeder
1 - 136439A1 - 1 - CHAIN (AGRICULTURE), Conveyor Assy, Smooth
Slats, Inc. 2 (12), 3A, 4 & 5 (48 ea), 6 (2), With 60 Inch
Feeder
1 - 117865A1 - 1 - CHAIN (AGRICULTURE), Conveyor Assy, Serrated
Slats, Inc. 2A (9), 3, 4 & 5 (36 ea), 6 (2), With 54-1/2 Inch
Feeder
1 - 136438A1 - 1 - CHAIN (AGRICULTURE), Conveyor Assy, Serrated
Slats, Inc. 2A (10), 3A, 4 & 5 (40 ea), 6 (2), With 60 Inch
Feeder
2 - 118268A1 - AR SLAT, Package, Smooth, 2366: - JJC0177699, With
60 Inch Feeder, With 47-1/2 Inch Feeder
2A - 118270A1 - AR SLAT, Serrated, With 60 Inch Feeder, With 54-1/2
Inch Feeder
3 - 107871A1 - 2 - CHAIN (AGRICULTURE), A557, With 54-1/2 Inch
Feeder
3 - 107928A1 - 2 - CHAIN (AGRICULTURE), , With 54-1/2 Inch
Feeder
3A - 118661A1 - 2 - CHAIN, A557, With 60 Inch Feeder
3A - 107929A1 - 2 - CHAIN (AGRICULTURE), , With 60 Inch Feeder
4 - 426-616 - AR BOLT, Hex, 3/8"-16 x 1", G8, Full Thd,
5 - 1306680C1 - AR NUT, LOCK, 3/8
6 - 1324294C1 - AR LINK, CONNECTING, Connecting
7 - 1329837C2 - AR PIN,
8 - 1989692C1 - AR LINK, Attaching
9 - 176508C1 - 2 BOLT,
10 - 425-1010 - 4 - NUT, 5/8"-11, G5,
11 - 187218C2 - 2 - SCREW, 5/8 x 4-1/2
12 - 425-1010 - 4 - NUT, 5/8"-11, G5,
14 - 396-41066 - 4 - WASHER, 21/32" x 1 1/2" x .188", HDN, 5/8 x
1-1/2 x 3/16
16 - 1330461C1 - 4 - FLANGE,
17 - 1306680C1 - 12 - NUT, LOCK, 3/8
18 - 557995R11 - 2 - COLLAR,
20 - 619738R91 - 2 - BEARING,
23 - 187207C2 - 1 - ROD,
26 - 1319875C5 - 1 - ARM, Left Hand, With Serrated Slats, Without
Stone Retarder
27 - 1319876C5 - 1 - ARM, Right Hand, With Serrated Slats, Without
Stone Retarder
31 - 179665C91 - 2 - BEARING, BALL,
33 - 178780C2 - 1 - SPACER, Left Hand
34 - 178781C3 - 1 - SPACER, Right Hand
35 - 1970248C1 - 2 - SPROCKET ASSY.,
37 - 197643C1 - 4 - SCREW,
38 - 1320160C3 - 1 - SHAFT, No Longer Used, Order 1320160C4
38A - 1320160C4 - 1 - SHAFT,
39 - 432-2040 - 2 - PIN, SPLIT (COTTER), 5/16" x 2 1/2", 5/16" x 2
1/2", Used with 1320160C3
39A - 432-2440 - 1-2 - PIN, SPLIT (COTTER), 3/8" x 2 1/2", 3/8" x 2
1/2", 2365: - JJC0245219 / 2366: - JJC0177599, Used with
1320160C4
39A - 38-12440 AR PIN, LOCK, 3/8" x 2 1/2", Slotted, Spring, 2-1/2
x 3/4, 2365: JJC0245220 - / 2366: JJC0177600
40 - 495-81093 AR WASHER, 1 25/32" x 2 1/2" x .120", 1-3/4 x 2-1/2
x 1/8
41 - 495-81092 - AR WASHER, 1 25/32" x 2 1/2" x .060", 1-25/32 x
2-1/2 x 3/64
1300464C91 - 1 - PACKAGE, Inc. 44 -
47
44 - 185818C1 - 1 - STRIPPER ASSY., Left Hand
45 - 185819C1 - 1 - STRIPPER ASSY., Right Hand
46 - 477-73812 - 4 - SCREW, Sltd Serr Truss Hd, 3/8" x 3/4",
3/8 x 3/4
47 - 231-5146 - 4 - NUT, Flg, USR, 3/8"-16,
50 - 1345418C2 - 2 - BRACKET,
51 - 433-1036 - 2 - BOLT, CARRIAGE, Short NK, 5/8"-11 x 2 1/4", G5,
5/8 x 2-1/4
52 - 425-1010 - 2 - NUT, 5/8"-11, G5,
53 - 492-11062 - 2 - WASHER, LOCK, 5/8",
55 - 187225C1 - 2 - BAR, , With Stone Retarder
57 - 187217C1 - 2 - SPACER, 7/8" Tube x 1 13/16",
60 - 1957439C3 - 1 - DRUM, , With Stone Retarder
61 - 112047A2 - 1 - PACKAGE, Inc. 62, Service Repair Only
1957439C3, With Stone Retarder
62 - 112046A2 - 4 - STRIP, PROTECTION, Not Illustrated
64 - 189709C1 - 2 - BOLT
65 - 197211C1 - 2 - SPACER,
66 - 495-81162 - 2 - WASHER, 17/32" x 1 1/2" x .179", 17/32 x 1-1/2
x 11/64
68 - 80679 - 2 - WASHER, LOCK, 1/2",
69 - 425-108 - 2 - NUT, 1/2"-13, G5, 1/2
70 - 326-656 - 2 - BOLT, Hex, 3/8"-16 x 3 1/2", G8,
71 - 314148R1 - 2 - SPACER, 3/8" X-Strng Pipe x .469",
72 - 231-1446 - 2 - NUT, LOCK, 3/8"-16, GB,
73 - 402485A1 - 1 - PIN, 2365: JJC0245200 - / 2366: JJC0177520
-
Безналичный расчёт
Наличный расчёт
Наложенный платеж
Предоплата
Новая Почта
Самовывоз
Интайм
Автолюкс
Гюнсел
Ночной Экспресс
Повернення і обмін
Відповідно до закону України «про захист прав споживачів» ви можете протягом 14 днів з моменту покупки повернути або обміняти товар, придбаний в магазині, за умови виконання всіх норм передбачених законом. Умови обміну / повернення товару належної якості стаття 9. Відповідно до закону України «про захист прав споживачів»: споживач має право обміняти непродовольчий товар належної якості на аналогічний у продавця, у якого він був придбаний, якщо товар не задовольнив його за формою, габаритами, фасоном, кольором, розміром або з інших причин не може бути ним використаний за призначенням. Споживач має право на обмін товару належної якості протягом чотирнадцяти днів, не рахуючи дня покупки. споживач (термін вживається в такому значенні згідно статті 1. п.22 закону України «про захист прав споживачів») – фізична особа, яка купує, замовляє, використовує або має намір придбати чи замовити продукцію для особистих потреб, не пов’язаних з підприємницькою діяльністю або виконанням обов’язків найманого працівника. обмін або повернення товару належної якості провадиться: якщо не використовувався; якщо збережено його товарний вигляд, споживчі властивості, пломби, ярлики; на підставі розрахунковий документ, виданий споживачеві разом з проданим товаром. умови обміну / повернення товару неналежної якості стаття 8. Згідно із законом України «про захист прав споживачів»: в разі виявлення протягом встановленого гарантійного строку недоліків споживач, в порядку та в строки, встановлені законодавством, має право вимагати безоплатного усунення недоліків товару в розумний строк. вимоги споживача, передбачених цією статтею, не підлягають задоволенню, якщо продавець, виробник (підприємство, що задовольняє вимоги споживача, встановлені частиною першою цієї статті) доведуть, що недоліки товару виникли внаслідок порушення споживачем правил користування товаром або його зберігання. Споживач має право брати участь у перевірці якості товару особисто або через свого представника.