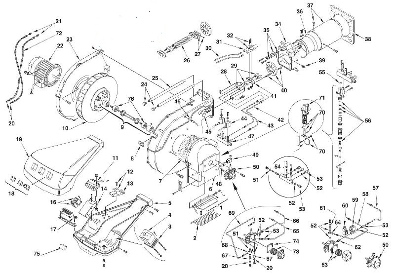
Муфта соединения электродвигателя и насоса горелки Riello RL70/ Сцепление Riello RL70
Муфта арт. 3003953 монтируется на горелки Riello (Риелло) следующих моделей:
Муфта арт. 3003953 позиция на схеме №9

Поз.1. — Воздушная
заслонка в сборе –
артикул 3003948;
Поз.2. — Защитная
решетка –
артикул 3003949;
Поз.3. — Цоколь топочного
автомата –
артикул 3003784;
Поз.4. — Топочный автомат
RMO88.53C2 –
артикул 3013071;
Поз.5. — Базовая плита:
— (смотрите примечение *) –
артикул 3012008;
— (смотрите примечение **) –
артикул 3014124;
Поз.6. — Воздухозаборный
короб –
артикул 3003951;
Поз.7. — Изоляция
воздухозаборного короба –
артикул 3003952;
Поз.8. — Смотровое
окно –
артикул 3003763;
Поз.9. — Сцепление в
комплекте:
— для горелки RL 70 –
артикул 3003953;
— для горелки RL 100/130 –
артикул 3003954;
Поз.10. – Вентилятор:
— для горелки RL 70 Ø330X53 –
артикул 3003955;
— для горелки RL 100 Ø385X58 –
артикул 3003964;
— для горелки RL 130 Ø385X61 –
артикул 3003965;
Поз.11. — Трансформатор
поджига COMPACT 10/30 CM –
артикул 3003785;
Поз.12. — Фиксатор
электродов в комплекте для версий TL –
артикул 3003409;
Поз.13. — Распорка для
версий TL –
артикул 3003956;
Поз.14. — Держатель
электрокомпонентов –
артикул 3003957;
Поз.16. — Контактор +
термореле:
— для горелки RL 70 –
артикул 3003959;
— для горелки RL 100 –
артикул 3003960;
— для горелки RL 130 –
артикул 3003961;
Поз.17. —
Переключатель –
артикул 3003770;
Поз.18. — Смотровое
окно –
артикул 3003962;
Поз.19. — Кожух
горелки –
артикул 3013119;
Поз.20. —
Прокладка –
артикул 3007088;
Поз.21. —
Фитинг –
артикул 3009068;
Поз.22. –
Электродвигатель:
— для горелки RL 70 –
артикул 3003966;
— для горелки RL 100 –
артикул 3003967;
— для горелки RL 130 –
артикул 3003968;
Поз.23. — Крышка
боковая –
артикул 3003969;
Поз.24. —
Винт –
артикул 3003481;
Поз.25. — Фиксирующая
штанга –
артикул 3003970;
Поз.26. — Форсуночный
адаптер для версий TL –
артикул 3003789;
Поз.27. — Анкер форсуночного
адаптера для версий TL –
артикул 3003790;
Поз.28. —
Фиксатор –
артикул 3003971;
Поз.29. — Форсуночный
адаптер –
артикул 3003814;
Поз.30. — Кабель
поджига:
— для горелок версий TC –
артикул 3012393;
— для горелок версий TL –
артикул 3003973;
Поз.31. — Электрод
поджига –
артикул 3003796;
Поз.32. — Фиксатор
электродов в комплекте –
артикул 3003495;
Поз.34. – Фланец:
— для горелки RL 70/100 –
артикул 3003975;
— для горелки RL 130 –
артикул 3003976;
Поз.35. — Регулировочный
стержень в компл.:
— для горелки RL 70:
— для горелок версий TC –
артикул 3003977;
— для горелок версий TL –
артикул 3003978;
— для горелки RL 100:
— для горелок версий TC –
артикул 3003979;
— для горелок версий TL –
артикул 3003980;
— для горелки RL 130:
— для горелок версий TC –
артикул 3003981;
— для горелок версий TL –
артикул 3003982;
Поз.36. – Затвор:
— для горелки RL 70/100 –
артикул 3003983;
— для горелки RL 130 –
артикул 3003984;
Поз.37. — Жаровая труба:
— для горелки RL 70:
— для горелок версий TC –
артикул 3003985;
— для горелок версий TL –
артикул 3003986;
— для горелки RL 100:
— для горелок версий TC –
артикул 3003987;
— для горелок версий TL –
артикул 3003988;
— для горелки RL 130:
— для горелок версий TC –
артикул 3003989;
— для горелок версий TL –
артикул 3003990;
Поз.38. — Прокладка
фланца –
артикул 3003991;
Поз.39. — Ниппель для
измерения давления –
артикул 3003893;
Поз.40. — Уравнительный
диск:
— для горелки RL 70 –
артикул 3003992;
— для горелки RL 100/130 –
артикул 3003993;
Поз.41. — Фиксатор
форсуночного адаптера –
артикул 3003815;
Поз.42. — Жидкотопливная
трубка –
артикул 3003994;
Поз.43. — Жидкотопливная
трубка –
артикул 3003995;
Поз.44. — Электромагнитная
катушка –
артикул 3003828;
Поз.45. —
Заглушка –
артикул 3003996;
Поз.46. — Датчик пламени
QRB1A-A068B70B –
артикул 3013708;
Поз.47. — Распределительный
блок –
артикул 3003997;
Поз.48. — Кабель
жидкотопливного насоса RL 70 –
артикул 3003827;
Поз.49. — Электромагнитная
катушка RL 70 –
артикул 3003594;
Поз.50. — Жидкотопливный
насос:
— для горелки RL 70 –
артикул 3003998;
— для горелки RL 100/130 AJ 6 CC 1000 4P:
— (смотрите примечение ***) –
артикул 3003999;
— (смотрите примечение ****) –
артикул 3013830;
Поз.51. —
Прокладка –
артикул 3007079;
Поз.52. —
Прокладка –
артикул 3007077;
Поз.53. —
Фитинг –
артикул 3006719;
Поз.54. — Электромагнитный
соленоид –
артикул 3005733;
Поз.55. — Прокладка
поршня –
артикул 3003823;
Поз.56. — Прокладка
поршня –
артикул 3003820;
Поз.57. — Жидкотопливная
трубка RL 100/130 –
артикул 3012000;
Поз.58. — Жидкотопливная
трубка RL 100/130 –
артикул 3012001;
Поз.59. — Жидкотопливный
клапан RL 100/130 –
артикул 3012002;
Поз.60. — Штекер RL
100/130 –
артикул 3006953;
Поз.61. — Фитинг RL
100/130 –
артикул 3012003;
Поз.62. — Фитинг RL
100/130 –
артикул 3009087;
Поз.63. — Фильтрующий
элемент + прокладка крышки RL 100/130 –
артикул 3003936;
Поз.64. — Фитинг RL
100/130 –
артикул 3006722;
Поз.65. — Жидкотопливная
трубка RL 70 –
артикул 3012004;
Поз.66. — Жидкотопливная
трубка RL 70 –
артикул 3012005;
Поз.67. —
Фитинг –
артикул 3006783;
Поз.68. —
Фитинг –
артикул 3006784;
Поз.69. — Жидкотопливная
трубка –
артикул 3012006;
Поз.70. — Зубчатая шкала в
комплекте –
артикул 3003824;
Поз.71. — Гидравлический
привод –
артикул 3003825;
Поз.72. — Жидкотопливный
шланг –
артикул 3009055;
Поз.73. — Фильтрующий
элемент жидкотопливного насоса RL 70 –
артикул 3003082;
Поз.74. — Прокладка крышки
жидкотопливного насоса RL 70 –
артикул 3003081;
Поз.75. — Противопомеховый
фильтр –
артикул 3012155;
Поз.76. — Сцепление
резиновое –
артикул 3012622.
Безналичный расчёт
Наличный расчёт
Предоплата
Новая Почта
Повернення і обмін
Відповідно до закону України «про захист прав споживачів» ви можете протягом 14 днів з моменту покупки повернути або обміняти товар, придбаний в магазині, за умови виконання всіх норм передбачених законом. Умови обміну / повернення товару належної якості стаття 9. Відповідно до закону України «про захист прав споживачів»: споживач має право обміняти непродовольчий товар належної якості на аналогічний у продавця, у якого він був придбаний, якщо товар не задовольнив його за формою, габаритами, фасоном, кольором, розміром або з інших причин не може бути ним використаний за призначенням. Споживач має право на обмін товару належної якості протягом чотирнадцяти днів, не рахуючи дня покупки. споживач (термін вживається в такому значенні згідно статті 1. п.22 закону України «про захист прав споживачів») – фізична особа, яка купує, замовляє, використовує або має намір придбати чи замовити продукцію для особистих потреб, не пов’язаних з підприємницькою діяльністю або виконанням обов’язків найманого працівника. обмін або повернення товару належної якості провадиться: якщо не використовувався; якщо збережено його товарний вигляд, споживчі властивості, пломби, ярлики; на підставі розрахунковий документ, виданий споживачеві разом з проданим товаром. умови обміну / повернення товару неналежної якості стаття 8. Згідно із законом України «про захист прав споживачів»: в разі виявлення протягом встановленого гарантійного строку недоліків споживач, в порядку та в строки, встановлені законодавством, має право вимагати безоплатного усунення недоліків товару в розумний строк. вимоги споживача, передбачених цією статтею, не підлягають задоволенню, якщо продавець, виробник (підприємство, що задовольняє вимоги споживача, встановлені частиною першою цієї статті) доведуть, що недоліки товару виникли внаслідок порушення споживачем правил користування товаром або його зберігання. Споживач має право брати участь у перевірці якості товару особисто або через свого представника.