Форсунка предназначена для сжигания отработанных моторных, трансмиссионных, гидравлических, турбинных, трансформаторных вакуумных масел и смесей этих масел, дизельного топлива, моторного топлива, легкое и тяжелое печное топлива, животные жиры, рапсовое или подсолнечное масло.
Описание:
Два входа (масло, воздух)
форсунка для тонкого распыления вязких сред (масло)
требуется низкое давление воздуха (<0,5 бар)
самовсасывающая
устойчивые к засорению
коррозионностойкие (нержавеющая сталь 1.4305, латунь, уплотнительное кольцо из FKM)
подходит для воды
made in Germany
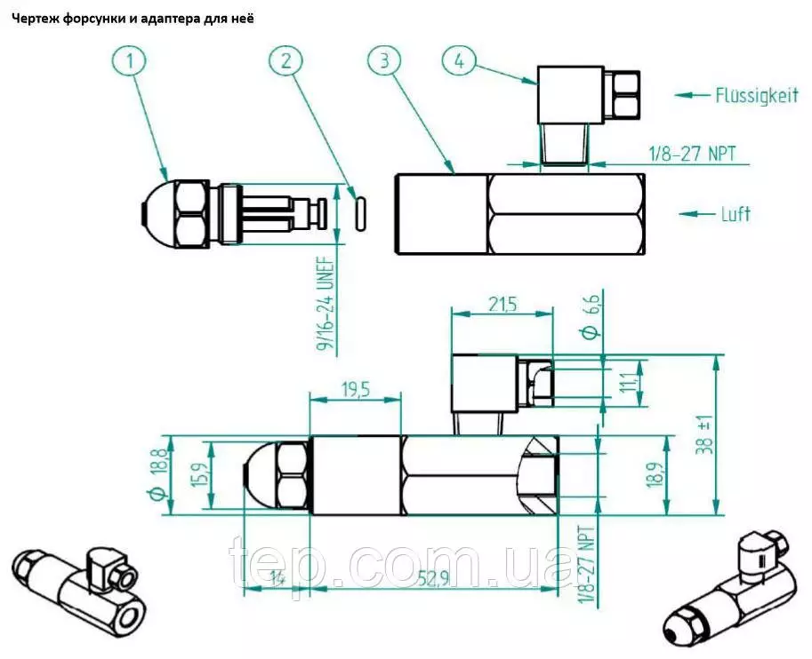
Чертеж форсунки и адаптеров для нее:

1 - форсунка SAD
2 - уплотнительное кольцо (в комплекте с форсункой)
3 - адаптер SAD (приобретается отдельно). Имеет 2
резьбовых присоединения G 1/8"
4 - адаптед угловой для подачи масла (приобретается
отдельно)
Таблица возможных к поставке форсунок:
|
Артикул |
Название |
Номинальная пропускная способность |
|
20610 |
Форсунка SAD 2 |
0,2 USGal/h при 0,28 bar |
|
20611 |
Форсунка SAD 3 |
0,3 USGal/h при 0,28 bar |
|
20612 |
Форсунка SAD 4 |
0,4 USGal/h при 0,28 bar |
|
20613 |
Форсунка SAD 5 |
0,5 USGal/h при 0,28 bar |
|
20614 |
Форсунка SAD 7 |
0,65 USGal/h при 0,28 bar |
|
20621 |
Форсунка SAD 8 |
0,75 USGal/h при 0,28 bar |
|
20615 |
Форсунка SAD 9 |
0,85 USGal/h при 0,28 bar |
|
20616 |
Форсунка SAD 11 |
1,0 USGal/h при 0,28 bar |
|
|
Форсунка SAD 1.5 |
1,5 USGal/h при 0,28 bar |
|
|
Форсунка SAD 2.0 |
2,0 USGal/h при 0,28 bar |
Форсунка с двумя входами SAD является взаимозаменяемой с Hago SN902 - SN9011 и DELAVAN SNA 30609-2 – 30609-11
Наложенный платеж
Предоплата
Новая Почта
Повернення і обмін
Відповідно до закону України «про захист прав споживачів» ви можете протягом 14 днів з моменту покупки повернути або обміняти товар, придбаний в магазині, за умови виконання всіх норм передбачених законом. Умови обміну / повернення товару належної якості стаття 9. Відповідно до закону України «про захист прав споживачів»: споживач має право обміняти непродовольчий товар належної якості на аналогічний у продавця, у якого він був придбаний, якщо товар не задовольнив його за формою, габаритами, фасоном, кольором, розміром або з інших причин не може бути ним використаний за призначенням. Споживач має право на обмін товару належної якості протягом чотирнадцяти днів, не рахуючи дня покупки. споживач (термін вживається в такому значенні згідно статті 1. п.22 закону України «про захист прав споживачів») – фізична особа, яка купує, замовляє, використовує або має намір придбати чи замовити продукцію для особистих потреб, не пов’язаних з підприємницькою діяльністю або виконанням обов’язків найманого працівника. обмін або повернення товару належної якості провадиться: якщо не використовувався; якщо збережено його товарний вигляд, споживчі властивості, пломби, ярлики; на підставі розрахунковий документ, виданий споживачеві разом з проданим товаром. умови обміну / повернення товару неналежної якості стаття 8. Згідно із законом України «про захист прав споживачів»: в разі виявлення протягом встановленого гарантійного строку недоліків споживач, в порядку та в строки, встановлені законодавством, має право вимагати безоплатного усунення недоліків товару в розумний строк. вимоги споживача, передбачених цією статтею, не підлягають задоволенню, якщо продавець, виробник (підприємство, що задовольняє вимоги споживача, встановлені частиною першою цієї статті) доведуть, що недоліки товару виникли внаслідок порушення споживачем правил користування товаром або його зберігання. Споживач має право брати участь у перевірці якості товару особисто або через свого представника.