Редуктор ходу (Бортовий редуктор, Бортова) (бортовий редуктор) та інші запчастини для різних видів будівельної, сільськогосподарської та логістичної техніки (Airman, Atlas, Atlas Terex, Ausa, Bobcat, Case, Caterpillar/CAT, Comer type, Daewoo Solar, Doosan / Daewoo, Eaton тип, Emci Optima, Fai, Fiat Hitachi, Fiat Kobelco, Halla, Hanix / Nissan, Hinowa, Hitachi, Hydromac, Hyundai, IHI, IMEF, JCB, JD John Deere, Kato, Kawasaki тип, Kayaba Kyb тип , Kobelco , Komatsu, Kubota, Libra, Messersi, MF Massey Ferguson, Nabtesco типу, Nachi typ, Neuson, New Holland, O&K, Pel Job, Samsung, Sany, Schaeff, Sumitomo, Sunward, Takeuchi, Terex, Volvo, XCG, Yanmar , Yuchai , Zeppelin).
Оригінальні нові (на запит – можемо поставити б/в у хорошому стані), з гарантією. Швидкий вибір гарантуємо.
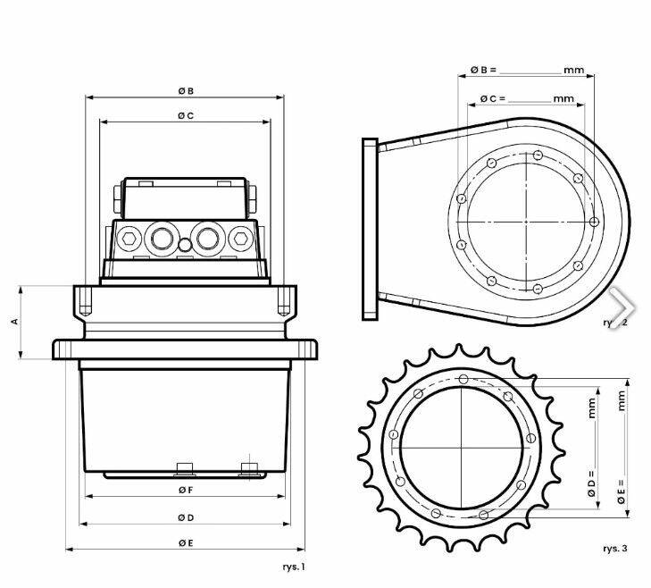
Редуктор ходу (Бортовий редуктор, Бортова) спецтехніки - це механізм, що служить для зменшення частоти обертання та збільшення крутного моменту веденого валу по відношенню до ведучого. Конструкція механізму включає: шестірні, вали, вкладиші тощо. зібрані у металевому корпусі.
У нашому інтернет-магазині можна купити не тільки Редуктори бортові, але й інші Редуктори, такі як: Редуктори Бортові, Планетарні передачі, Редуктори поворотні, Редуктори ходу.

Універсальне кріплення гідромотора.
Завдяки використанню двох перепускних отворів гідромотор стає
універсальним пристроєм, який можна монтувати як з правого, так і з
лівого боку гусеничного міні екскаватора.
Вибір переливного отвору також полегшить можливе маневрування гідравлічними шлангами. Максимальна потужність руху: бортові гідромотори та редуктори ходу для міні-екскаваторів на гусеничному ході
Кришка з функцією контролю рівня олії.
Завдяки використанню кришки з безліччю пробок ми можемо легко злити
олію з головної передачі. Додаткові пробки також полегшують
перевірку та заливання олії в головну передачу. Будь-який
оператор або власник екскаватора знає, що регулярна перевірка рівня
олії в головній передачі може допомогти запобігти передчасному
зносу.
Багато рішень для швидкого
ходу
Щоб виправдати очікування найвибагливіших клієнтів,
гідромотори серії оснащені можливістю
зміщення швидкого ходу у вказані місця. Просто
відкрутіть його.
Простий монтаж провідного колеса.
У пропонованих нами гідромоторах прикручування ведучого колеса
відбувається без проблем.

Інтернет-магазин spec-zapchasti пропонує продаж запчастин бренду Kubota за приємною ціною від постачальника.
Безготівковий розрахунок
Передплата
Готівковий розрахунок
Післяплата
Нова Пошта (відділення)
Самовивіз
Повернення і обмін
Відповідно до закону України «про захист прав споживачів» ви можете протягом 14 днів з моменту покупки повернути або обміняти товар, придбаний в магазині, за умови виконання всіх норм передбачених законом. Умови обміну / повернення товару належної якості стаття 9. Відповідно до закону України «про захист прав споживачів»: споживач має право обміняти непродовольчий товар належної якості на аналогічний у продавця, у якого він був придбаний, якщо товар не задовольнив його за формою, габаритами, фасоном, кольором, розміром або з інших причин не може бути ним використаний за призначенням. Споживач має право на обмін товару належної якості протягом чотирнадцяти днів, не рахуючи дня покупки. споживач (термін вживається в такому значенні згідно статті 1. п.22 закону України «про захист прав споживачів») – фізична особа, яка купує, замовляє, використовує або має намір придбати чи замовити продукцію для особистих потреб, не пов’язаних з підприємницькою діяльністю або виконанням обов’язків найманого працівника. обмін або повернення товару належної якості провадиться: якщо не використовувався; якщо збережено його товарний вигляд, споживчі властивості, пломби, ярлики; на підставі розрахунковий документ, виданий споживачеві разом з проданим товаром. умови обміну / повернення товару неналежної якості стаття 8. Згідно із законом України «про захист прав споживачів»: в разі виявлення протягом встановленого гарантійного строку недоліків споживач, в порядку та в строки, встановлені законодавством, має право вимагати безоплатного усунення недоліків товару в розумний строк. вимоги споживача, передбачених цією статтею, не підлягають задоволенню, якщо продавець, виробник (підприємство, що задовольняє вимоги споживача, встановлені частиною першою цієї статті) доведуть, що недоліки товару виникли внаслідок порушення споживачем правил користування товаром або його зберігання. Споживач має право брати участь у перевірці якості товару особисто або через свого представника.