Каталог товарів

Гідроциліндр 40.25.100.290 шс 20 ( хід штока 100 мм) Коренезбиральні машини КС-6Б, КС-6Б-01 (02)

в наявності
код: 40.25.100.290
2 800,00 грн. /шт
Онлайн оплата
з 9 відгуків, 100% позитивних
Регіон: Україна, Вінницька обл., Вінниця
Написати продавцю
Перевірений постачальник
На Агробіз
4 Роки
Час відповіді:
менше доби
Опис товару

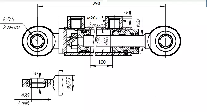
Гідроциліндр 40.25.100.290 ШС-20

Маркування: ГЦ 40.25.100.11
Тип: Двосторонньої дії, кріплення під шарнір ШС-20
Хід штока: 100 мм


???? Технічні характеристики:

  • Діаметр поршня: 40 мм

  • Діаметр штока: 25 мм

  • Хід штока: 100 мм

  • Монтажна довжина: 290 мм

  • Тип кріплення: ШС-20 (палець Ø20 мм)

  • Робочий тиск: до 160 Бар

  • Максимальний тиск: 200 Бар


⚙️ Застосування:

  • Коренезбиральні машини: КС-6Б, КС-6Б-01, КС-6Б-02

  • Механізми керування/відкидання вузлів, заслінок, клапанів


???? Мастило та об’єм:

  • Рекомендоване масло: HLP-46, МГЕ-46В, МГ-10

  • Об’єм робочої рідини:0,13 л


Переваги:

  • Компактний розмір і надійність

  • Ідеальне рішення для обмежених умов монтажу

  • Повна сумісність із технікою КС-6

  • Виробництво згідно з ГОСТ

 

Гарантійні зобов'язання не поширюються на гідроциліндри:

1. не встановлені на виріб протягом шести місяців з дати виготовлення;

2. встановлені у вироби, на які не погоджена їхня застосовність;

3. Гідроциліндр зазнавав несанкціонованого розбирання споживачем;

4. Порушувалися умови експлуатації гідроциліндра (брудна олія з присутністю домішок, шматків гуми, ганчірки та інших абразивних частинок або перевищення допустимого навантаження на гідроциліндр);

5. Дефекти або пошкодження, що виникли через попадання бруду, води, такі як корозія та окислення, а також при використанні неякісної гідравлічної олії;

6. Гідроциліндр використовувався не за призначенням;

7. Були внесені конструктивні зміни до гідроциліндра споживачем;

8. Пошкодження, що виникли внаслідок природного зносу гідроциліндра;

9. деформація, викликана надлишковим тиском, саме:

- деформація (зміна геометричних розмірів) задньої кришки гідроциліндра

- деформація (зміна геометричних розмірів) гільзи

- деформація (зміна геометричних розмірів) штока

10. Утворення опуклості діаметром штока, внаслідок чого відбувається заклинювання.

читати далі згорнути
Характеристики
Відгуки
9 відгуків
100% позитивних
Іван
01 квітня 2026р. в 07:21
Замовив у вечері , відправити вранці !! Топ !!
Вася
01 березня 2026р. в 10:51
не перший раз замовляю тут гідроциліндри. Все дуже оперативно!
сервіс якість!!
Денис
11 січня 2026р. в 18:08
замовили гідроциліндр до камаз 55102. Відправили в день замовлення!
встановили все добре!
Артем
10 липня 2025р. в 09:55
Відправили посилку на наступний день
Gidravliks
16 серпня 2025р. в 09:15
Хочемо пояснити деталі відправки: щоб замовлення поїхало в день оформлення, воно має надійти до 16:00. Усі замовлення, що надходять після цього часу, відправляються наступного дня.

У Вашому випадку замовлення було зроблено о 17:43, тому відправка відбулася вже наступного дня — за нашим стандартним графіком.

Ми завжди стараємося працювати максимально оперативно, і дуже цінуємо Ваше розуміння та довіру до нас. ????
Ігор
06 червня 2025р. в 11:58
В гідравлікс замовляв циліндри вже декілька разів. Ціна і опис товару актуальні, швидко відправили. Рекомендую.
Gidravliks
16 серпня 2025р. в 09:16
Щиро дякуємо за Ваш відгук і довіру! ????
Раді, що Ви вже неодноразово обираєте саме нас. Ми завжди слідкуємо, щоб ціни та опис товарів були актуальними, а відправки — максимально швидкими.

Приємно, що Ви задоволені співпрацею і рекомендуєте нас. Для нас це найкраща мотивація працювати ще краще! ????
Gidravliks
23 липня 2024р. в 11:08
Все отримав Дякую
Анна
12 березня 2024р. в 21:33
Замовляли циліндр, накладним платежем . Продавець швидко зв'язався та відправив. Товар як в описі, ціна актуальна. Магазин рекомендую!
Gidravliks
16 серпня 2025р. в 09:16
Дякуємо за Ваш вибір та відгук! ????
Ми цінуємо, що Ви відзначили швидкість нашої роботи, актуальність цін та відповідність товару опису. Раді, що Вам було зручно оплатити накладним платежем і що співпраця залишила позитивне враження.
Олена
20 грудня 2023р. в 19:34
Продавець просто від бога, все доступно пояснив, скинув фото. Отправка в день заказа. Доставка швидка. Є скидки. Все прийшло в ідеальному стані. Рекомендую. Заказуйте. Дякую.
Иван
21 травня 2023р. в 23:03
Продавец адекватный, довольно таки доступно и понятно все объяснил
Gidravliks
22 травня 2023р. в 11:00
Дякуємо!!!
читати далі згорнути
Варіанти оплати

Онлайн оплата

Наложенный платеж

Наличный расчёт

Безналичный расчёт

Варіанти доставки

Новая Почта(курьер)
ціна від 250 грн

Новая Почта(отделение)
ціна від 200 грн

Самовывоз

Повернення і обмін
Відповідно до закону України «про захист прав споживачів» ви можете протягом 14 днів з моменту покупки повернути або обміняти товар, придбаний в магазині, за умови виконання всіх норм передбачених законом. Умови обміну / повернення товару належної якості стаття 9. Відповідно до закону України «про захист прав споживачів»: споживач має право обміняти непродовольчий товар належної якості на аналогічний у продавця, у якого він був придбаний, якщо товар не задовольнив його за формою, габаритами, фасоном, кольором, розміром або з інших причин не може бути ним використаний за призначенням. Споживач має право на обмін товару належної якості протягом чотирнадцяти днів, не рахуючи дня покупки. споживач (термін вживається в такому значенні згідно статті 1. п.22 закону України «про захист прав споживачів») – фізична особа, яка купує, замовляє, використовує або має намір придбати чи замовити продукцію для особистих потреб, не пов’язаних з підприємницькою діяльністю або виконанням обов’язків найманого працівника. обмін або повернення товару належної якості провадиться: якщо не використовувався; якщо збережено його товарний вигляд, споживчі властивості, пломби, ярлики; на підставі розрахунковий документ, виданий споживачеві разом з проданим товаром. умови обміну / повернення товару неналежної якості стаття 8. Згідно із законом України «про захист прав споживачів»: в разі виявлення протягом встановленого гарантійного строку недоліків споживач, в порядку та в строки, встановлені законодавством, має право вимагати безоплатного усунення недоліків товару в розумний строк. вимоги споживача, передбачених цією статтею, не підлягають задоволенню, якщо продавець, виробник (підприємство, що задовольняє вимоги споживача, встановлені частиною першою цієї статті) доведуть, що недоліки товару виникли внаслідок порушення споживачем правил користування товаром або його зберігання. Споживач має право брати участь у перевірці якості товару особисто або через свого представника.

читати далі згорнути
Покупці цього товару також цікавилися
ТОП
продажу
код: зил_5х_площадки
26 800,00 грн. /шт
в наявності
ТОП
продажу
код: 80.40.400.11 ( 700)
5 700,00 грн. /шт
в наявності
ТОП
продажу
код: 80.40.400.22
5 300,00 грн. /шт
в наявності
ТОП
продажу
код: 50.30.400.600 шс
4 200,00 грн. /шт
в наявності
код: 50.30.500.700 ШС
4 500,00 грн. /шт
в наявності
код: 40.25.160.3.11
1 600,00 грн. /шт
немає в наявності
код: 1птс2 432
11 600,00 грн. /шт
в наявності
-4%
код: 2птс_4
14 900,00 грн. 14 300,00 грн. /шт
в наявності
код: Рукав ВТ г.24 L=3,5 (2SN
700,00 грн. /шт
в наявності
код: 2792127208
1 300,00 грн. /шт
в наявності

Ви переглядали

Зараз шукають

Спецрахунок НБУ
Фонд "Повернись живим"
Фонд Сергія Притули
Ще не зареєстровані?
Реєстрація
Вже зареєстровані? Увійти
Вже зареєстровані? Увійти