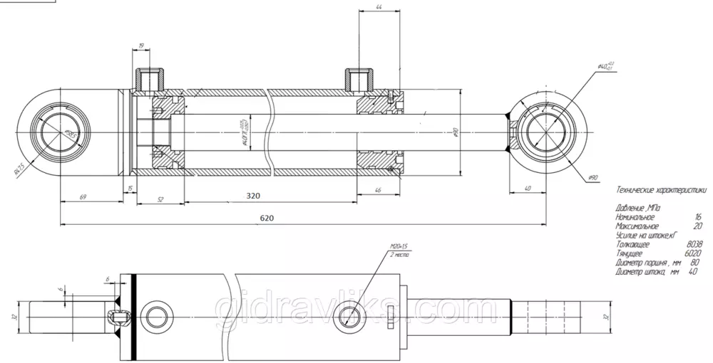
Маркування: MC80/40x320-3(4).11(620)(01)
Гідроциліндр призначений для використання в комунально-універсальних навантажувачах (КУН) та іншому гідрофікованому обладнанні, де потрібне двостороннє зусилля з кріпленням під шарнір (ШС).
Основні функції:
Підйом та опускання стріли
Виворіт ковша або інше робоче переміщення
Робота з навісними механізмами, що потребують точного контролю
Діаметр поршня: 80 мм
Діаметр штоку: 40 мм
Хід штоку: 320 мм
Монтажна довжина (ося-ось): 620 мм
Тип кріплення: під шарнір (ШС / "11")
Тип дії: двостороння гідравлічна
Робоче середовище: мінеральна гідравлічна олива (МГЕ-46, МГ-30 або аналог)
Температурний режим: від –40°C до +80°C
Робочий тиск: до 16–20 МПа (160–200 бар)
Монтажне положення: довільне
Обслуговування: регулярна перевірка сальників, мастила, стану штоку
⮞⮞⮞⮞⮞⮞⮞⮞⮞⮞Відео огляд гідроциліндра на тік ток⮜⮜⮜⮜⮜⮜⮜⮜⮜⮜

Гарантійні зобов'язання не поширюються на гідроциліндри:
1. не встановлені на виріб протягом шести місяців з дати виготовлення;
2. встановлені у вироби, на які не погоджена їхня застосовність;
3. Гідроциліндр зазнавав несанкціонованого розбирання споживачем;
4. Порушувалися умови експлуатації гідроциліндра (брудна олія з присутністю домішок, шматків гуми, ганчірки та інших абразивних частинок або перевищення допустимого навантаження на гідроциліндр);
5. Дефекти або пошкодження, що виникли через попадання бруду, води, такі як корозія та окислення, а також при використанні неякісної гідравлічної олії;
6. Гідроциліндр використовувався не за призначенням;
7. Були внесені конструктивні зміни до гідроциліндра споживачем;
8. Пошкодження, що виникли внаслідок природного зносу гідроциліндра;
9. деформація, викликана надлишковим тиском, саме:
- деформація (зміна геометричних розмірів) задньої кришки гідроциліндра
- деформація (зміна геометричних розмірів) гільзи
- деформація (зміна геометричних розмірів) штока
10. Утворення опуклості діаметром штока, внаслідок чого відбувається заклинювання.
Онлайн оплата
Наложенный платеж
Наличный расчёт
Безналичный расчёт
Новая Почта(курьер)
ціна від 250 грн
Новая Почта(отделение)
ціна від 200 грн
Самовывоз
Повернення і обмін
Відповідно до закону України «про захист прав споживачів» ви можете протягом 14 днів з моменту покупки повернути або обміняти товар, придбаний в магазині, за умови виконання всіх норм передбачених законом. Умови обміну / повернення товару належної якості стаття 9. Відповідно до закону України «про захист прав споживачів»: споживач має право обміняти непродовольчий товар належної якості на аналогічний у продавця, у якого він був придбаний, якщо товар не задовольнив його за формою, габаритами, фасоном, кольором, розміром або з інших причин не може бути ним використаний за призначенням. Споживач має право на обмін товару належної якості протягом чотирнадцяти днів, не рахуючи дня покупки. споживач (термін вживається в такому значенні згідно статті 1. п.22 закону України «про захист прав споживачів») – фізична особа, яка купує, замовляє, використовує або має намір придбати чи замовити продукцію для особистих потреб, не пов’язаних з підприємницькою діяльністю або виконанням обов’язків найманого працівника. обмін або повернення товару належної якості провадиться: якщо не використовувався; якщо збережено його товарний вигляд, споживчі властивості, пломби, ярлики; на підставі розрахунковий документ, виданий споживачеві разом з проданим товаром. умови обміну / повернення товару неналежної якості стаття 8. Згідно із законом України «про захист прав споживачів»: в разі виявлення протягом встановленого гарантійного строку недоліків споживач, в порядку та в строки, встановлені законодавством, має право вимагати безоплатного усунення недоліків товару в розумний строк. вимоги споживача, передбачених цією статтею, не підлягають задоволенню, якщо продавець, виробник (підприємство, що задовольняє вимоги споживача, встановлені частиною першою цієї статті) доведуть, що недоліки товару виникли внаслідок порушення споживачем правил користування товаром або його зберігання. Споживач має право брати участь у перевірці якості товару особисто або через свого представника.