артикул De Dietrich 83688783
Горелка Worgas для De Dietrich (97570397) 83688783
Данное устройство представляет собой прибор, в котором смешиваются газ и кислород, находящийся в окружающем воздухе. Полученная смесь подается к выходным отверстиям, где воспламеняется с помощью искры от пьезоэлемента или электричества. В результате появляется постоянное факельное пламя. Горелки к котлам для настенных котлов - это одна из самых важных составляющих в самих нагревательных котлах.
Конструкция горелок должна отвечать всем требования безопасности, обеспечивать стабильное пламя, а также быстрое и надежное воспламенение газовой смеси. Кроме того, качественный фитильный элемент должен отличаться простым монтажом, длительным сроком эксплуатации, отсутствием шума и вибрации.
Горелка WORGAS для котлов средней и большой мощности De Dietrich DTG 220 ECONOX, DTG 220 ECONOX/II, DTG 230 ECONOX.
Артикулы: 83688783, 97570397
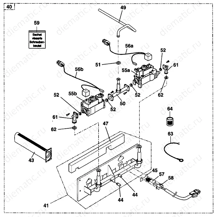
Горелка WORGAS для котлов De Dietrich DTG 220 ECONOX на схеме №43

| Поз. | Артикул | Наименование |
|---|---|---|
| 0 | 85027047 | Комплект переоборудования на природный газ Н, 6 сек |
| 0 | 85027048 | Комплект переоборудования на природный газ Н, 7 ссекцийек |
| 0 | 85027049 | Комплект переоборудования на природный газ Н, 8 секций |
| 0 | 85027050 | Комплект переоборудования на природный газ Н, 9 секций |
| 0 | 85027051 | Комплект переоборудования на природный газ Н, 10 секций |
| 0 | 85027052 | Комплект переоборудования на природный газ Н, 11 секций |
| 0 | 85027053 | Комплект переоборудования на природный газ Н, 12 секций |
| 0 | 85027054 | Комплект переоборудования на природный газ Н, 13 секций |
| 0 | 85027055 | Комплект переоборудования на природный газ Н, 14 секций |
| 0 | 85027056 | Комплект переоборудования на природный газ L, 6 секций |
| 0 | 85027057 | Комплект переоборудования на природный газ L, 7 секций |
| 0 | 85027058 | Комплект переоборудования на природный газ L, 8 секций |
| 0 | 85027059 | Комплект переоборудования на природный газ L, 9 секций |
| 0 | 85027060 | Комплект переоборудования на природный газ L, 10 секций |
| 0 | 85027061 | Комплект переоборудования на природный газ L, 11 секций |
| 0 | 85027062 | Комплект переоборудования на природный газ L, 12 секций |
| 0 | 85027063 | Комплект переоборудования на природный газ L, 13 секций |
| 0 | 85027064 | Комплект переоборудования на природный газ L, 14 секций |
| 0 | 85027103 | Комплект переоборудования на пропан, 6-14 секций |
| 40 | 85025530 | Газовая линия в сборе, 6 секций |
| 40 | 85025535 | Газовая линия в сборе, 11 секций |
| 40 | 85025536 | Газовая линия в сборе, 12 секций |
| 40 | 85025537 | Газовая линия в сборе, 13 секций |
| 40 | 85025534 | Газовая линия в сборе, 10 секций |
| 40 | 85025538 | Газовая линия в сборе, 14 секций |
| 40 | 85025531 | Газовая линия в сборе, 7 секций |
| 40 | 85025532 | Газовая линия в сборе, 8 секций |
| 40 | 85025533 | Газовая линия в сборе, 9 секций |
| 41 | 85025539 | Держатель горелки, 6 секций WO EOX |
| 41 | 85025547 | Держатель горелки, 14 секций WO EOX |
| 41 | 85025540 | Держатель горелки, 7 секций WO EOX |
| 41 | 85025541 | Держатель горелки, 8 секций WO EOX |
| 41 | 85025543 | Держатель горелки, 10 секций WO EOX |
| 41 | 85025542 | Держатель горелки, 9 секций WO EOX |
| 41 | 85025544 | Держатель горелки, 11 секций WO EOX |
| 41 | 85025545 | Держатель горелки, 12 секций WO EOX |
| 41 | 85025546 | Держатель горелки, 13 секций WO EOX |
| 43 | 83688783 | Горелка WORGAS |
| 44 | 95360220 | Отвод для измерения давления |
| 45 | 85028100 | Плоский электрод поджига |
| 47 | 83775627 | Изоляция рабочей площадки горелки, 6 секций |
| 47 | 83775629 | Изоляция рабочей площадки горелки, 8 секций |
| 47 | 83775632 | Изоляция рабочей площадки горелки, 11 секций |
| 47 | 83775633 | Изоляция рабочей площадки горелки, 12 секций |
| 47 | 83775634 | Изоляция рабочей площадки горелки, 13 секций |
| 47 | 83775631 | Изоляция рабочей площадки горелки, 10 секций |
| 47 | 83775635 | Изоляция рабочей площадки горелки, 14 секций |
| 47 | 83775628 | Изоляция рабочей площадки горелки, 7 секций |
| 47 | 83775630 | Изоляция рабочей площадки горелки, 9 секций |
| 49 | 97549040 | Труба подачи газа - 6 секционные котлы |
| 49 | 97549043 | Труба подачи газа - 13-14 секционные котлы |
| 49 | 97549041 | Труба подачи газа - 7-8-9 секционные котлы |
| 49 | 97549042 | Труба подачи газа - 10-11-12 секционные котлы |
| 50 | 97549028 | Соединительная трубка, от 9 до 14 секций |
| 51 | 95013064 | Прокладка Ø 32 x 44 x 2 |
| 52 | 97550178 | Прокладка 21x30x2 |
| 55a | 85024700 | Газовый клапан 1-ой ступени, ПРАВЫЙ VR4605CB10 |
| 55b | 85024701 | Газовый вентиль 2-ой ступени, ЛЕВЫЙ VR4605CB103 |
| 56a | 85024900 | Эл. цепь газового клапана 1-ой ступени, правый |
| 56b | 85024901 | Электрическая цепь (14 секционные котлы) |
| 57 | 83774701 | Запальный электрод c кабелем |
| 58 | 83778060 | Держатель свечи |
| 59 | 85025516 | Пакет принадлежностей для газовой линии |
| 61 | 97549839 | Фланец-колено LOVATO |
| 62 | 97550196 | Прокладка 27.2 x 16 x 3 |
| 63 | 83684907 | Заземляющий провод |
| 64 | 88008961 | Клей 1000 (баночка 100 мл) |
Безналичный расчёт
Наличный расчёт
Предоплата
Новая Почта
Повернення і обмін
Відповідно до закону України «про захист прав споживачів» ви можете протягом 14 днів з моменту покупки повернути або обміняти товар, придбаний в магазині, за умови виконання всіх норм передбачених законом. Умови обміну / повернення товару належної якості стаття 9. Відповідно до закону України «про захист прав споживачів»: споживач має право обміняти непродовольчий товар належної якості на аналогічний у продавця, у якого він був придбаний, якщо товар не задовольнив його за формою, габаритами, фасоном, кольором, розміром або з інших причин не може бути ним використаний за призначенням. Споживач має право на обмін товару належної якості протягом чотирнадцяти днів, не рахуючи дня покупки. споживач (термін вживається в такому значенні згідно статті 1. п.22 закону України «про захист прав споживачів») – фізична особа, яка купує, замовляє, використовує або має намір придбати чи замовити продукцію для особистих потреб, не пов’язаних з підприємницькою діяльністю або виконанням обов’язків найманого працівника. обмін або повернення товару належної якості провадиться: якщо не використовувався; якщо збережено його товарний вигляд, споживчі властивості, пломби, ярлики; на підставі розрахунковий документ, виданий споживачеві разом з проданим товаром. умови обміну / повернення товару неналежної якості стаття 8. Згідно із законом України «про захист прав споживачів»: в разі виявлення протягом встановленого гарантійного строку недоліків споживач, в порядку та в строки, встановлені законодавством, має право вимагати безоплатного усунення недоліків товару в розумний строк. вимоги споживача, передбачених цією статтею, не підлягають задоволенню, якщо продавець, виробник (підприємство, що задовольняє вимоги споживача, встановлені частиною першою цієї статті) доведуть, що недоліки товару виникли внаслідок порушення споживачем правил користування товаром або його зберігання. Споживач має право брати участь у перевірці якості товару особисто або через свого представника.