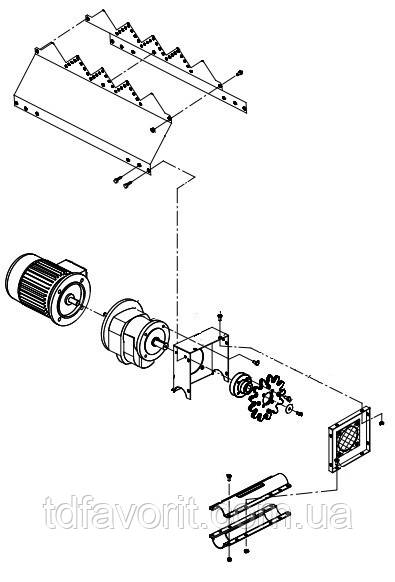
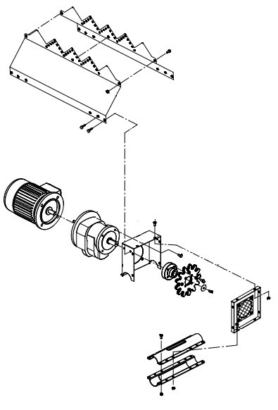
Данный мотор-редуктор используется в контурной системе кормления KiXoo и Vitoo (Roxell)

При содержании родительского стада бройлеров и ремонтного молодняка
применяются замкнутые контуры кормораздачи или так называемые
кольцевые линии. Их применение связано с особенностями кормления
данного вида птицы, которая получает корм в ограниченном объеме и
строго по времени. Здесь важны такие параметры, как дозирование
корма, его быстрая раздача с целью избежания стрессов у птицы,
выдача корма в строго определенное время, раздельное кормление кур
и петухов. Именно кольцевые линии, где спираль не прокручивается, а
протаскивается с большой скоростью, дают возможность реализовать
все эти технологические тонкости.
В кольцевой системе кормораздачи используется весовое дозирующее
устройство, которое устанавливается в конце транспортера,
доставляющего корм в помещение из внешнего бункера.
Предусмотрено также использование промежуточных хопров. Кольцевые линии успешно сочетаются с гнездами для несушек, которые могут быть оборудованы автоматическим яйцесбором. Именно автоматический яйцесбор рекомендуется к применению на современных фермах, так как ручной является технологическим анахронизмом.
Комплектация:
| Артикул | Наименование |
| 00601260 | Мотор-редуктор 0,37 кВт, 3х230/400В, 50 Гц для контурной системы |
| 10700177 | Редуктор В5-71-1/17.7 |
| 10106482 | Мотор В5 0,37 кВт, 3х230/400В, 50 Гц |
Безналичный расчёт
Наличный расчёт
Предоплата
Новая Почта
Повернення і обмін
Відповідно до закону України «про захист прав споживачів» ви можете протягом 14 днів з моменту покупки повернути або обміняти товар, придбаний в магазині, за умови виконання всіх норм передбачених законом. Умови обміну / повернення товару належної якості стаття 9. Відповідно до закону України «про захист прав споживачів»: споживач має право обміняти непродовольчий товар належної якості на аналогічний у продавця, у якого він був придбаний, якщо товар не задовольнив його за формою, габаритами, фасоном, кольором, розміром або з інших причин не може бути ним використаний за призначенням. Споживач має право на обмін товару належної якості протягом чотирнадцяти днів, не рахуючи дня покупки. споживач (термін вживається в такому значенні згідно статті 1. п.22 закону України «про захист прав споживачів») – фізична особа, яка купує, замовляє, використовує або має намір придбати чи замовити продукцію для особистих потреб, не пов’язаних з підприємницькою діяльністю або виконанням обов’язків найманого працівника. обмін або повернення товару належної якості провадиться: якщо не використовувався; якщо збережено його товарний вигляд, споживчі властивості, пломби, ярлики; на підставі розрахунковий документ, виданий споживачеві разом з проданим товаром. умови обміну / повернення товару неналежної якості стаття 8. Згідно із законом України «про захист прав споживачів»: в разі виявлення протягом встановленого гарантійного строку недоліків споживач, в порядку та в строки, встановлені законодавством, має право вимагати безоплатного усунення недоліків товару в розумний строк. вимоги споживача, передбачених цією статтею, не підлягають задоволенню, якщо продавець, виробник (підприємство, що задовольняє вимоги споживача, встановлені частиною першою цієї статті) доведуть, що недоліки товару виникли внаслідок порушення споживачем правил користування товаром або його зберігання. Споживач має право брати участь у перевірці якості товару особисто або через свого представника.