Каталог товарів

Насос шестерний НШ-25М-4Л Гідросила лівий

в наявності
код: НШ-25М-4Л левый
4 100,00 грн. /шт
Онлайн оплата
з 1 відгуки, 100% позитивних
Регіон: Україна, Запорізька обл., Запоріжжя
Написати продавцю
Перевірений постачальник
На Агробіз
4 Роки
Час відповіді:
більше доби
Опис товару
Купити насос шестерний НШ-25М-4Л Гідросила лівого обертання за найкращою ціною в нашій компанії

У нас Ви можете придбати насос шестерний НШ-25М-4Л Гідросила лівого обертання (у наявності так само правого обертання) оригінальний і за найкращою ціною з гарантією. Цей насос широко застосовується в сельхоз. техніці.

Шестерний насос НШ25М4Л лівого (а також на складі є й правого) обертання торгової марки Гідросили — це економне й ефективне рішення гідрофікації мобільних машин та іншої техніки. Корпус насоса НШ-25М-3 виготовлений із високоміцного алюмінієвого сплаву, який стійкий до негативного впливу довкілля. Приєднувальні та габаритні розміри насоса виготовлені відповідно до вимог ГОСТ і ДСТУ. Сфера застосування насоса НШ25М3:

комунальна техніка;
сільськогосподарські машини;
підіймально-транспортна техніка;
будівельні машини.

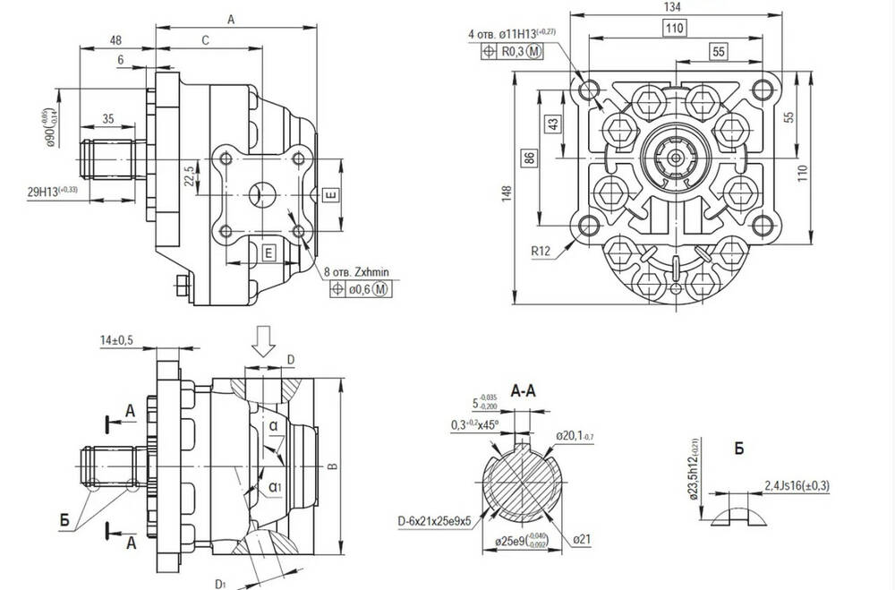
Насос шестерний НШ-25М-3Л Hydrosila: технічні характеристики

Чертеж насоса НШ-25М-4Л Гідросила

Параметри
Значення

Розмір А
102 мм

Розмір В
112 мм

Розмір С
67,5 мм

Розмір Е
46 мм

Розмір D (Вхід)
23 мм

Розмір D1 (Вихід)
16 мм

Розмір Zxh/min/
M8x18

Розмір α (Вхід)
90 °

Розмір α1 (Вихід)
72 °

Технічні характеристики насоса НШ-25М-3 Гідросила

Параметри
Характеристики

Робочий об'єм
25 см3

Максимальний тривалий тиск
160 Бар

Максимальний короткочасний тиск
210 Бар

Максимальний піковий тиск
250 барів

Мінімальна частота обертання
3000 хв-1

Мінімальна частота обертання
500 хв-1

Переваги нашої компанії та чому варто купувати в нас

Широка гама імпортних гідророзподільників провідних заводів гідравліки з ручним, електромагнітним, гідравлічним керуванням, а також гідромоторів, гідронасосів, клапанів та іншого гідравлічного обладнання імпортного та вітчизняного виробництва

Гарантія 12 місяців на імпортну гідравліку

Консультація фахівця та добір потрібного компонента гідравліки на ваше обладнання, підбір аналогів.

Завжди в наявності на складі або постачання в найкоротші терміни

Гнучка система знижок для гуртових і постійних клієнтів

Працюємо всією Україною, можливе надсилання накладеною платежетою, доставка продукції в будь-яку точку України всіма транспортними компаніями як Нова пошта, САТ, Автолюкс, Делівері

Все обладнання, що постачається, нове і відповідає стандартам

Шанувані клієнти, можливо, ви шукаєте інший насос НШ?

Повідомте нам і наш кваліфікований фахівець буде радий допомогти підібрати насос, який Вам потрібен. Для цього Вам потрібно лише вказати необхідні технічні характеристики, наприклад: його об'єм, обертання, де застосовується і тд

Наші фахівці безплатно нададуть консультацію з підбору аналога будь-якого гідравлічного або пневматичного обладнання, як і вітчизняного, так і імпортного виробництва провідних заводів гідравліки Італії, Польщі, Туреччини. З усіх питань придбання обладнання звертайтеся через телефони або електронні адреси, зазначених на сайті.

Звертаємо Вашу увагу, що у зв'язку з частими змінами цінової кон'юнктури, прохання уточнювати ціни у відділі продажів

Якщо немає в переліку необхідної Вам продукції, Зв'яжіть із менеджерами компанії по телефону або електронної пошти і Вам подарує всю необхідну допомогу в підборі обладнання або аналогів.
читати далі згорнути
Характеристики
Направление вращения
Левое
Стан
Новий
Регульований гідромотор
Ні
Конструктивне виконання
Моноблочне
Управління
Електромагнітне
Робочий об'єм, куб. см
10
Гарантійний термін, міс
12
читати далі згорнути
Відгуки
1 відгуки
100% позитивних
Сергій
16 березня 2023р. в 14:44
Гарне обслуговування, швидка відправка.
Товар був в наявності, ціни актуальні.
читати далі згорнути
Варіанти оплати

Предоплата

Онлайн оплата

Накладений платіж

Безготівковий розрахунок

Варіанти доставки

Нова Пошта

Повернення і обмін
Відповідно до закону України «про захист прав споживачів» ви можете протягом 14 днів з моменту покупки повернути або обміняти товар, придбаний в магазині, за умови виконання всіх норм передбачених законом. Умови обміну / повернення товару належної якості стаття 9. Відповідно до закону України «про захист прав споживачів»: споживач має право обміняти непродовольчий товар належної якості на аналогічний у продавця, у якого він був придбаний, якщо товар не задовольнив його за формою, габаритами, фасоном, кольором, розміром або з інших причин не може бути ним використаний за призначенням. Споживач має право на обмін товару належної якості протягом чотирнадцяти днів, не рахуючи дня покупки. споживач (термін вживається в такому значенні згідно статті 1. п.22 закону України «про захист прав споживачів») – фізична особа, яка купує, замовляє, використовує або має намір придбати чи замовити продукцію для особистих потреб, не пов’язаних з підприємницькою діяльністю або виконанням обов’язків найманого працівника. обмін або повернення товару належної якості провадиться: якщо не використовувався; якщо збережено його товарний вигляд, споживчі властивості, пломби, ярлики; на підставі розрахунковий документ, виданий споживачеві разом з проданим товаром. умови обміну / повернення товару неналежної якості стаття 8. Згідно із законом України «про захист прав споживачів»: в разі виявлення протягом встановленого гарантійного строку недоліків споживач, в порядку та в строки, встановлені законодавством, має право вимагати безоплатного усунення недоліків товару в розумний строк. вимоги споживача, передбачених цією статтею, не підлягають задоволенню, якщо продавець, виробник (підприємство, що задовольняє вимоги споживача, встановлені частиною першою цієї статті) доведуть, що недоліки товару виникли внаслідок порушення споживачем правил користування товаром або його зберігання. Споживач має право брати участь у перевірці якості товару особисто або через свого представника.

Укрпошта

Кур'єрська доставка до дверей (Нова пошта)

Нова Пошта (поштомат)

Самовивіз

читати далі згорнути
Покупці цього товару також цікавилися
код: Р80-3/1-222
2 900,00 грн. /шт
в наявності
код: Р80-3/4-222Г
2 900,00 грн. /шт
в наявності
код: 2Р40К16К16 на ДТЗ
6 800,00 грн. /шт
в наявності
-5%
код: P40 A1 GKZ1 корея
1 560,00 грн. 1 482,00 грн. /шт
в наявності
-10%
код: вилка в рукоятку
500,00 грн. 450,00 грн. /шт
в наявності
код: Баллон пропан 50л
2 980,00 грн. /шт
в наявності
-2%
код: 2Р80+трос+джойстик
10 000,00 грн. 9 800,00 грн. /шт
в наявності
-15%
код: G 1/2 M18x1,5
100,00 грн. 85,00 грн. /шт
в наявності
код: BDST Р40 A1 GKZ1
1 650,00 грн. /шт
в наявності
код: Р40
1 650,00 грн. /шт
в наявності
код: 796430071
2 200,00 грн. /шт
в наявності

Ви переглядали

Зараз шукають

Спецрахунок НБУ
Фонд "Повернись живим"
Фонд Сергія Притули
Ще не зареєстровані?
Реєстрація
Вже зареєстровані? Увійти
Вже зареєстровані? Увійти