ТОВ "ІНТЕК-ЗАХІД" реалізовує регуляторні групи італійського і вітчизняного виробництва пропускною здатністю від 30 до 2000 кг пропан-бутану на годину.
Регуляторні групи є однїєю з основних складових системи автономного газопостачання. Вони призначені для зниження тиску газу в газопроводах до заданої величини і забезпечення стабільної подачі газу до газоспоживаючого обладнання. Регуляторні групи класифікуються за кількістю гілок редукування і стадіями зниження тиску.
Основні чотири типи регуляторних груп
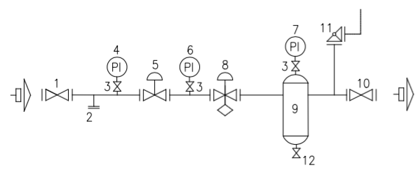
1. Одностадійна регуляторна група середнього тиску без резервної гілки редукування.
Зниження тиску відбувається за допомогою одного регулятора тиску (одна стадія).
Вхідний тиск Р1=16 атм.
Вихідний тиск Р2= від 2 до 0,4 атм. в залежності від робочого тиску споживача.
Пропускна здатність: від 30 до 2000 кг пропан-бутану на годину.
1 - кран
кульовий;
2 - вхід парової фази від резервуару (додаткова опція за необхідності);
3 - кран манометричний;
4 - манометр високого тиску;
5 - регулятор тиску із запірно-запобіжним клапаном;
6 - манометр середнього тиску;
7 - конденсатозбірник;
8 - кран кульовий;
9 - запобіжно-скидний клапан;
10 - кран дренажний.
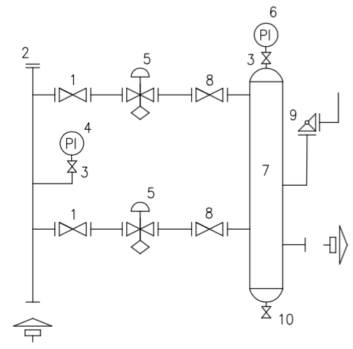
2. Одностадійна регуляторна група середнього тиску з резервною гілкою редукування.
Зниження тиску відбувається за допомогою одного регулятора тиску (одна стадія).
Резервна гілка використовується під час заміни або проведення технічного обслуговування регулятора і арматури основної гілки.
Вхідний тиск Р1=16 атм.
Вихідний тиск Р2= від 2 до 0,4 атм. в залежності від робочого тиску споживача.
Пропускна здатність: від 30 до 2000 кг пропан-бутану на годину.

1 - кран кульовий;
2 - вхід парової фази від резервуару (додаткова опція за необхідності);
3 - кран манометричний;
4 - манометр високого тиску;
5 - регулятор тиску із запірно-запобіжним клапаном;
6 - манометр середнього тиску;
7 - конденсатозбірник;
8 - кран кульовий;
9 - запобіжно-скидний клапан;
10 - кран дренажний.
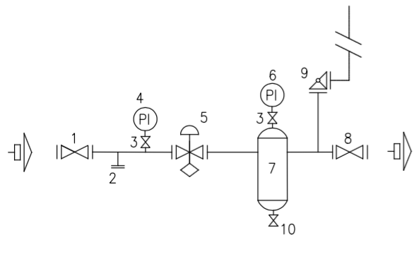
3. Двостадійна регуляторна група низького тиску без резервної гілки редукування.
Зниження тиску відбувається за допомогою двох регуляторів тиску (дві стадії).
Вхідний тиск Р1=16 атм.
Вихідний тиск Р2= від 0,35 до 0,03 атм. в залежності від робочого тиску споживача.
Пропускна здатність: від 30 до 2000 кг пропан-бутану на годину.

1 - кран кульовий;
2 - вхід парової фази від резервуару (додаткова опція за необхідності);
3 - кран манометричний;
4 - манометр високого тиску;
5 - регулятор тиску першої стадії;
6 - манометр середнього тиску;
7 - манометр низького тиску;
8 - регулятор тиску другої стадії із запірно-запобіжним клапаном;
9 - конденсатозбірник;
10 - кран кульовий;
11 - запобіжно-скидний клапан;
12 - кран дренажний.
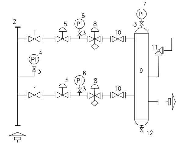
4. Двостадійна регуляторна група низького тиску з резервною гілкою редукування.
Зниження тиску відбувається за допомогою двох регуляторів тиску (дві стадії).
Резервна гілка використовується під час заміни або проведення технічного обслуговування регуляторів і арматури основної гілки.
Вхідний тиск Р1=16 атм.
Вихідний тиск Р2= від 0,35 до 0,03 атм. в залежності від робочого тиску споживача.
Пропускна здатність: від 30 до 2000 кг пропан-бутану на годину.

1 - кран кульовий;
2 - вхід парової фази від резервуару (додаткова опція за необхідності);
3 - кран манометричний;
4 - манометр високого тиску;
5 - регулятор тиску першої стадії;
6 - манометр середнього тиску;
7 - манометр низького тиску;
8 - регулятор тиску другої стадії із запірно-запобіжним клапаном;
9 - конденсатозбірник;
10 - кран кульовий;
11 - запобіжно-скидний клапан;
12 - кран дренажний.
Для отримання більш детальної інформації звертайтесь за номерами телефонів, вказаних на сайті.
Наличный расчёт
Безналичный расчёт
Предоплата
Самовывоз
Повернення і обмін
Відповідно до закону України «про захист прав споживачів» ви можете протягом 14 днів з моменту покупки повернути або обміняти товар, придбаний в магазині, за умови виконання всіх норм передбачених законом. Умови обміну / повернення товару належної якості стаття 9. Відповідно до закону України «про захист прав споживачів»: споживач має право обміняти непродовольчий товар належної якості на аналогічний у продавця, у якого він був придбаний, якщо товар не задовольнив його за формою, габаритами, фасоном, кольором, розміром або з інших причин не може бути ним використаний за призначенням. Споживач має право на обмін товару належної якості протягом чотирнадцяти днів, не рахуючи дня покупки. споживач (термін вживається в такому значенні згідно статті 1. п.22 закону України «про захист прав споживачів») – фізична особа, яка купує, замовляє, використовує або має намір придбати чи замовити продукцію для особистих потреб, не пов’язаних з підприємницькою діяльністю або виконанням обов’язків найманого працівника. обмін або повернення товару належної якості провадиться: якщо не використовувався; якщо збережено його товарний вигляд, споживчі властивості, пломби, ярлики; на підставі розрахунковий документ, виданий споживачеві разом з проданим товаром. умови обміну / повернення товару неналежної якості стаття 8. Згідно із законом України «про захист прав споживачів»: в разі виявлення протягом встановленого гарантійного строку недоліків споживач, в порядку та в строки, встановлені законодавством, має право вимагати безоплатного усунення недоліків товару в розумний строк. вимоги споживача, передбачених цією статтею, не підлягають задоволенню, якщо продавець, виробник (підприємство, що задовольняє вимоги споживача, встановлені частиною першою цієї статті) доведуть, що недоліки товару виникли внаслідок порушення споживачем правил користування товаром або його зберігання. Споживач має право брати участь у перевірці якості товару особисто або через свого представника.