Сальник бортового редуктора 205-30-00052 Komatsu. Купити запчастини для спецтехніки у Києві безпосередньо з нашого складу. Всі запчастини до мостів і редукторів ми поставляємо безпосередньо від виробника. Ремонт мостів, трансмісії та двигунів проводить наш сервісний центр (Київ, Україна).
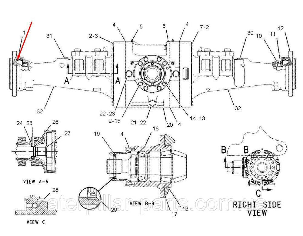
Якісне ущільнення є повним комплектом, що запобігає витоку масла в місці з'єднання фланця ступичного редуктора і гідромотора. У комплект входять два металеві кільця і два гумові кільця ущільнювачів. Металеве кільце разом із зовнішнім кільцем підшипника утворюють так зване ковзне ущільнення, яке дозволяє компоненту обертатися і бути герметичним. Гумове кільце ущільнювача запобігає витоку масла з боку корпусу і діє як амортизатор, запобігаючи пошкодженню кільця під час навантаження. Сальник DUOCONE (дуокон) доступний для придбання на нашому складі, а також ми можемо відправити запчастини поштовими службами в інші міста України.

Виробник: Komatsu
Товар: 205-30-00052, 2053000052
Застосування:
Англійська назва: Floating Seal Final Drive
| МЕТАЛ | Сталь Gcr15 / 100Cr6 | У ролях 15Cr3Mo |
| Гладкість/шорсткість поверхні | ≤Ra0,2 мкм | 6,3-12,5 мкм |
| Робота обличчя гладкість | ≤Ra0,15 мкм | ≤Ra0,1 мкм |
| Навантаження під тиском | ≤0,15 МПа | ≤0,3 МПа |
| Швидкість кувальної лінії | 2 м/с | 3 м/с |
| Діапазон температур | -100~200°C | -40~160°C |
| Твердість (HRC) | 58-62 | 65-68 |
| Час життя (годинник) | 3000-5000 | 5000-8000 |
| матеріал | NBR60 | СИЛІКОН | FKM |
| твердість | 60 ° -65 ° | 60 ° -65 ° | 72 ° -78 ° |
| мінімальний розтяжний сила | 11 МПа | 10,6 МПа | 11 МПа |
| мінімальний подовження на зміну | 300% | 400% | 260% |
| перманентна деформація | 12% | 8% | 25% |
| температура діапазон | -42 ℃ -120 ℃ | -49 ℃ -230 ℃ | -30 ℃ -250 ℃ |
| Конкретний Сила тяжіння | 1,25 | 1.2 | 1,8 |
Інтернет-магазин spec-zapchasti пропонує продаж запчастин бренду Komatsu за приємною ціною від постачальника.
| Переваги співпраці з нашою компанією: | |
|
|
Група компаній «СПЕЦ-ЗАПЧАСТИНА ГРУП» пропонує купити оригінальні комплектуючі для спеціальної, сільгосп, будівельної та комунальної техніки у Києві, Ужгороді, Черкасах, Харкові, Житомирі та Полтаві нові та Б/У у високій якості запчастини. Щоб Ваш навантажувач-екскаватор, колісний екскаватор, екскаватор гусеничний, бульдозер, автогрейдер, міні-екскаватор, міні-навантажувач завжди був виправлений ми ведемо повну історію обслуговування та діагностики. Ви можете довіряти нам.
Аналоги:1110-30-00085 110-30-00045 141-30-00610 140-30-00040 140-30-00141 170-30-00110 170-30- 00210 175-30-00070 175-30-00700 20Y-30-00040 130-27-00020 150-27-00025 150-27-00026 150-27-00027 204-30-00041 20Y-30-00100 150-30- 00035 154-30-00035 154-30-00830 154-30-00832 154-30-00833 170-27-00010 198-30-00072 21T-30-00110 198-30-00072 423-33-00020 423-33- 00021 205-30-00052 14X-27-00100 205-30-00050 22B-30-00030 195-27-00022 175-27-00120 175-30-00900 20Y-30-00430 22U-30-00060 20Y-30- 13210 204-30-00100 198-30-00140 195-27-00100 568-33-00016 ТЗЕС 100-154S, 9G5311 9W6666 1M8747 9W6647 5M1176 6T8433 9G5315 9W6 671 9W6680 9W7220 8E5609 9W7225 6P3595 9G5345 9W6690 9W6691 9W7216 2M2858 9W7223 9W6691 1P7249 5P7146 9W7243 7M0481 5P0204 7T0159 9W6651 9W7233 7T0157 108-6997 5P0373 9W7213 9P9663 8E2042 9W6694 9W3732 9W7201 9W7202 9W6620 9W6619 9W 3956 16 9-6442 6Y0855 9W7204 6Y0856 9G5349 3144128 205-9025 9W7204 6Y0856 9G5349 1796862 1796863 145-6034 9W6644 9W6822 3T660 2 365-49 20 2627244 3176441 9W7206 1796864 1C9748 1456035 3144130 1791292, 4176379 4110358 4128201 4508192 4128201 4508192 4060222 4110359 4512571 4060225 404 7279 4104605 4110360 41 53468 4163731 4068433 4153711 4163711 4110362 4153732 4508193 4056360 4111361 4507221 4642180 4110366 4110367 4513173 4092483 4082631 4110368 4110369 4114753 4634693 4514259 4179741 4066695 4317584 4138544 4082698 ZAX200-5G XKAH-00916 XKAQ -00219 00-7918 R45P0018D6 JB5680 619-89900440 71418383 05/9038111 180-00512 CR3069 4294 5691020340 5691020530 R45P00 18D12 2445Z1110 R45P0018D27 TD00611/02 R45P0018D13 Великобританія 5500 R45P0018D14 R45P0018D14 204-50805000 R45P0018D29 РГ-30 OK5110H-25 JB5820 619- 95032001 R45P0018D20 76 0S247F JS2650S YN53D00008S023 LQ15V00020S067 R45P0018D22 760S297FS YN15V00037S029 11,3209 24100U1743S24 R45P0018D23 58845-20500 U1456 8 45P0018D18 R45P00018D9 988430 R45P0018D9 20306 U16184 2445Z1109 HEL-127 А2
Безготівковий розрахунок
Передплата
Готівковий розрахунок
Післяплата
Нова Пошта (відділення)
Самовивіз
Повернення і обмін
Відповідно до закону України «про захист прав споживачів» ви можете протягом 14 днів з моменту покупки повернути або обміняти товар, придбаний в магазині, за умови виконання всіх норм передбачених законом. Умови обміну / повернення товару належної якості стаття 9. Відповідно до закону України «про захист прав споживачів»: споживач має право обміняти непродовольчий товар належної якості на аналогічний у продавця, у якого він був придбаний, якщо товар не задовольнив його за формою, габаритами, фасоном, кольором, розміром або з інших причин не може бути ним використаний за призначенням. Споживач має право на обмін товару належної якості протягом чотирнадцяти днів, не рахуючи дня покупки. споживач (термін вживається в такому значенні згідно статті 1. п.22 закону України «про захист прав споживачів») – фізична особа, яка купує, замовляє, використовує або має намір придбати чи замовити продукцію для особистих потреб, не пов’язаних з підприємницькою діяльністю або виконанням обов’язків найманого працівника. обмін або повернення товару належної якості провадиться: якщо не використовувався; якщо збережено його товарний вигляд, споживчі властивості, пломби, ярлики; на підставі розрахунковий документ, виданий споживачеві разом з проданим товаром. умови обміну / повернення товару неналежної якості стаття 8. Згідно із законом України «про захист прав споживачів»: в разі виявлення протягом встановленого гарантійного строку недоліків споживач, в порядку та в строки, встановлені законодавством, має право вимагати безоплатного усунення недоліків товару в розумний строк. вимоги споживача, передбачених цією статтею, не підлягають задоволенню, якщо продавець, виробник (підприємство, що задовольняє вимоги споживача, встановлені частиною першою цієї статті) доведуть, що недоліки товару виникли внаслідок порушення споживачем правил користування товаром або його зберігання. Споживач має право брати участь у перевірці якості товару особисто або через свого представника.