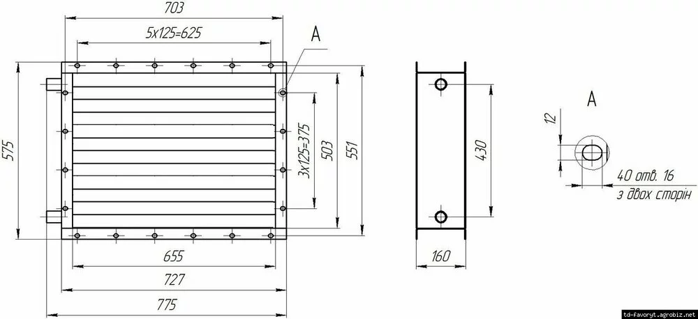
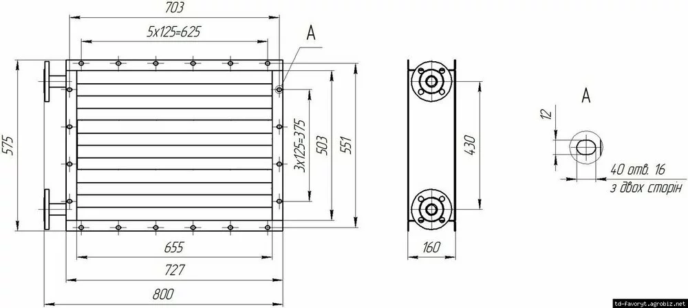
Воздухонагреватели ВНВ (ПНВ),аналог калорифера КСК (вода) предназначены для нагрева воздуха в системах отопления, вентиляции и кондиционирования воздуха.
Воздухонагреватели
ВНВ(ПНВ)113-303-01УХЛ3 - предназначены
для нагрева воздуха аналог калориферов КСК:
Калориферы (воздухонагреватели) биметалические водяные и паровые
ПНВ СПЕ (водяные), ПНП СПЕ (паровые) предназначены для нагревания
воздуха в системах вентиляции, воздушного отопления,
кондиционирования воздуха и в сушильных установках с использованием
в качестве теплоносителя горячей или перегретой воды для водяных
калориферов и сухого насыщенного (перегретого) пара для паровых
калориферов.
Иногда калориферы используют как маслоохладители, пуская вместо
воды масло.Иногда, в технической документации встречается
обозначение калориферов водяных , как Воздухонагреватели водяные -
ВНВ, КСК и калориферов паровых, как Воздухонагреватели паровые -
ВНП, КПСК.
В технической документации на украинском языке калорифер водяной и
паровой соответственно называется "Повітронагрівач водяний - ПНВ" и
"Повітронагрівач паровий - ПНП".

Калориферы (воздухонагреватели) ПНВ, ПНП (ВН, ВНВ, КсК, КПсК)
предназначен для эксплуатации в условиях умеренного и холодного
климата, категория размещения 3 - по ГОСТ 15150-69.
Калориферы (воздухонагреватели) ПНВ, ПНП (ВН, ВНВ, КсК, КПсК)
состоит из теплоотдающих элементов, трубных решеток, коллекторов,
съемных боковых щитов.


Теплоотдающий элемент выполнен из стальной трубы и алюминиевого
оребрения. Нагрев воздуха осуществляется с помощью теплоты
циркулирующей по трубкам воздухонагревателя горячей или перегретой
воды, поступающей от внешних источников теплоснабжения. Теплообмен
между средами осуществляется путем теплопередачи через оребренную
стенку трубы.Калориферы (воздухонагреватели) ПНВ, ПНП (ВН, ВНВ,
КсК, КПсК) предназначен для эксплуатации в условиях умеренного и
холодного климата, категория размещения 3 - по ГОСТ 15150-69.
Воздухонагреватели ВНВ(ПНВ) 113-303-01УХЛ3
| Обозначение | Параметры | Старое обозначение: КсК | |||
| n, шт | QВ, м3/ч | QТ, кВт | SТ, м2 | ||
| ПНВ 113-303-01УХЛ3 | 20 | 3150 | 68.9 | 17.3 | КсК 3-7 |
| Страна производитель | Украина |
| Вид энергоносителя | Вода |
| Расход воздуха | 3150 (куб. м/час) |
| Температура воздуха на входе | -20.0 (град.) |
| Вид поверхности калорифера | Ребристая |
| Гарантийный срок | 12 (мес) |
Безналичный расчёт
Наличный расчёт
Предоплата
Новая Почта
Повернення і обмін
Відповідно до закону України «про захист прав споживачів» ви можете протягом 14 днів з моменту покупки повернути або обміняти товар, придбаний в магазині, за умови виконання всіх норм передбачених законом. Умови обміну / повернення товару належної якості стаття 9. Відповідно до закону України «про захист прав споживачів»: споживач має право обміняти непродовольчий товар належної якості на аналогічний у продавця, у якого він був придбаний, якщо товар не задовольнив його за формою, габаритами, фасоном, кольором, розміром або з інших причин не може бути ним використаний за призначенням. Споживач має право на обмін товару належної якості протягом чотирнадцяти днів, не рахуючи дня покупки. споживач (термін вживається в такому значенні згідно статті 1. п.22 закону України «про захист прав споживачів») – фізична особа, яка купує, замовляє, використовує або має намір придбати чи замовити продукцію для особистих потреб, не пов’язаних з підприємницькою діяльністю або виконанням обов’язків найманого працівника. обмін або повернення товару належної якості провадиться: якщо не використовувався; якщо збережено його товарний вигляд, споживчі властивості, пломби, ярлики; на підставі розрахунковий документ, виданий споживачеві разом з проданим товаром. умови обміну / повернення товару неналежної якості стаття 8. Згідно із законом України «про захист прав споживачів»: в разі виявлення протягом встановленого гарантійного строку недоліків споживач, в порядку та в строки, встановлені законодавством, має право вимагати безоплатного усунення недоліків товару в розумний строк. вимоги споживача, передбачених цією статтею, не підлягають задоволенню, якщо продавець, виробник (підприємство, що задовольняє вимоги споживача, встановлені частиною першою цієї статті) доведуть, що недоліки товару виникли внаслідок порушення споживачем правил користування товаром або його зберігання. Споживач має право брати участь у перевірці якості товару особисто або через свого представника.