Серія відцентрових радіальних вентиляторів може використовуватися з різною метою: вентиляція промислових і побутових приміщень, обдув (охолодження) різного обладнання, у твердопаливних і піролізних котлах та ін.
Виготовляються вентилятори з листової сталі. Всі вентилятори мають крильчатку з загнутими локшини з оцинкованої сталі, які динамічно збалансовані.
Вентилятори можуть комплектуватися пристроєм запуску та захисту електродвигуна від нерозділених перепадів напруги та регулятором обертів.
Технічні характеристики
| Модель | Частота обертання, об/хв | Продуктивність, м3/год | Потужність, Вт | Тиск, Па | Шум, дБ | Напруга, В |
|---|---|---|---|---|---|---|
| ВРМ-80/1 метал | 2500 | 90 | 40 | 160 | 52 | 220 |
| ВРМ-80/1 пластик | 2500 | 90 | 40 | 160 | 52 | 220 |
| ВРМ-108 | 2450 | 195 | 35 | 240 | 54 | 220 |
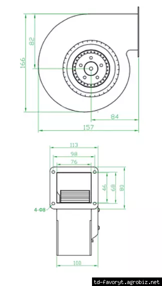
| ВРМ-120 | 1800 | 300 | 63 | 290 | 61 | 220 |
| ВРМ-130 | 2500 | 400 | 123 | 325 | 62 | 220 |
| ВРМ-130Н | 2400 | 300 | 140 | 400 | 63 | 220 |
| ВРМ-130/1 | 2500 | 390 | 180 | 500 | 74 | 220 |
| ВРМ-140 | 2650 | 520 | 200 | 480 | 75 | 220 |
| ВРМ-150 | 2500 | 660 | 250 | 460 | 76 | 220 |
| ВРМ-180 | 1360 | 800 | 157 | 300 | 66 | 220 |


Характеристики
| Основні | |
|---|---|
| Країна виробник | Китай |
| Тип конструкції промислового вентилятора | Радіальний (Центробежний) |
| Тип промислового вентилятора після виконання | Багатозональний |
| Тип каналу | Прямокутний |
| Продуктивність | 300.0(куб. м/год) |
| Частота обертання | 1800.0 (об./хв) |
| Максимальний робочий тиск | 0.0029(бар) |
| Максимальна запиленість повітря | 10.0 (мг/куб.м) |
| Споживана потужність | 0.063(кВт) |
| Напруга мережі | 220~240 В |
| Частота тока | 50 (Гц) |
| Ступінь захисту IP | 44 |
| Рівень шуму | 61.0(дБ) |
| Максимальна температура довкілля | 40.0(град.) |
| Мінімальна температура довкілля | -30.0(град.) |
| Вага | 1.8(кг) |
Безналичный расчёт
Наличный расчёт
Предоплата
Новая Почта
Повернення і обмін
Відповідно до закону України «про захист прав споживачів» ви можете протягом 14 днів з моменту покупки повернути або обміняти товар, придбаний в магазині, за умови виконання всіх норм передбачених законом. Умови обміну / повернення товару належної якості стаття 9. Відповідно до закону України «про захист прав споживачів»: споживач має право обміняти непродовольчий товар належної якості на аналогічний у продавця, у якого він був придбаний, якщо товар не задовольнив його за формою, габаритами, фасоном, кольором, розміром або з інших причин не може бути ним використаний за призначенням. Споживач має право на обмін товару належної якості протягом чотирнадцяти днів, не рахуючи дня покупки. споживач (термін вживається в такому значенні згідно статті 1. п.22 закону України «про захист прав споживачів») – фізична особа, яка купує, замовляє, використовує або має намір придбати чи замовити продукцію для особистих потреб, не пов’язаних з підприємницькою діяльністю або виконанням обов’язків найманого працівника. обмін або повернення товару належної якості провадиться: якщо не використовувався; якщо збережено його товарний вигляд, споживчі властивості, пломби, ярлики; на підставі розрахунковий документ, виданий споживачеві разом з проданим товаром. умови обміну / повернення товару неналежної якості стаття 8. Згідно із законом України «про захист прав споживачів»: в разі виявлення протягом встановленого гарантійного строку недоліків споживач, в порядку та в строки, встановлені законодавством, має право вимагати безоплатного усунення недоліків товару в розумний строк. вимоги споживача, передбачених цією статтею, не підлягають задоволенню, якщо продавець, виробник (підприємство, що задовольняє вимоги споживача, встановлені частиною першою цієї статті) доведуть, що недоліки товару виникли внаслідок порушення споживачем правил користування товаром або його зберігання. Споживач має право брати участь у перевірці якості товару особисто або через свого представника.