Каталог товарів

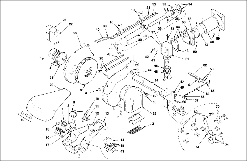
Запасные части к двухступенчатым прогрессивным газовым горелкам Riello RS (MZ)

в наявності
0,00 грн.
Регіон: Україна, Житомирська обл., Житомир
Написати продавцю
Перевірений постачальник
На Агробіз
7 Років
Опис товару

Запасные части для горелок 

двухступенчатых прогрессивных горелок Riello RS (MZ)

Артикул

Наименование

Мощность кВт

Артикул

Наименование

Мощность кВт

3762016

RS 5D*

160/208 - 345

3785100

RS 70 t.с.

192/465 – 814

20052615

RS 5D TL*

160/208 - 345

3785101

RS 70 t.l.

192/465 – 814

3789000

RS 34 MZ t.c.

45/125 – 390

3785300

RS 100 t.c.

232/698 – 1163

3789001

RS 34 MZ t.l.

45/125 – 390

3785301

RS 100 t.l.

232/698 – 1163

3789100

RS 44 MZ t.c.(M)

80/203 – 550

3785500

RS 130 t.c.

372/930 – 1512

3789101

RS 44 MZ t.l.(M)

80/203 – 550

3785501

RS 130 t.l.

372/930 – 1512

3789130

RS 44 MZ t.c.(T)

80/203 – 550

20044636

RS 150 t.c.

300/900 – 1850

3789131

RS 44 MZ t.l.(T)

80/203 – 550

20044637

RS 150 t.l.

300/900 – 1850

3784700

RS 50 t.c.

116/290 – 581

3785812

RS 190 t.c.

470/1279 – 2290

3784701

RS 50 t.l.

116/290 – 581

20030034

RS 190 t.l.

470/1279 – 2290

3789300

RS 64 MZ t.c.

150/400 – 850

3789301

RS 64 MZ t.l.

150/400 – 850

 

 

 

Двухступенчатые прогрессивные горелки с низким выбрасом азота (Low NOx) серии     RS (MZ) разработаны для использования в теплогенераторах различного назначения средней мощности. Низкие выбросы оксидов азота (Low NOx) при работе горелок RS MZ позволяют использовать их в тех местах, где есть ограничения по выбросам вредных веществ в окружающую среду. Модель RS 44 MZ могут поставляться в однофазном (М) и трехфазном (Т) исполнении. Горелки могут поставляться как с удлиненной головкой (t.l.), так и со стандартной (t.с.). Эта серия горелок состоит из десяти типоразмеров мощностью от 45 до 2290 кВт

Функциональные характеристики

  • Фронтальный доступ ко всем узлам горелки.
  • Настройка горелки без снятия с теплогенератора.
  • Наличие воздушной заслонки, закрывающейся при выключении горелки (предотвращает потери тепла через дымоход теплогенератор
читати далі згорнути
Варіанти оплати

Наложенный платеж

Предоплата

Варіанти доставки

Новая Почта

Повернення і обмін
Відповідно до закону України «про захист прав споживачів» ви можете протягом 14 днів з моменту покупки повернути або обміняти товар, придбаний в магазині, за умови виконання всіх норм передбачених законом. Умови обміну / повернення товару належної якості стаття 9. Відповідно до закону України «про захист прав споживачів»: споживач має право обміняти непродовольчий товар належної якості на аналогічний у продавця, у якого він був придбаний, якщо товар не задовольнив його за формою, габаритами, фасоном, кольором, розміром або з інших причин не може бути ним використаний за призначенням. Споживач має право на обмін товару належної якості протягом чотирнадцяти днів, не рахуючи дня покупки. споживач (термін вживається в такому значенні згідно статті 1. п.22 закону України «про захист прав споживачів») – фізична особа, яка купує, замовляє, використовує або має намір придбати чи замовити продукцію для особистих потреб, не пов’язаних з підприємницькою діяльністю або виконанням обов’язків найманого працівника. обмін або повернення товару належної якості провадиться: якщо не використовувався; якщо збережено його товарний вигляд, споживчі властивості, пломби, ярлики; на підставі розрахунковий документ, виданий споживачеві разом з проданим товаром. умови обміну / повернення товару неналежної якості стаття 8. Згідно із законом України «про захист прав споживачів»: в разі виявлення протягом встановленого гарантійного строку недоліків споживач, в порядку та в строки, встановлені законодавством, має право вимагати безоплатного усунення недоліків товару в розумний строк. вимоги споживача, передбачених цією статтею, не підлягають задоволенню, якщо продавець, виробник (підприємство, що задовольняє вимоги споживача, встановлені частиною першою цієї статті) доведуть, що недоліки товару виникли внаслідок порушення споживачем правил користування товаром або його зберігання. Споживач має право брати участь у перевірці якості товару особисто або через свого представника.

читати далі згорнути
Покупці цього товару також цікавилися
код: 071N0109
6 500,00 грн. /шт
в наявності
код: 1039302994
52 500,00 грн. /шт
в наявності
код: 1038819061
57 700,00 грн. /шт
в наявності
код: AS47C1538
4 250,00 грн. /шт
в наявності
код: Lo140
35 800,00 грн. /шт
в наявності
код: 3142718 3142719
33 750,00 грн. /шт
в наявності
код: AS47D1557
4 700,00 грн. /шт
в наявності
код: A2L75CK9701
11 000,00 грн. /шт
в наявності

Ви переглядали

Зараз шукають

Спецрахунок НБУ
Фонд "Повернись живим"
Фонд Сергія Притули
Ще не зареєстровані?
Реєстрація
Вже зареєстровані? Увійти
Вже зареєстровані? Увійти