Технические характеристики
|
Артикул |
Наименование |
Мощность кВт |
|
3761958 |
RS 5 |
160 - 330 |
|
20052614 |
RS 5 TL |
160 - 330 |
|
3788510 |
RS 34/1 MZ t.c. |
70 - 390 |
|
3788511 |
RS 34/1 MZ t.l. |
70 - 390 |
|
3788610 |
RS 44/1 MZ t.с. |
100 - 550 |
|
3788611 |
RS 44/1 MZ t.l. |
100 - 550 |
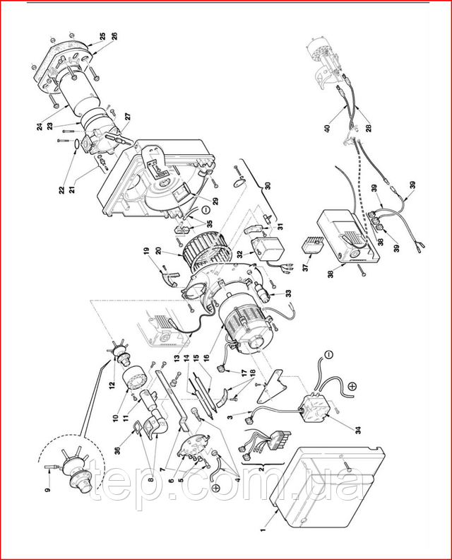
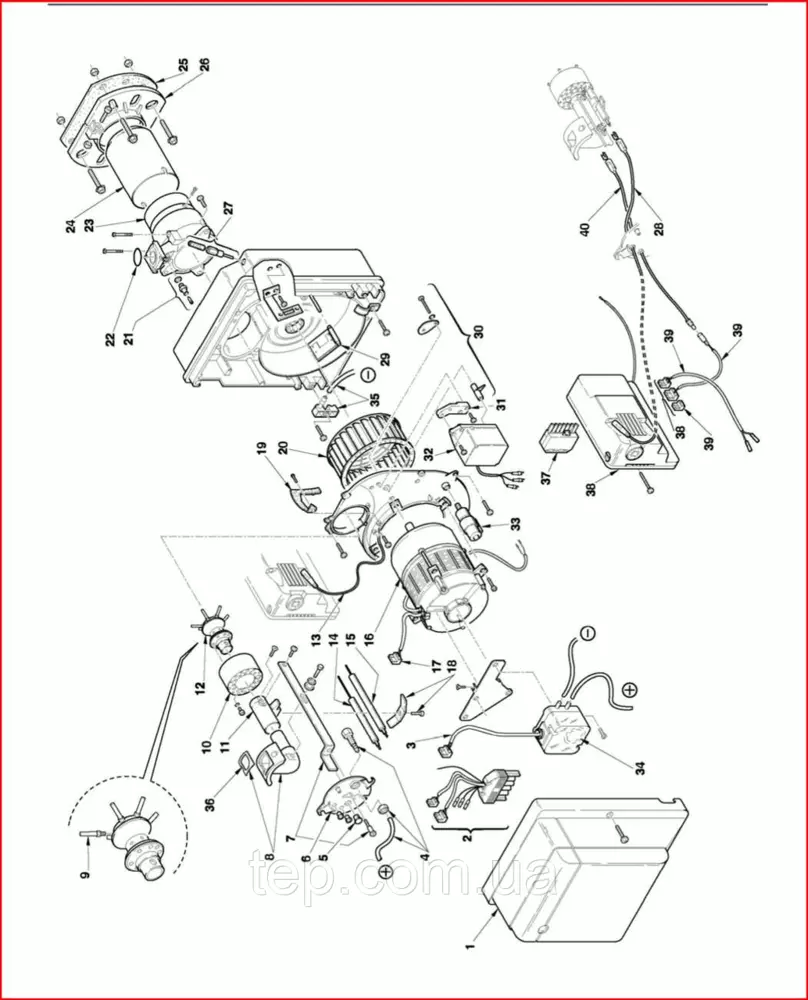
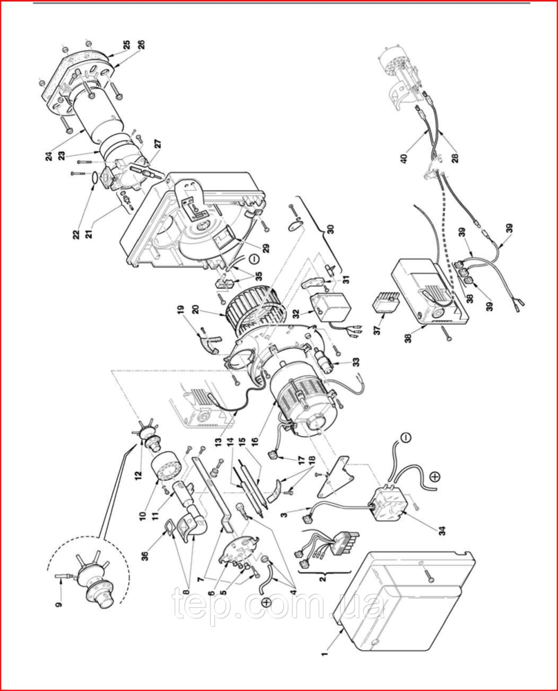
Газовые одноступенчатые горелки серии RS - RS/1 (MZ) разработаны для использования в теплогенераторах различного назначения малой и средней мощности. Горелки могут поставляться как с удлиненной головкой (t.l.), так и со стандартной (t.с.). Эта серия горелок состоит из трех типоразмеров мощностью от 70 до 550 кВт. Функциональные характеристики - фронтальный доступ ко всем узлам горелки; - настройка горелки без снятия с теплогенератора; - наличие подвижного фланца горелки (только для модели RS 5) (позволяет подобрать оптимальную длину головки горелки); - регулировка геометрических параметров головки горелки в зависимости от мощности горелки; - вентилятор горелки со специальной формой лопастей (пониженный уровень шума) - наличие воздушной заслонки, закрывающейся при выключении горелки (только для модели RS 5) (предотвращает потери тепла через дымоход теплогенератора); - наличие на корпусе горелки разъемов для электрических подключений, упрощающее монтаж и техническое обслуживание (для RS 34/1 MZ - 44/1 MZ). - пониженные выбросы оксидов азота (для RS 34/1 MZ - 44/1 MZ)
|
Горелки газовые
|

|
№ |
Арт. |
Наименование |
|
1 |
3008496 |
Облицовка |
|
2 |
3002468 |
Штекерное соединение |
|
3 |
3002972 |
Штекер |
|
4 |
3007982 |
Ниппель с трубкой |
|
5 |
3007458 |
Смотровое стекло |
|
6 |
3007642 |
Крышка |
|
7 |
3008505 |
Кронштейн с винтом |
|
8 |
3007979 |
Колено |
|
9 |
3008504 |
Трубка |
|
10 |
3008501 |
Стакан |
Наложенный платеж
Предоплата
Новая Почта
Повернення і обмін
Відповідно до закону України «про захист прав споживачів» ви можете протягом 14 днів з моменту покупки повернути або обміняти товар, придбаний в магазині, за умови виконання всіх норм передбачених законом. Умови обміну / повернення товару належної якості стаття 9. Відповідно до закону України «про захист прав споживачів»: споживач має право обміняти непродовольчий товар належної якості на аналогічний у продавця, у якого він був придбаний, якщо товар не задовольнив його за формою, габаритами, фасоном, кольором, розміром або з інших причин не може бути ним використаний за призначенням. Споживач має право на обмін товару належної якості протягом чотирнадцяти днів, не рахуючи дня покупки. споживач (термін вживається в такому значенні згідно статті 1. п.22 закону України «про захист прав споживачів») – фізична особа, яка купує, замовляє, використовує або має намір придбати чи замовити продукцію для особистих потреб, не пов’язаних з підприємницькою діяльністю або виконанням обов’язків найманого працівника. обмін або повернення товару належної якості провадиться: якщо не використовувався; якщо збережено його товарний вигляд, споживчі властивості, пломби, ярлики; на підставі розрахунковий документ, виданий споживачеві разом з проданим товаром. умови обміну / повернення товару неналежної якості стаття 8. Згідно із законом України «про захист прав споживачів»: в разі виявлення протягом встановленого гарантійного строку недоліків споживач, в порядку та в строки, встановлені законодавством, має право вимагати безоплатного усунення недоліків товару в розумний строк. вимоги споживача, передбачених цією статтею, не підлягають задоволенню, якщо продавець, виробник (підприємство, що задовольняє вимоги споживача, встановлені частиною першою цієї статті) доведуть, що недоліки товару виникли внаслідок порушення споживачем правил користування товаром або його зберігання. Споживач має право брати участь у перевірці якості товару особисто або через свого представника.