Каталог товарів

Запасные части к горелке Riello 40 FS 8

в наявності
код: 3756704
0,00 грн.
Регіон: Україна, Житомирська обл., Житомир
Написати продавцю
Перевірений постачальник
На Агробіз
7 Років
Опис товару

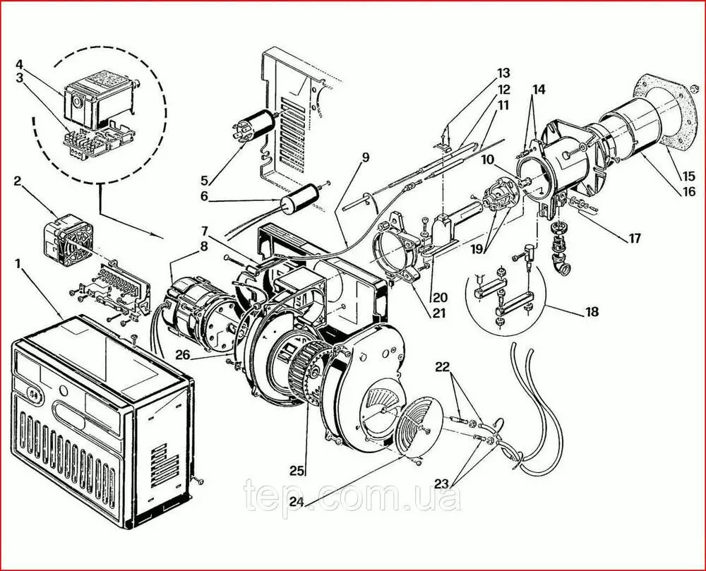
Запасные части для горелок Riello 40 FS

Артикул

Наименование

Мощность кВт

3756505

FS3

11 - 35

3756604

FS5

23 - 58

3756704

FS8

46 - 93

3756435

FS10

42 -116

3756803

FS15

81 - 175

3756903

FS20

81 - 218

 

Одноступенчатые газовые горелки серии RIELLO 40 FS
разработаны для использования в генераторах теплого
воздуха и печах различного назначения небольшой мощности.
Эта серия горелок включает в себя шесть типоразмеров
мощностью от 11 до 218 кВт.
 

Функциональные характеристики

-        фронтальный доступ ко всем узлам горелки;

-        настройка горелки без снятия с теплогенератора;

-        не закрывающаяся во время остановки горелки воздушная заслонка (позволяет воздуху из вне поступать в камеру сгорания и не допускать перегрева различных элементов горелки теплотой из камеры сгорания печи или генератора теплого воздуха;

-        пониженный уровень шума

Технические характеристики

Модель

 

FS3

FS5

FS8

FS10

FS15

FS20

Тип регулировки

 

Одноступенчатый

Мощность

кВт

11-35

23-58

46-93

52-116

81-175

81 - 220

Мкал/час

9,5 - 30

20-50

40-80

45-100

70-150

69,7 - 189

Рабочая температура

°С мин/макс

0 / 40

Низшая теплотворная способность газа

кВт-час/нм 3

10

Плотность газа

кг/нм 3

0,71

Расход газа

нм 3 /час

1,1-3,5

2,3-5,8

4,6-9,3

5,2-11,6

8,1-17,5

8,1 -21,8

Вентилятор

Тип

Центробежный с выпуклыми лопастями

Макс. Температура воздуха

°С

40

Электропитание

Фазы/Гц/Вольт

1/50/230 ±10%

Автомат горения

Тип

525 SE/5F

RMG 88.620A2

Общая электрическая мощность

кВт

0,1

0,11

0,13

0,13

0,24

0,25

Степень защиты

40

Мощность электродвигателя

кВт

0,09

0,09

0,09

0,09

0,15

0,15

Номинальный ток двигателя

А

0,6

0,65

0,7

0,7

1,35

1,4

Пусковой ток двигателя

А

2,4

2,6

2,8

2,8

5,6

5,6

Степень защиты двигателя

20

Трансформатор розжига

 

Встроен в автомат горения

Находится отдельно от автомата горения

Работа

 

прерывистая (каждые 24 часа по крайней мере одна остановка)

Звуковое давление

дБ( А)

56

60

66

1 67

70

73

Выбросы СО

мг/кВт-час

<40

Выбросы NO2

мг/кВт-час

<120

Спецификация

Арт.

Наименование

і

3007230

Облицовка

2

3007423

читати далі згорнути
Варіанти оплати

Наложенный платеж

Предоплата

Варіанти доставки

Новая Почта

Повернення і обмін
Відповідно до закону України «про захист прав споживачів» ви можете протягом 14 днів з моменту покупки повернути або обміняти товар, придбаний в магазині, за умови виконання всіх норм передбачених законом. Умови обміну / повернення товару належної якості стаття 9. Відповідно до закону України «про захист прав споживачів»: споживач має право обміняти непродовольчий товар належної якості на аналогічний у продавця, у якого він був придбаний, якщо товар не задовольнив його за формою, габаритами, фасоном, кольором, розміром або з інших причин не може бути ним використаний за призначенням. Споживач має право на обмін товару належної якості протягом чотирнадцяти днів, не рахуючи дня покупки. споживач (термін вживається в такому значенні згідно статті 1. п.22 закону України «про захист прав споживачів») – фізична особа, яка купує, замовляє, використовує або має намір придбати чи замовити продукцію для особистих потреб, не пов’язаних з підприємницькою діяльністю або виконанням обов’язків найманого працівника. обмін або повернення товару належної якості провадиться: якщо не використовувався; якщо збережено його товарний вигляд, споживчі властивості, пломби, ярлики; на підставі розрахунковий документ, виданий споживачеві разом з проданим товаром. умови обміну / повернення товару неналежної якості стаття 8. Згідно із законом України «про захист прав споживачів»: в разі виявлення протягом встановленого гарантійного строку недоліків споживач, в порядку та в строки, встановлені законодавством, має право вимагати безоплатного усунення недоліків товару в розумний строк. вимоги споживача, передбачених цією статтею, не підлягають задоволенню, якщо продавець, виробник (підприємство, що задовольняє вимоги споживача, встановлені частиною першою цієї статті) доведуть, що недоліки товару виникли внаслідок порушення споживачем правил користування товаром або його зберігання. Споживач має право брати участь у перевірці якості товару особисто або через свого представника.

читати далі згорнути
Покупці цього товару також цікавилися
код: 071N0109
6 500,00 грн. /шт
в наявності
код: 1039302994
52 500,00 грн. /шт
в наявності
код: 1038819061
57 700,00 грн. /шт
в наявності
код: AS47C1538
4 250,00 грн. /шт
в наявності
код: Lo140
35 800,00 грн. /шт
в наявності
код: 3142718 3142719
33 750,00 грн. /шт
в наявності
код: AS47D1557
4 700,00 грн. /шт
в наявності
код: A2L75CK9701
11 000,00 грн. /шт
в наявності

Ви переглядали

Зараз шукають

Спецрахунок НБУ
Фонд "Повернись живим"
Фонд Сергія Притули
Ще не зареєстровані?
Реєстрація
Вже зареєстровані? Увійти
Вже зареєстровані? Увійти