Каталог товарів

Запасные части к горелке Riello Gulliver RG1

в наявності
код: RG1
0,00 грн.
Регіон: Україна, Житомирська обл., Житомир
Написати продавцю
Перевірений постачальник
На Агробіз
7 Років
Опис товару

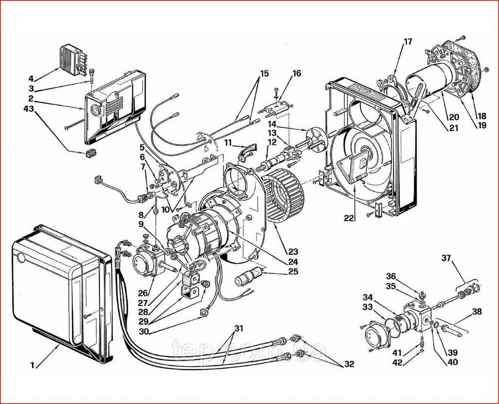
Спецификация

Горелки дизельные

арт. 3736300-3736310 тип 363 T1

Арт.

Наименование

1

3008080

Облицовка

2

3001174

Автомат горения 5523Е

3

3007396

Предохранитель

4

3006937

Штекер 7-контактный

5

3007613

Крышка

6

3007458

Смотровое стекло

7

3007857

Фотодатчик

7

3007839

Фотодатчик

7

3007839

Фотодатчик

8

3007614

Трубка

9

3000443

Муфта насоса

10

3007615

Кронштейн с винтом

11

3007475

Воздухозаборник

12

3007496

Шток форсунки

13

3007466

Крепление запорной шайбы

14

3007616

Запорная шайба

15

3007465

Кабель розжига

16

3007617

Блок электродов розжига

17

3007515

Манжета

18

3005787

Прокладка теплоизоляционная

19

3008636

Фланец

20

3007618

Пламенная труба

21

3007517

Регулятор воздушной заслонки

21

3008937

Регулятор воздушной заслонки

22

3007519

Воздушная заслонка

22

3008815

Воздушная заслонка

23

3007476

Крыльчатка вентилятора

24

3008489

Мотор

25

3007479

Конденсатор 4 мкФ

26

3007771

Насос

27

3007772

Кабель подключения магнитного клапана

28

3007565

Соленоид

29

3007566

Скоба с гайкой

30

3007454

Штекер

31

3005720

Гибкий патрубок

32

3009068

Ниппель

33

3007162

Сальник

34

3005719

Фильтр

35

3007087

Прокладка

36

3007268

Ниппель подключения насоса

37

3000439

Сальник вала

38

3007582

Клапан

39

3007173

Сальник

40

3007156

Сальник

41

3007202

Регулятор

42

3007028

Сальник

Для горелок арт. 3736300 начиная с № 01124100182 необходмо дополнительно приобрести фотодатчик арт. 3007839

читати далі згорнути
Варіанти оплати

Наложенный платеж

Предоплата

Варіанти доставки

Новая Почта

Повернення і обмін
Відповідно до закону України «про захист прав споживачів» ви можете протягом 14 днів з моменту покупки повернути або обміняти товар, придбаний в магазині, за умови виконання всіх норм передбачених законом. Умови обміну / повернення товару належної якості стаття 9. Відповідно до закону України «про захист прав споживачів»: споживач має право обміняти непродовольчий товар належної якості на аналогічний у продавця, у якого він був придбаний, якщо товар не задовольнив його за формою, габаритами, фасоном, кольором, розміром або з інших причин не може бути ним використаний за призначенням. Споживач має право на обмін товару належної якості протягом чотирнадцяти днів, не рахуючи дня покупки. споживач (термін вживається в такому значенні згідно статті 1. п.22 закону України «про захист прав споживачів») – фізична особа, яка купує, замовляє, використовує або має намір придбати чи замовити продукцію для особистих потреб, не пов’язаних з підприємницькою діяльністю або виконанням обов’язків найманого працівника. обмін або повернення товару належної якості провадиться: якщо не використовувався; якщо збережено його товарний вигляд, споживчі властивості, пломби, ярлики; на підставі розрахунковий документ, виданий споживачеві разом з проданим товаром. умови обміну / повернення товару неналежної якості стаття 8. Згідно із законом України «про захист прав споживачів»: в разі виявлення протягом встановленого гарантійного строку недоліків споживач, в порядку та в строки, встановлені законодавством, має право вимагати безоплатного усунення недоліків товару в розумний строк. вимоги споживача, передбачених цією статтею, не підлягають задоволенню, якщо продавець, виробник (підприємство, що задовольняє вимоги споживача, встановлені частиною першою цієї статті) доведуть, що недоліки товару виникли внаслідок порушення споживачем правил користування товаром або його зберігання. Споживач має право брати участь у перевірці якості товару особисто або через свого представника.

читати далі згорнути
Покупці цього товару також цікавилися
код: 071N0109
6 500,00 грн. /шт
в наявності
код: 1039302994
52 500,00 грн. /шт
в наявності
код: 1038819061
57 700,00 грн. /шт
в наявності
код: AS47C1538
4 250,00 грн. /шт
в наявності
код: Lo140
35 800,00 грн. /шт
в наявності
код: 3142718 3142719
33 750,00 грн. /шт
в наявності
код: AS47D1557
4 700,00 грн. /шт
в наявності
код: A2L75CK9701
11 000,00 грн. /шт
в наявності

Ви переглядали

Зараз шукають

Спецрахунок НБУ
Фонд "Повернись живим"
Фонд Сергія Притули
Ще не зареєстровані?
Реєстрація
Вже зареєстровані? Увійти
Вже зареєстровані? Увійти