Каталог товарів

Запасные части к горелке Riello Gulliver RG1RKD

в наявності
код: RG1RKD
0,00 грн.
Регіон: Україна, Житомирська обл., Житомир
Написати продавцю
Перевірений постачальник
На Агробіз
7 Років
Опис товару

Спецификация

Горелки дизельные

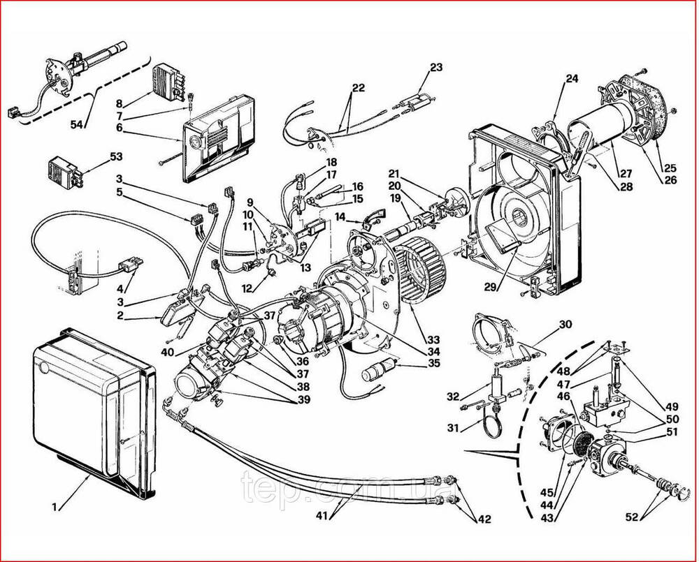
Gulliver RG1RKD арт. 3736600-3736610 тип 366 T1

Арт.

Наименование

1

3008081

Облицовка

2

3008983

Замедлитель розжига электронный

3

3007454

Штекер

4

3006949

Штекер 4-контактный

5

3007456

Штекер

6

3001175

Автомат горения 5533Е

7

3007396

Предохранитель

8

3006937

Штекер 7-контактный

9

3007510

Крышка

10

3007458

Смотровое стекло

11

3007839

Фотодатчик

12

3007859

Трубка

13

3007512

Кронштейн с винтом

14

3007475

Воздухозаборник

15

3007172

Сальник

16

3007464

ТЭН РТС

17

3007463

Ниппель

18

3007462

Термостат

19

3007467

Шток форсунки

20

3006276

Суппорт

21

3007514

Запорная шайба

22

3007465

Кабель розжига

23

3007513

Блок электродов розжига

24

3007515

Манжета

25

3005787

Прокладка теплоизоляционная

26

3008636

Фланец

27

3007516

Пламенная труба

28

3007517

Регулятор воздушной заслонки

29

3007519

Воздушная заслонка

30

3007861

Регулятор воздушной заслонки 1-ой ступени

31

3007860

Трубка

32

3007784

Гидропривод воздушной заслонки

33

3007476

Крыльчатка вентилятора

34

3008489

Мотор

35

3007479

Конденсатор 4 мкФ

36

3000443

Муфта насоса

37

3006553

Скоба с гайкой

38

3007858

Соленоид 2

39

3007854

Гидравлический блок с насосом

40

3008917

Соленоид 1

41

3005720

Гибкий патрубок

42

3009068

Ниппель

43

3007028

Сальник

44

3007202

Регулятор

45

3007162

Сальник

46

3005719

Фильтр

47

3006925

Клапан

48

3007203

Пластина

49

3007029

Сальник

50

3007156

Сальник

51

3007167

Сальник

52

3000439

Сальник вала

53

3006957

Штекер 4-контактный

54

3007657

Шток форсунки (в сборе)

   

Включает поз. 5-9-10-13-15-16-17-18-19.

читати далі згорнути
Варіанти оплати

Наложенный платеж

Предоплата

Варіанти доставки

Новая Почта

Повернення і обмін
Відповідно до закону України «про захист прав споживачів» ви можете протягом 14 днів з моменту покупки повернути або обміняти товар, придбаний в магазині, за умови виконання всіх норм передбачених законом. Умови обміну / повернення товару належної якості стаття 9. Відповідно до закону України «про захист прав споживачів»: споживач має право обміняти непродовольчий товар належної якості на аналогічний у продавця, у якого він був придбаний, якщо товар не задовольнив його за формою, габаритами, фасоном, кольором, розміром або з інших причин не може бути ним використаний за призначенням. Споживач має право на обмін товару належної якості протягом чотирнадцяти днів, не рахуючи дня покупки. споживач (термін вживається в такому значенні згідно статті 1. п.22 закону України «про захист прав споживачів») – фізична особа, яка купує, замовляє, використовує або має намір придбати чи замовити продукцію для особистих потреб, не пов’язаних з підприємницькою діяльністю або виконанням обов’язків найманого працівника. обмін або повернення товару належної якості провадиться: якщо не використовувався; якщо збережено його товарний вигляд, споживчі властивості, пломби, ярлики; на підставі розрахунковий документ, виданий споживачеві разом з проданим товаром. умови обміну / повернення товару неналежної якості стаття 8. Згідно із законом України «про захист прав споживачів»: в разі виявлення протягом встановленого гарантійного строку недоліків споживач, в порядку та в строки, встановлені законодавством, має право вимагати безоплатного усунення недоліків товару в розумний строк. вимоги споживача, передбачених цією статтею, не підлягають задоволенню, якщо продавець, виробник (підприємство, що задовольняє вимоги споживача, встановлені частиною першою цієї статті) доведуть, що недоліки товару виникли внаслідок порушення споживачем правил користування товаром або його зберігання. Споживач має право брати участь у перевірці якості товару особисто або через свого представника.

читати далі згорнути
Покупці цього товару також цікавилися
код: 071N0109
6 500,00 грн. /шт
в наявності
код: 1039302994
52 500,00 грн. /шт
в наявності
код: 1038819061
57 700,00 грн. /шт
в наявності
код: AS47C1538
4 250,00 грн. /шт
в наявності
код: Lo140
35 800,00 грн. /шт
в наявності
код: 3142718 3142719
33 750,00 грн. /шт
в наявності
код: AS47D1557
4 700,00 грн. /шт
в наявності
код: A2L75CK9701
11 000,00 грн. /шт
в наявності

Ви переглядали

Зараз шукають

Спецрахунок НБУ
Фонд "Повернись живим"
Фонд Сергія Притули
Ще не зареєстровані?
Реєстрація
Вже зареєстровані? Увійти
Вже зареєстровані? Увійти