Каталог товарів

Запасные части к горелке Riello RL 28 38 50

в наявності
код: RL 28-38-50
0,00 грн.
Регіон: Україна, Житомирська обл., Житомир
Написати продавцю
Перевірений постачальник
На Агробіз
7 Років
Опис товару

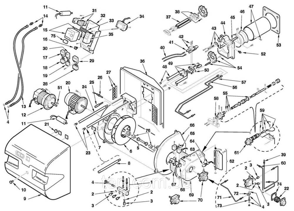
Спецификация

АРТИКУЛ

ТИП

АРТИКУЛ

ТИП

МОДЕЛЬ

3473205

652 М

3473215

652 Т1

RL 28

3473206

652 М

3473216

652 Т1

RL 28

3473207

652 М

3473217

652 Т1

RL 28

3473208

652 М

3473218

652 Т1

RL 28

3474105

653 М

3474115

653 Т1

RL 38

3474106

653 М

3474116

653 Т1

RL 38

3474107

653 М

3474117

653 Т1

RL 38

3474108

653 М

3474118

653 Т1

RL 38

3474305

653 М

3474315

653 Т1

RL 38

3474306

653 М

3474316

653 Т1

RL 38

3474307

653 М

3474317

653 Т1

RL 38

3474308

653 М

3474318

653 Т1

RL 38

3474605

654 М

3474615

654 Т1

RL 50

3474606

654 М

3474616

654 Т1

RL 50

3474607

654 М

3474617

654 Т1

RL 50

3474608

654 М

3474618

654 Т1

RL 50

 

Арт.

Наименование

1

3005733

Клапан

2

3007077

Прокладка металлическая

3

3006719

Ниппель

4

3007079

Прокладка металлическая

5

3003953

Муфта

6

3003760

Крыльчатка вентилятора

6

3003761

Крыльчатка вентилятора

6

3003762

Крыльчатка вентилятора

7

3003763

Смотровое окошко

8

3003764

Удлинитель

9

3003765

Облицовка

10

3003766

Винт

11

3005285

Конденсатор

11

3003767

Конденсатор

12

3003768

Мотор

13

3003769

Гибкий патрубок

14

3009068

Ниппель

15

3003896

Автомат горения

16

3003770

Выключатель

17

3007434

Штекер 5-контактный

18

3007589

Штекер 5-контактный

19

3006948

Штекер 4-контактный

20

3003771

Мотор

20

3003772

Мотор

20

3003773

Мотор

21

3007627

Мембрана

22

3003082

Фильтр насоса

23

3003776

Винт

24

3003777

Направляющая штанга

25

3003778

Штифт

26

3003779

Фотодатчик

27

3003780

Втулка

28

3006937

Штекер 7-контактный

29

3006938

Штекер 7-контактный

30

3006949

Штекер 4-контактный

31

3003781

Стартер

31

3003782

Стартер

32

3003783

Крепежная скоба

33

3003784

Штекерный цоколь

34

3003785

Трансформатор розжига

35

3003786

Панель ST

35

3003787

Панель LED

36

3003788

Фронтовая плита

37

3003789

Удлинитель

38

3003790

Кронштейн

39

3003837

Трубка

40

3003794

Кабель розжига

40

3003795

Кабель розжига

41

3003796

Электрод розжига

42

3003495

Скоба

43

3003797

Регулятор головки

44

3003798

Фронтон

44

3003838

Фронтон

45

3003799

Скоба

45

3003800

Скоба

45

3003801

Скоба

45

3003802

Скоба

45

3003803

Скоба

45

3003804

Скоба

46

3003805

Запорное кольцо

46

3003806

Запорное кольцо

47

3003807

Пламенная труба

47

3003808

Пламенная труба

47

3003809

Пламенная труба

47

3003810

Пламенная труба

47

3003811

Пламенная труба

47

3003812

Пламенная труба

48

3003813

Крепежная скоба

49

3003814

Шток форсунки

50

3003815

Крепежная скоба

51

3003816

Шпонка

52

3003893

Измерительный штуцер

53

3003817

Прокладка теплоизоляционная

54

3003791

Запорная шайба

54

3003792

Запорная шайба

54

3003793

Запорная шайба

55

3003820

Сальник

56

3003821

Трубка

57

3003822

Трубка

58

3003823

Сальник

59

3003824

Шкала

60

3003774

Трубка

61

3003825

Гидропривод воздушной заслонки

62

3003826

Воздушная заслонка

63

3003594

Соленоид

64

3003827

Штекер

65

3003828

Соленоид

66

3003829

Крышка корпуса вентилятора

67

3003830

Звукоизоляция

68

3003831

Блок клапанов

69

3003832

Воздухозаборник

70

3003833

Насос

70

3003834

Насос

70

3003835

Насос

71

3003836

Трубка

72

3006784

Ниппель

73

3005804

Болт с внутренней проточкой

74

3006788

Прокладка

75

3012160

Радиофильтр

75

3012155

Радиофильтр

76

3012622

Эластичный муфтовый диск

читати далі згорнути
Варіанти оплати

Наложенный платеж

Предоплата

Варіанти доставки

Новая Почта

Повернення і обмін
Відповідно до закону України «про захист прав споживачів» ви можете протягом 14 днів з моменту покупки повернути або обміняти товар, придбаний в магазині, за умови виконання всіх норм передбачених законом. Умови обміну / повернення товару належної якості стаття 9. Відповідно до закону України «про захист прав споживачів»: споживач має право обміняти непродовольчий товар належної якості на аналогічний у продавця, у якого він був придбаний, якщо товар не задовольнив його за формою, габаритами, фасоном, кольором, розміром або з інших причин не може бути ним використаний за призначенням. Споживач має право на обмін товару належної якості протягом чотирнадцяти днів, не рахуючи дня покупки. споживач (термін вживається в такому значенні згідно статті 1. п.22 закону України «про захист прав споживачів») – фізична особа, яка купує, замовляє, використовує або має намір придбати чи замовити продукцію для особистих потреб, не пов’язаних з підприємницькою діяльністю або виконанням обов’язків найманого працівника. обмін або повернення товару належної якості провадиться: якщо не використовувався; якщо збережено його товарний вигляд, споживчі властивості, пломби, ярлики; на підставі розрахунковий документ, виданий споживачеві разом з проданим товаром. умови обміну / повернення товару неналежної якості стаття 8. Згідно із законом України «про захист прав споживачів»: в разі виявлення протягом встановленого гарантійного строку недоліків споживач, в порядку та в строки, встановлені законодавством, має право вимагати безоплатного усунення недоліків товару в розумний строк. вимоги споживача, передбачених цією статтею, не підлягають задоволенню, якщо продавець, виробник (підприємство, що задовольняє вимоги споживача, встановлені частиною першою цієї статті) доведуть, що недоліки товару виникли внаслідок порушення споживачем правил користування товаром або його зберігання. Споживач має право брати участь у перевірці якості товару особисто або через свого представника.

читати далі згорнути
Покупці цього товару також цікавилися
код: 071N0109
6 500,00 грн. /шт
в наявності
код: 1039302994
52 500,00 грн. /шт
в наявності
код: 1038819061
57 700,00 грн. /шт
в наявності
код: AS47C1538
4 250,00 грн. /шт
в наявності
код: Lo140
35 800,00 грн. /шт
в наявності
код: 3142718 3142719
33 750,00 грн. /шт
в наявності
код: AS47D1557
4 700,00 грн. /шт
в наявності
код: A2L75CK9701
11 000,00 грн. /шт
в наявності

Ви переглядали

Зараз шукають

Спецрахунок НБУ
Фонд "Повернись живим"
Фонд Сергія Притули
Ще не зареєстровані?
Реєстрація
Вже зареєстровані? Увійти
Вже зареєстровані? Увійти