Каталог товарів

Запасные части к горелке Riello серии RL 28 38 50 M

в наявності
код: RL/M
0,00 грн.
Регіон: Україна, Житомирська обл., Житомир
Написати продавцю
Перевірений постачальник
На Агробіз
7 Років
Опис товару

Спецификация

АРТИКУЛ

МОДЕЛЬ

ТИП

3471000

RL 28/М

663 М

3471001

RL 28/М

663 М

3471400

RL 38/М

664 М

3471401

RL 38/М

664 М

3471600

RL 50/М

665 М

3471601

RL 50/М

665 М

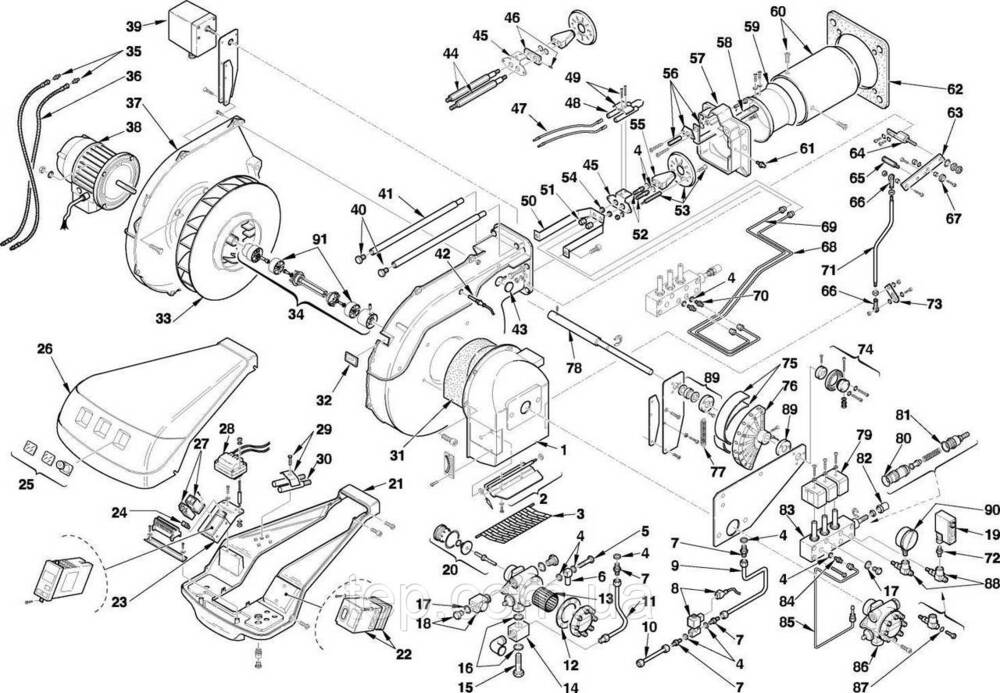
Арт.

Наименование

1

3003760

Крыльчатка вентилятора

1

3003761

Крыльчатка вентилятора

1

3003762

Крыльчатка вентилятора

2

3003953

Муфта

3

3003820

Сальник

4

3012090

Воздухозаборник

5

3003835

Насос

5

3003998

Насос

6

3012063

Шкала

7

3003879

Пружина

8

3003843

Болт с внутренней проточкой

9

3012064

Рычаг

10

3003841

Подшипник

11

3003764

Удлинитель

12

3003763

Смотровое окошко

13

3003776

Винт

14

3003765

Облицовка

15

3003766

Винт

16

3007627

Мембрана

17

3003768

Мотор

18

3007079

Прокладка металлическая

19

3003769

Гибкий патрубок

20

3003816

Шпонка

21

3003772

Мотор

21

3003773

Мотор

22

3003777

Направляющая штанга

23

3003778

Штифт

24

3012091

Фотодатчик

25

3003780

Втулка

26

3006215

Автомат горения

27

3009068

Ниппель

28

3005285

Конденсатор

29

3003781

Стартер

29

3003782

Стартер

30

3012079

Крепежная скоба

31

3003785

Трансформатор розжига

32

3012080

Выключатель

33

3012092

Крепежная скоба

33

3012128

Крепежная скоба

34

3012093

Удлинитель электрода розжига

35

3012089

Фронтовая плита

36

3012094

Крепежная скоба

37

3012095

Гайка

38

3003794

Кабель розжига

38

3003795

Кабель розжига

39

3003790

Кронштейн

40

3003796

Электрод розжига

41

3003495

Скоба

42

3012096

Ниппель

43

3012097

Шток форсунки

44

3003797

Регулятор головки

45

3003798

Фронтон

45

3003838

Фронтон

46

3012098

Скоба

46

3003800

Скоба

46

3012099

Скоба

46

3003802

Скоба

46

3012100

Скоба

46

3003804

Скоба

47

3003805

Запорное кольцо

47

3003806

Запорное кольцо

48

3012101

Пламенная труба

48

3003808

Пламенная труба

48

3012102

Пламенная труба

48

3003810

Пламенная труба

48

3012103

Пламенная труба

48

3003812

Пламенная труба

49

3003817

Прокладка теплоизоляционная

50

3003893

Измерительный штуцер

51

3012104

Запорная шайба

51

3012105

Запорная шайба

51

3012106

Запорная шайба

51

3012107

Запорная шайба

51

3012108

Запорная шайба

51

3012109

Запорная шайба

52

3012110

Кронштейн

53

3012111

Крышка корпуса вентилятора

54

3003594

Соленоид

55

3003827

Штекер

56

3012112

Трубка

57

3012113

Трубка

58

3012114

Штифт

59

3012115

Рычаг

60

3012116

Подшипник

61

3012117

Кронштейн

62

3012118

Кулачок в сборе

63

3003889

Штифт

64

3012119

Крепежная скоба

65

3012087

Сервопривод

66

3012120

Кулачок

67

3012121

Прокладка металлическая

68

3012122

Гидравлический блок модуляции

69

3012123

Ниппель

70

3007077

Прокладка металлическая

71

3012617

Болт с внутренней проточкой

72

3006140

Манометр

73

3007169

Сальник

74

3012085

Воздушная заслонка

75

3012124

Трубка

76

3006540

Клапан

77

3006373

Клапан

78

3012125

Ниппель

79

3012126

Ниппель

80

3009075

Ниппель

81

3006720

Ниппель

82

3006784

Ниппель

83

3007598

Ниппель

84

3006645

Прессостат

85

3005804

Болт с внутренней проточкой

86

3003081

Прокладка насоса

87

3003082

Фильтр насоса

88

3003005

Ниппель

89

3012127

Втулка удлинительная

90

3012160

Радиофильтр

90

3012155

Радиофильтр

91

3012622

Эластичный муфтовый диск

читати далі згорнути
Варіанти оплати

Наложенный платеж

Предоплата

Варіанти доставки

Новая Почта

Повернення і обмін
Відповідно до закону України «про захист прав споживачів» ви можете протягом 14 днів з моменту покупки повернути або обміняти товар, придбаний в магазині, за умови виконання всіх норм передбачених законом. Умови обміну / повернення товару належної якості стаття 9. Відповідно до закону України «про захист прав споживачів»: споживач має право обміняти непродовольчий товар належної якості на аналогічний у продавця, у якого він був придбаний, якщо товар не задовольнив його за формою, габаритами, фасоном, кольором, розміром або з інших причин не може бути ним використаний за призначенням. Споживач має право на обмін товару належної якості протягом чотирнадцяти днів, не рахуючи дня покупки. споживач (термін вживається в такому значенні згідно статті 1. п.22 закону України «про захист прав споживачів») – фізична особа, яка купує, замовляє, використовує або має намір придбати чи замовити продукцію для особистих потреб, не пов’язаних з підприємницькою діяльністю або виконанням обов’язків найманого працівника. обмін або повернення товару належної якості провадиться: якщо не використовувався; якщо збережено його товарний вигляд, споживчі властивості, пломби, ярлики; на підставі розрахунковий документ, виданий споживачеві разом з проданим товаром. умови обміну / повернення товару неналежної якості стаття 8. Згідно із законом України «про захист прав споживачів»: в разі виявлення протягом встановленого гарантійного строку недоліків споживач, в порядку та в строки, встановлені законодавством, має право вимагати безоплатного усунення недоліків товару в розумний строк. вимоги споживача, передбачених цією статтею, не підлягають задоволенню, якщо продавець, виробник (підприємство, що задовольняє вимоги споживача, встановлені частиною першою цієї статті) доведуть, що недоліки товару виникли внаслідок порушення споживачем правил користування товаром або його зберігання. Споживач має право брати участь у перевірці якості товару особисто або через свого представника.

читати далі згорнути
Покупці цього товару також цікавилися
код: 071N0109
6 500,00 грн. /шт
в наявності
код: 1039302994
52 500,00 грн. /шт
в наявності
код: 1038819061
57 700,00 грн. /шт
в наявності
код: AS47C1538
4 250,00 грн. /шт
в наявності
код: Lo140
35 800,00 грн. /шт
в наявності
код: 3142718 3142719
33 750,00 грн. /шт
в наявності
код: AS47D1557
4 700,00 грн. /шт
в наявності
код: A2L75CK9701
11 000,00 грн. /шт
в наявності

Ви переглядали

Зараз шукають

Спецрахунок НБУ
Фонд "Повернись живим"
Фонд Сергія Притули
Ще не зареєстровані?
Реєстрація
Вже зареєстровані? Увійти
Вже зареєстровані? Увійти