Каталог товарів

Запасные части к горелке Riello серии RL 70 100 130 M

в наявності
код: RL/M
0,00 грн.
Регіон: Україна, Житомирська обл., Житомир
Написати продавцю
Перевірений постачальник
На Агробіз
7 Років
Опис товару

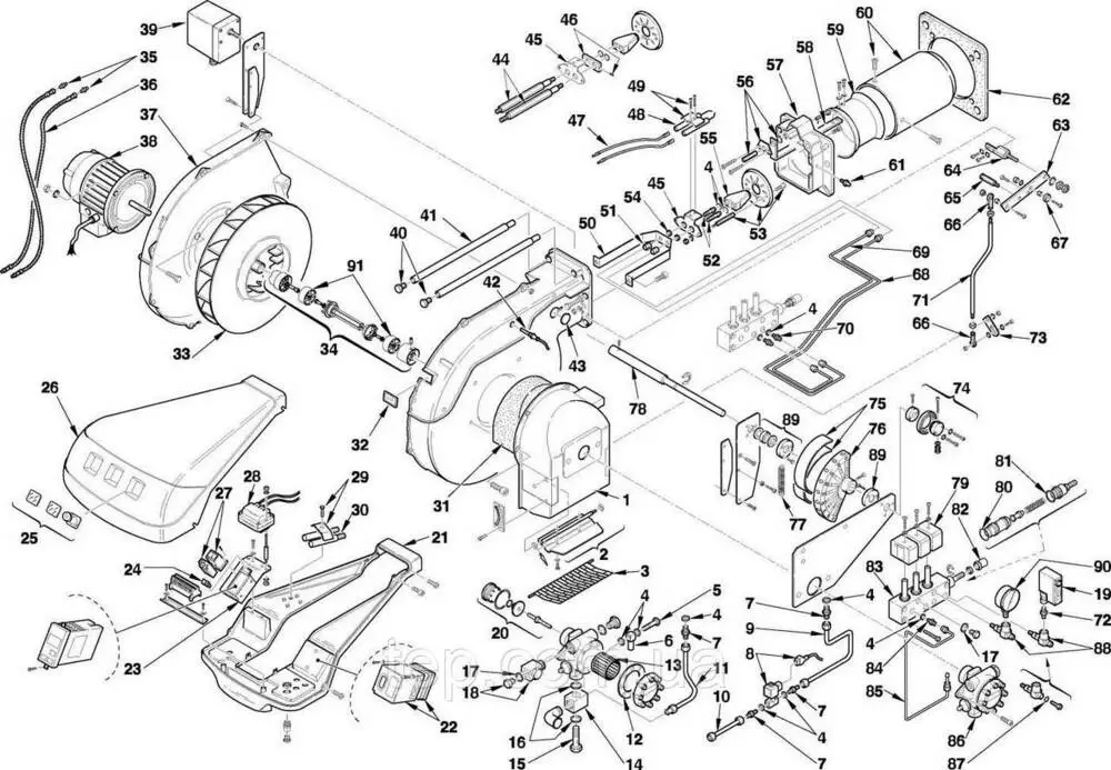
Спецификация

АРТИКУЛ

МОДЕЛЬ

ТИП

3477012

RL 70/М

669 Т1

3477013

RL 70/М

669 Т1

3477212

RL 100/М

670 Т1

3477213

RL 100/М

670 Т1

3477412

RL 130/М

671 Т1

3477413

RL 130/М

671 Т1

 

Арт.

Наименование

1

3012454

Воздухозаборник

2

3003948

Воздушная заслонка

3

3003949

Защитная решетка

4

3007079

Прокладка металлическая

5

3003006

Болт с внутренней проточкой

6

3012455

Ниппель

7

3009081

Ниппель

8

3006373

Клапан

9

3012456

Трубка

10

3012457

Трубка

11

3012458

Трубка

12

3006292

Прокладка насоса

13

3006787

Фильтр насоса

14

3003055

Ниппель

15

3006184

Болт с внутренней проточкой

16

3007164

Прокладка металлическая

17

3007077

Прокладка металлическая

18

3003681

Заглушка

19

3012384

Прессостат давления жидкого топ

20

3000805

Сальник вала

21

3012459

Кронштейн

22

3006215

Автомат горения

23

3012343

Крепежная скоба

24

3012080

Выключатель

25

3003962

Смотровое стекло

26

3013119

Облицовка

27

3003959

Стартер

27

3003960

Стартер

27

3003961

Стартер

28

3003785

Трансформатор розжига

29

3003409

Скоба

30

3003956

Удлинитель

31

3003952

Звукоизоляция

32

3003763

Смотровое окошко

33

3003955

Крыльчатка вентилятора

33

3003964

Крыльчатка вентилятора

33

3003965

Крыльчатка вентилятора

34

3003954

Муфта

35

3009068

Ниппель

36

3009076

Гибкий патрубок

37

3012012

Крышка корпуса вентилятора

38

3003966

Мотор

38

3003967

Мотор

38

3003968

Мотор

39

3012345

Сервопривод

40

3003481

Винт

41

3003970

Направляющая штанга

42

3012091

Фотодатчик

43

3003996

Заглушка

44

3012460

Удлинитель

45

3012092

Крепежная скоба

45

3012128

Крепежная скоба

46

3003790

Кронштейн

47

3012393

Кабель розжига

47

3003973

Кабель розжига

48

3003796

Электрод розжига

49

3003495

Скоба

50

3012461

Кронштейн

51

3012095

Гайка

52

3012096

Ниппель

53

3012462

Запорная шайба

53

3012463

Запорная шайба

54

3012127

Втулка удлинительная

55

3012097

Шток форсунки

56

3003974

Регулятор головки

57

3003975

Фронтон

57

3003976

Фронтон

58

3003978

Скоба

58

3003980

Скоба

58

3003982

Скоба

58

3012464

Скоба

58

3012465

Скоба

58

3012466

Скоба

59

3003983

Запорное кольцо

59

3003984

Запорное кольцо

60

3003986

Пламенная труба

60

3003988

Пламенная труба

60

3003990

Пламенная труба

60

3012467

Пламенная труба

60

3012468

Пламенная труба

60

3012469

Пламенная труба

61

3003322

Ниппель

62

3003991

Прокладка теплоизоляционная

63

3012354

Рычаг

64

3012353

Болт с внутренней проточкой

65

3012352

Болт с внутренней проточкой

66

3006098

Шарнирное соединение

67

3003841

Подшипник

68

3012470

Трубка

69

3012471

Трубка

70

3003005

Ниппель

71

3012351

Шток

72

3009080

Ниппель

73

3012359

Рычаг

74

3012472

Подшипник

75

3006097

Лекало

76

3012358

Кулачок в сборе

77

3012356

Пружина

78

3012473

Ось

79

3003001

Соленоид

80

3007150

Сальник

81

3003204

Прокладка металлическая

82

3003200

Гайка

83

3012474

Гидравлический блок модуляции

84

3006723

Ниппель

85

3012475

Трубка

86

3006369

Насос

87

3007169

Сальник

88

3012476

Игольчатый клапан

89

3012357

Подшипник

90

3006140

Манометр

91

3012622

Эластичный муфтовый диск

читати далі згорнути
Варіанти оплати

Наложенный платеж

Предоплата

Варіанти доставки

Новая Почта

Повернення і обмін
Відповідно до закону України «про захист прав споживачів» ви можете протягом 14 днів з моменту покупки повернути або обміняти товар, придбаний в магазині, за умови виконання всіх норм передбачених законом. Умови обміну / повернення товару належної якості стаття 9. Відповідно до закону України «про захист прав споживачів»: споживач має право обміняти непродовольчий товар належної якості на аналогічний у продавця, у якого він був придбаний, якщо товар не задовольнив його за формою, габаритами, фасоном, кольором, розміром або з інших причин не може бути ним використаний за призначенням. Споживач має право на обмін товару належної якості протягом чотирнадцяти днів, не рахуючи дня покупки. споживач (термін вживається в такому значенні згідно статті 1. п.22 закону України «про захист прав споживачів») – фізична особа, яка купує, замовляє, використовує або має намір придбати чи замовити продукцію для особистих потреб, не пов’язаних з підприємницькою діяльністю або виконанням обов’язків найманого працівника. обмін або повернення товару належної якості провадиться: якщо не використовувався; якщо збережено його товарний вигляд, споживчі властивості, пломби, ярлики; на підставі розрахунковий документ, виданий споживачеві разом з проданим товаром. умови обміну / повернення товару неналежної якості стаття 8. Згідно із законом України «про захист прав споживачів»: в разі виявлення протягом встановленого гарантійного строку недоліків споживач, в порядку та в строки, встановлені законодавством, має право вимагати безоплатного усунення недоліків товару в розумний строк. вимоги споживача, передбачених цією статтею, не підлягають задоволенню, якщо продавець, виробник (підприємство, що задовольняє вимоги споживача, встановлені частиною першою цієї статті) доведуть, що недоліки товару виникли внаслідок порушення споживачем правил користування товаром або його зберігання. Споживач має право брати участь у перевірці якості товару особисто або через свого представника.

читати далі згорнути
Покупці цього товару також цікавилися
код: 071N0109
6 500,00 грн. /шт
в наявності
код: 1039302994
52 500,00 грн. /шт
в наявності
код: 1038819061
57 700,00 грн. /шт
в наявності
код: AS47C1538
4 250,00 грн. /шт
в наявності
код: Lo140
35 800,00 грн. /шт
в наявності
код: 3142718 3142719
33 750,00 грн. /шт
в наявності
код: AS47D1557
4 700,00 грн. /шт
в наявності
код: A2L75CK9701
11 000,00 грн. /шт
в наявності

Ви переглядали

Зараз шукають

Спецрахунок НБУ
Фонд "Повернись живим"
Фонд Сергія Притули
Ще не зареєстровані?
Реєстрація
Вже зареєстровані? Увійти
Вже зареєстровані? Увійти