19,05х12,7х111 мм

1. SPRING ROD MOUNTING TUBE
2.- 806-004C - U-BOLT 3/8-16 X 2 X 2 3/4
3.- 804-013C - WASHER LOCK SPRING 3/8 PLT
4.- 803-014C - NUT HEX 3/8-16 PLT
5.- 121-025D - SPRING ROD CASTING CLIP
6.- 812-012C - CASTING DOUBLE SPRING ROD
7.- 121-011A - SPRING CASTING MTG ASS'Y
8.- 121-133D - STRAIGHT ARM OPENER SPRING
ROD
9.- 802-004C - HHCS 1/4-20X3/4 GR5
10.- 804-006C - WASHER LOCK SPRING 1/4 PLT
11.- 803-006C - NUT-HEX 1/4-20 PLT
12.- 807-118C - SPRING COMP 13/16IDX.156WX19.5
13.- 107-027D - DISC SPRING BAR WIRE CLIP
14.- 800-009C - CLAMP HOSE 1 5/8 NO. 26
15.- 816-114C - SEED HOSE 30 RIBS X 7 1/2 LG
16.- 121-703H - OPENER WELDMENT - SHORT
16.- 142-720H - RPBY 142-521H
16.- 142-521H - RPBY 142-854A
17.- 142-194D - 94 STRAIGHT ARM OPENER
MOUNT
18.- 802-121C - RHSNB 1/2-13X5 1/2 GR5
19.- 803-169C - NUT HEX FLG. LOCK 1/2-13 PLT.
20.- 806-066C - U-BOLT 1/2-13X3 1/32X4
21.- 820-187C - DISK BLADE 3MM 13.5 DIA
21.- 820-226C - 20IN 3.5MM NOTCH DISK BLD SQHL
22.- 188-001V - BEARING AA205DD
23.- 890-466C- HSG RIBB FLG 6BOLT PLT
24.- 800-213C - RIVET,BUTTON HEAD 1/4 X 1/2
25.- 107-138S - DD W/205 BRG-PLD FLNG-4MM
25.- 107-135S - DISK BLADE ASY 3MM 13.5 DIA
26.- 107-111D - DD BRG FLANGE DUST COVER
27.- 802-228C - HHCS 5/8-11X1 1/2 GR5 NYL
28.- 804-012C - WASHER FLAT 3/8 SAE PLT
29.- 107-113D - D.D. SLOTTED SCRAPER
30. OPENER MOUNTING TUBE
31.- 800-008C - CLAMP HOSE 1 1/2 NO. 24
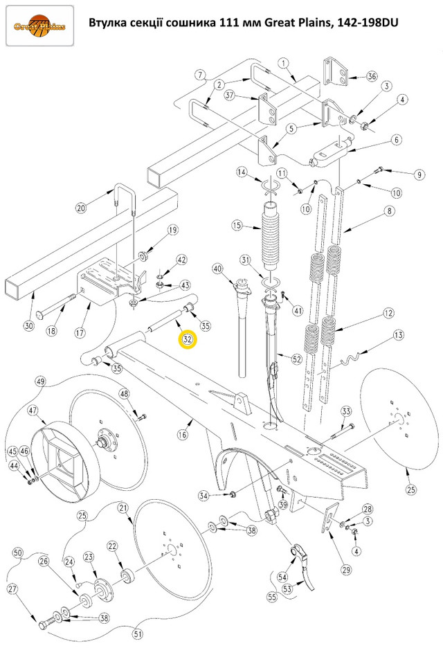
32.- 142-198D - STRAIGHT ARM OPENER PIVOT
PIPE
33. 802-427C - HFS 3/8-16X3 3/4 SPTHD
34.- 803-209C - NUT FLANGE LOCK 3/8-16
PLT
35.- 817-084C - PARALLEL ARM PIVOT BUSHING
36.- 121-127D - OFFSET SPRING ROD CLIP R.H.
37.- 121-128D - OFFSET SPRING ROD CLIP
L.H.
38.- 804-040C - WASHER MACH 1.19 X .63 X
18GA
39.- 802-015C - RHSNB 3/8-16X1 GR5
40.- 817-133C - PLASTIC OPENER SEED TUBE
41.- 801-002C - SCREW HEX SLT10-16X1/2P.THD CT
42.- 804-015C - WASHER LOCK SPRING 1/2 PLT
43.- 803-037C - NUT HEX WHIZ 1/2-13
43.- 803-020C - NUT HEX 1/2-13 PLT
44.- 803-008C - NUT HEX 5/16-18 PLT
45.- 804-009C - WASHER LOCK SPRING 5/16 PLT
46.- 804-036C - WASHER FLAT 5/16 SAE PLT
47.- 121-704H - 10 1/2 DEPTH BAND WLMT
48.- 802-092C - RHSNB 5/16-18X3/4 GR5
49.- 121-705A - 10 1/2 DEPTH BAND BUNDLE Includes
items 44-48.
50.- 107-136S - BLADE UPDATE HARDWARE
51.- 107-134A - 13 1/2 BLADE UDPATE-1/4 RIVETS
52.- 817-314C - OPENER SEED TUBE, PLASTIC Model
year 1999+.
53.- 816-302C - SEED FLAP, RUBBER, SEED-LOK Model
year 1999+.
54.- 121-164D - HEX SEED FLAP MOUNTING CLIP Model
year 1999+.
55.- 122-242S - SEED FLAP & HEX CLIP, SEEDLOK
Model year 1999+.
Безналичный расчёт
Наличный расчёт
Наложенный платеж
Предоплата
Новая Почта
Самовывоз
Интайм
Автолюкс
Гюнсел
Ночной Экспресс
Повернення і обмін
Відповідно до закону України «про захист прав споживачів» ви можете протягом 14 днів з моменту покупки повернути або обміняти товар, придбаний в магазині, за умови виконання всіх норм передбачених законом. Умови обміну / повернення товару належної якості стаття 9. Відповідно до закону України «про захист прав споживачів»: споживач має право обміняти непродовольчий товар належної якості на аналогічний у продавця, у якого він був придбаний, якщо товар не задовольнив його за формою, габаритами, фасоном, кольором, розміром або з інших причин не може бути ним використаний за призначенням. Споживач має право на обмін товару належної якості протягом чотирнадцяти днів, не рахуючи дня покупки. споживач (термін вживається в такому значенні згідно статті 1. п.22 закону України «про захист прав споживачів») – фізична особа, яка купує, замовляє, використовує або має намір придбати чи замовити продукцію для особистих потреб, не пов’язаних з підприємницькою діяльністю або виконанням обов’язків найманого працівника. обмін або повернення товару належної якості провадиться: якщо не використовувався; якщо збережено його товарний вигляд, споживчі властивості, пломби, ярлики; на підставі розрахунковий документ, виданий споживачеві разом з проданим товаром. умови обміну / повернення товару неналежної якості стаття 8. Згідно із законом України «про захист прав споживачів»: в разі виявлення протягом встановленого гарантійного строку недоліків споживач, в порядку та в строки, встановлені законодавством, має право вимагати безоплатного усунення недоліків товару в розумний строк. вимоги споживача, передбачених цією статтею, не підлягають задоволенню, якщо продавець, виробник (підприємство, що задовольняє вимоги споживача, встановлені частиною першою цієї статті) доведуть, що недоліки товару виникли внаслідок порушення споживачем правил користування товаром або його зберігання. Споживач має право брати участь у перевірці якості товару особисто або через свого представника.